GM Service Manual Online
For 1990-2009 cars only
Makes
🢒
Chevrolet
🢒
2008
🢒
Epica
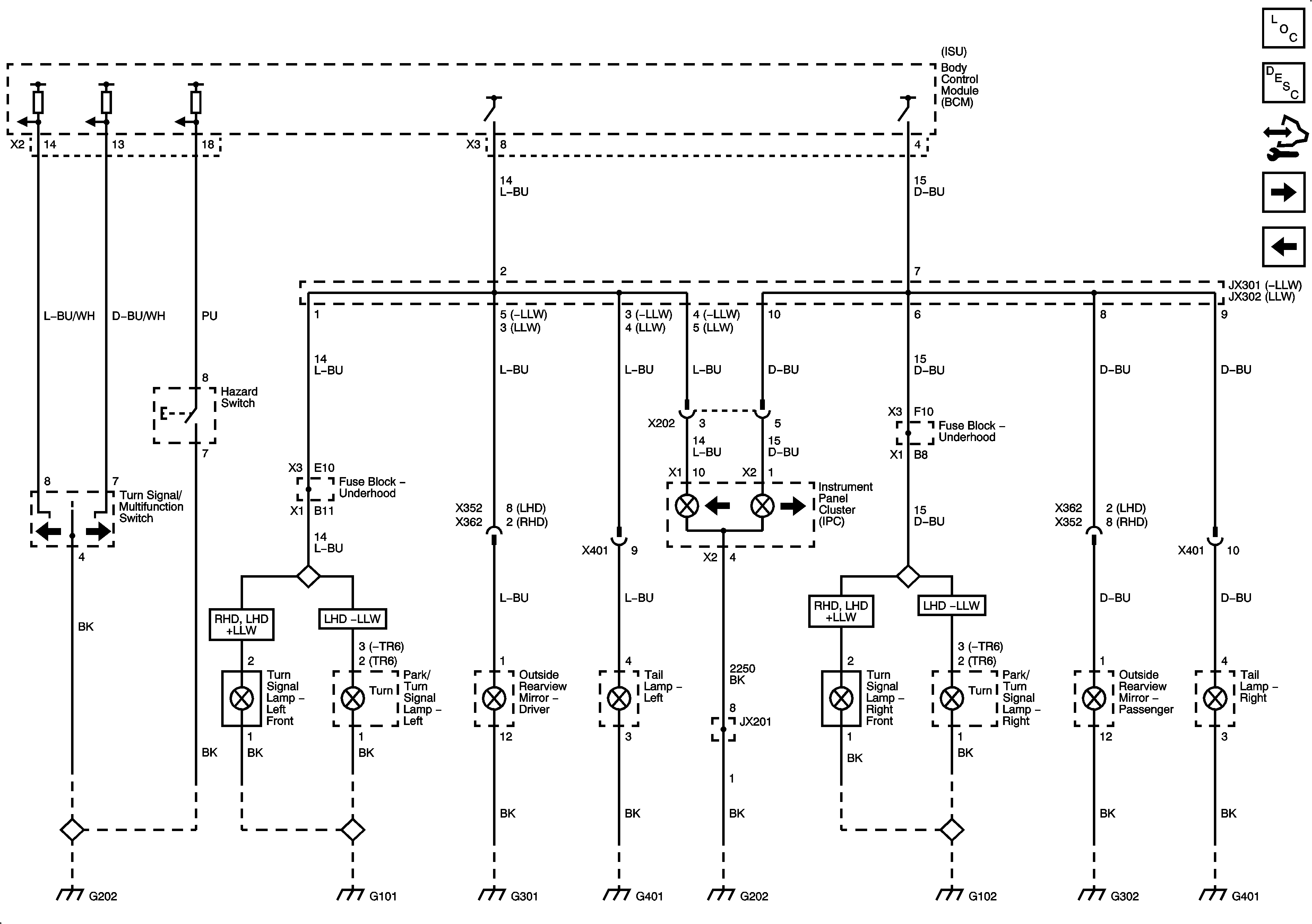
🢒 Turn and Hazard Lamps
Turn and Hazard Lamps
Turn and Hazard Lamps
Master Electrical Component List
Exterior Lighting Systems Description and Operation
Control Module References
Stop Lamps
Park Lamps, License Lamps
G202, 2 of 2
G101, G106, G107
G301 (LHD)
G401
G202, 1 of 2
G102
G302 (LHD)
G401