GM Service Manual Online
For 1990-2009 cars only
Makes
🢒
Chevrolet
🢒
1998
🢒
Express
🢒 Ignition System
Ignition System
Ignition System
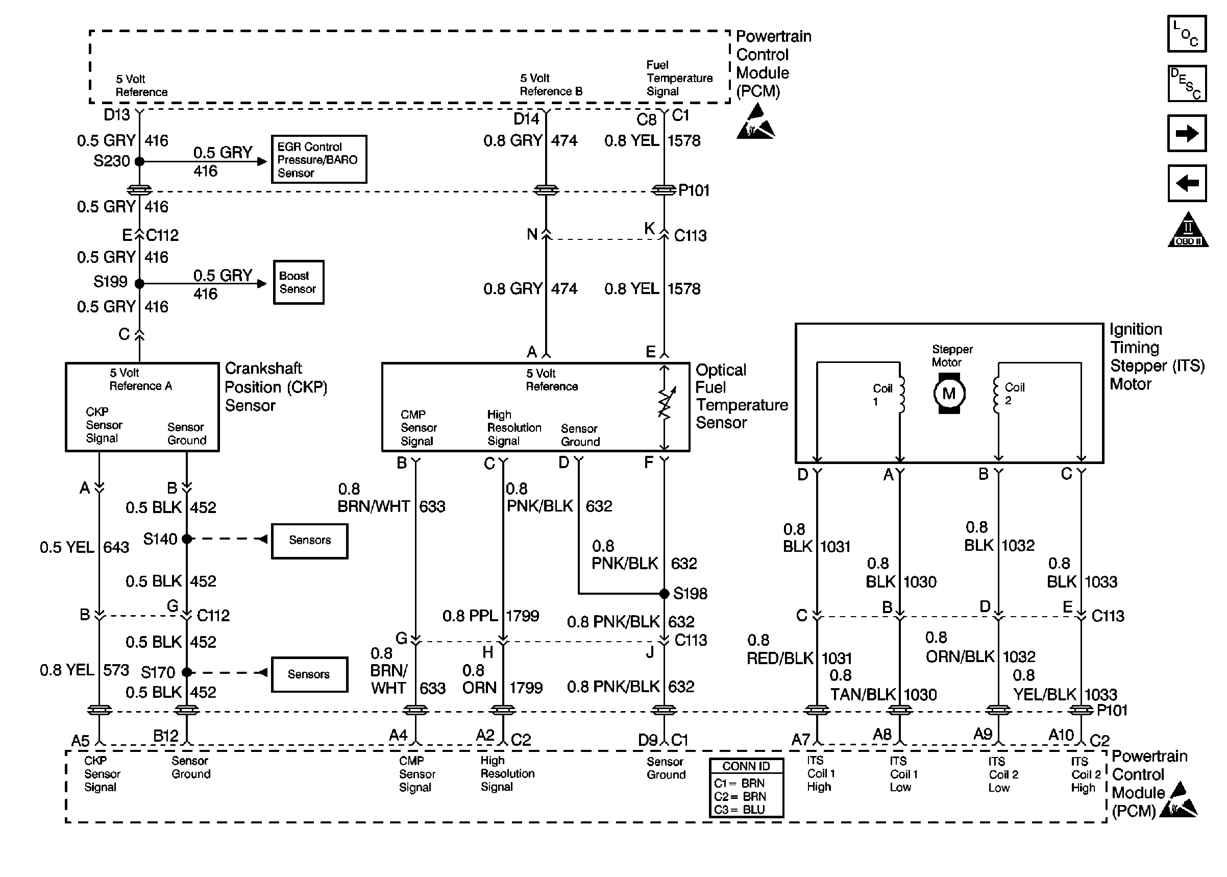
Engine Sensors
Engine Sensors
Engine Sensors
Engine Sensors
Powertrain Control Module Connector End Views
Handling ESD Sensitive Parts Notice
Handling ESD Sensitive Parts Notice
OBD II Symbol Description Notice
Glow Plug Controls
Engine Sensors