GM Service Manual Online
For 1990-2009 cars only
Makes
🢒
Chevrolet
🢒
1998
🢒
Express
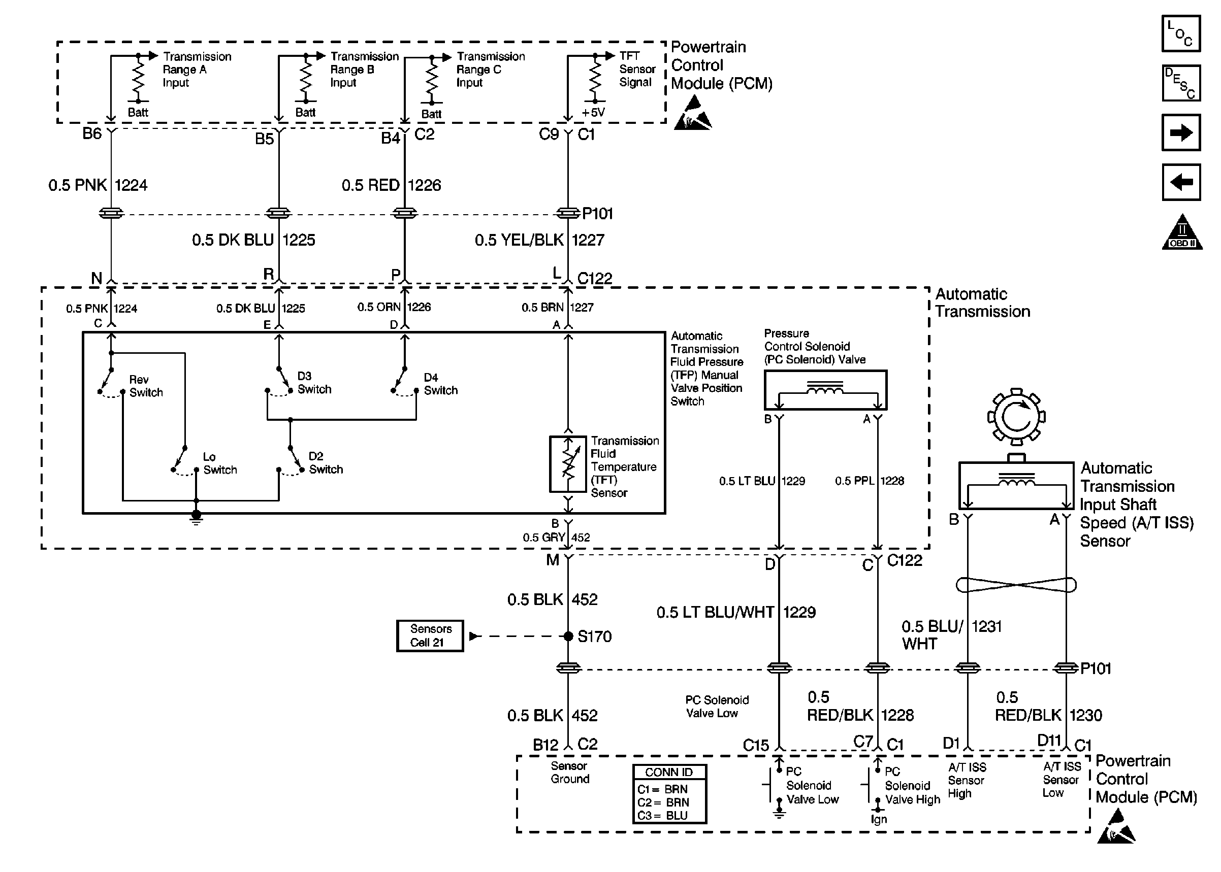
🢒 Transmission Controls
Transmission Controls
Transmission Controls
Handling ESD Sensitive Parts Notice
Ignition System
Powertrain Control Module Connector End Views
Handling ESD Sensitive Parts Notice
OBD II Symbol Description Notice
VSS Controls
Transmission and TCC Controls