GM Service Manual Online
For 1990-2009 cars only
Makes
🢒
Chevrolet
🢒
1998
🢒
Express
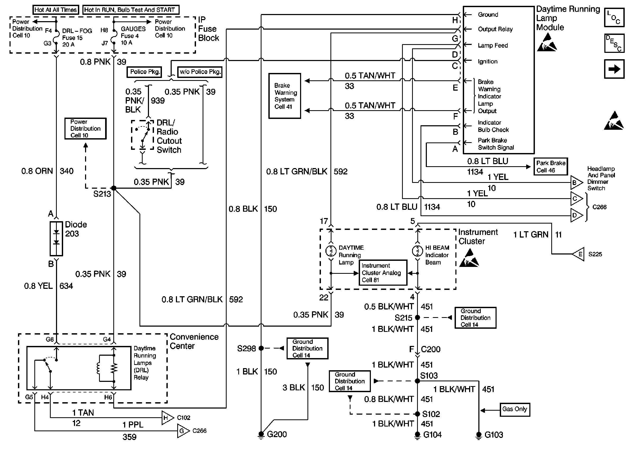
🢒 Cell 102: DRL Module, DRL Relay
Cell 102: DRL Module, DRL Relay
Cell 102: DRL Module, DRL Relay
Headlights/Daytime Running Lights (DRL) Circuit Description
Cell 102: Headlamp and Panel Dimmer Switch, Headlamp Dimmer Switch
Ground Distribution Schematics
Cell 14: G103 and G104
Cell 102: Headlamp and Panel Dimmer Switch, Headlamp Dimmer Switch
Cell 102: Headlamp and Panel Dimmer Switch, Headlamp Dimmer Switch
Handling ESD Sensitive Parts Notice
Handling ESD Sensitive Parts Notice
Lighting Systems Components
Indicator Lamps
Cell 14: G200 (1 of 4)
Ignition Switch, DRL Module, G105 and G200
Cell 10: IGN A Fuse and Ignition Switch
Cell 10: LIGHTING and BATTERY Fuses
Cell 10: GAUGES Fuse
Fuse, DRL Module, Park Brake Switch, I/C