GM Service Manual Online
For 1990-2009 cars only
Makes
🢒
Chevrolet
🢒
1998
🢒
Express
🢒 Indicator Lamps
Indicator Lamps
Indicator Lamps
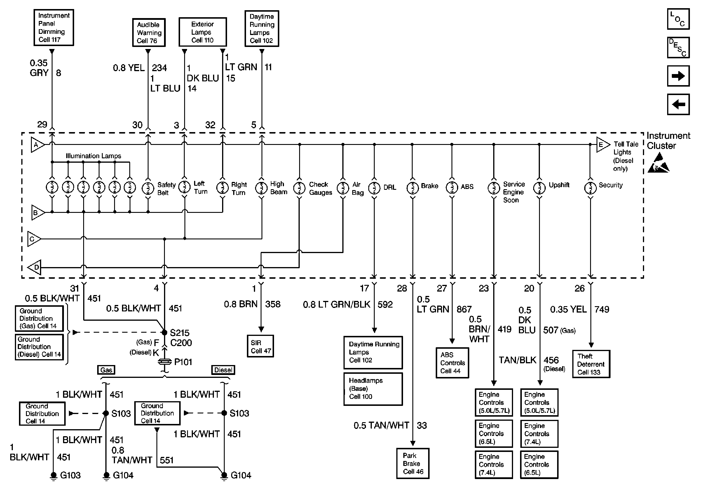
Instrument Cluster Components
Instrument Cluster Circuit Description
Indicator Lamps (Diesel Only)
Gauges
Cell 117: PK LPS Fuse 9, ILLUM Fuse 14, Headlamp and Panel Dimmer Switch(2 of 2)
Cell 76
Cell 110: Instrument Cluster, G103 and G104
Cell 102: DRL Module, DRL Relay
Indicator Lamps (Diesel Only)
Gauges
Gauges
Cell 14: G103 and G104
Cell 11: G104 Diesel
Cell 14: G103 and G104
Cell 11: G104 Diesel
Power, GND and DLC
Cell 102: DRL Module, DRL Relay
Cell 100: LIGHTING Fuse 8 (Export)
Fuse, DRL Module, Park Brake Switch, I/C
ABS Schematics 99C/K
Power, Ground and DLC
PWR, GND, and DLC
Power, Ground, and DLC
4WD, IAC and Upshift Controls
Cell 133