GM Service Manual Online
For 1990-2009 cars only
Makes
🢒
Chevrolet
🢒
1998
🢒
Express
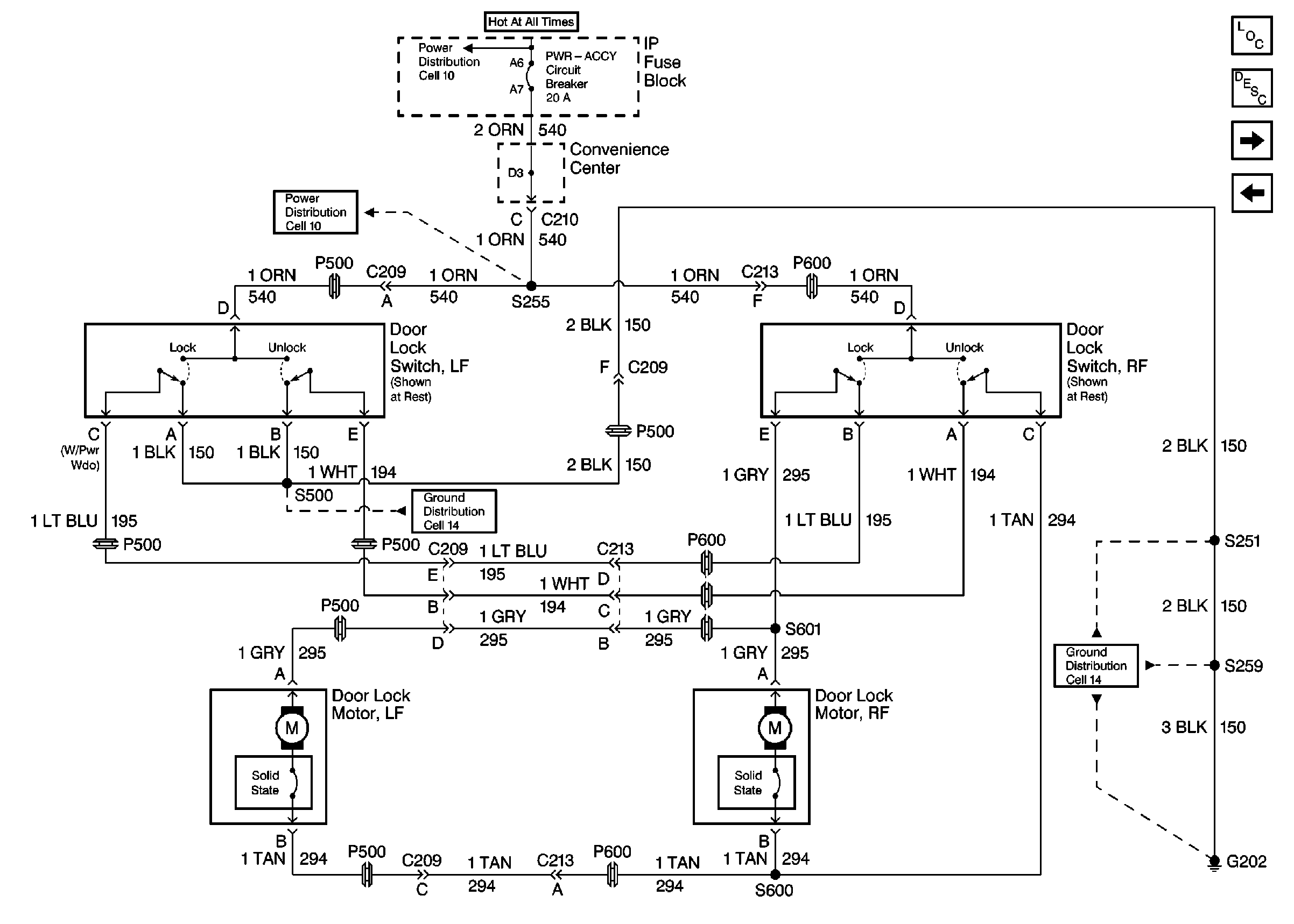
🢒 Cell 130: PWR ACCY Circuit Breaker, Door Lock Switches, Door Lock Motors,G202 (Pickup/Extended Cab)
Cell 130: PWR ACCY Circuit Breaker, Door Lock Switches, Door Lock Motors,G202 (Pickup/Extended Cab)
Cell 130: PWR ACCY Circuit Breaker, Door Lock Switches, Door Lock Motors, G202 (Pickup/Extended Cab)
Power Door Locks Circuit Description Luxury
Door Locks and Fuses
Cell 130: Door Jamb Switches, G200
Cell 10: AUX PWR Fuse, PWR - ACCY Circuit Breaker (Luxury)
Cell 14: G202 (2 of 4)
Power Door Systems Components
Cell 14: G202 (3 of 4)
Cell 10: AUX PWR Fuse, PWR - ACCY Circuit Breaker (Luxury)