GM Service Manual Online
For 1990-2009 cars only
Makes
🢒
Chevrolet
🢒
1998
🢒
Express
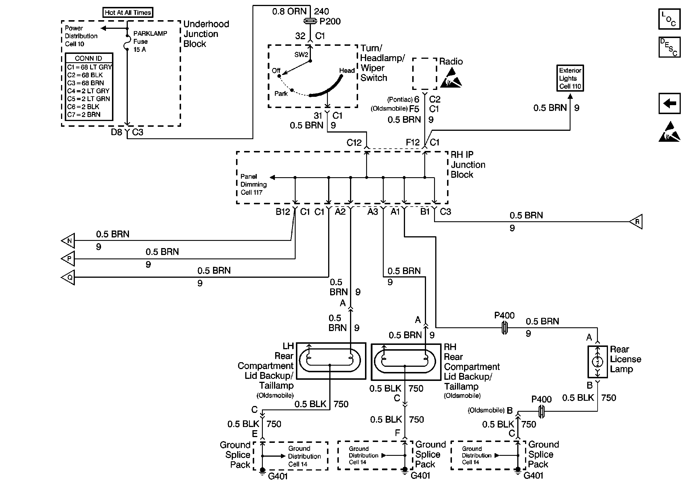
🢒 Rear Compartment Lid Lamp and License Lamp
Rear Compartment Lid Lamp and License Lamp
Rear Compartment Lid Lamp and License Lamp
Lighting Systems Components
Exterior Lights Circuit Description
Left Rear Lamp Assembly
Handling Electrostatic Discharge Sensitive Parts Notice
Handling Electrostatic Discharge Sensitive Parts Notice
Ground Distribution Schematics
Ground Distribution Schematics
Ground Distribution Schematics
Cell 110: Tail/Stop Lamps
Cell 110: Tail/Stop Lamps
Cell 110: Tail/Stop Lamps
Cell 110: Tail/Stop Lamps
Power Distribution Schematics
Cell 117: Panel Dimmer Switch and Lamp Dimmer Module