GM Service Manual Online
For 1990-2009 cars only
Makes
🢒
Chevrolet
🢒
1998
🢒
Express
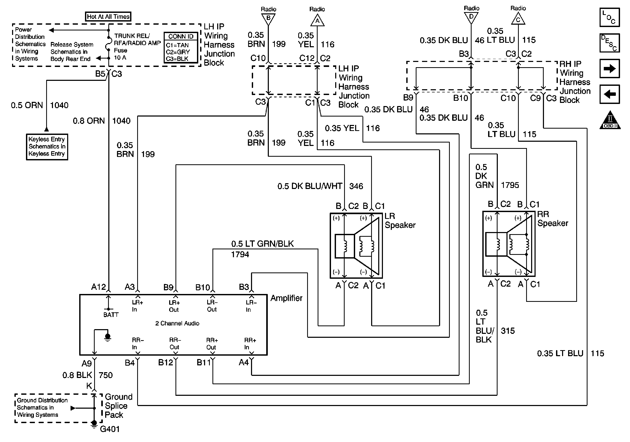
🢒 Cell 150: W/UQ3
Cell 150: W/UQ3
Amplifier and Rear Speakers
Entertainment Components
Radio/Audio System Description
99 x130 Entertainment Cell 150
Cell 150: Pontiac w/Remote Cassette
Ground Distribution Schematics
Keyless Entry Schematics
Release Systems Schematics
Power Distribution Schematics