GM Service Manual Online
For 1990-2009 cars only
Makes
🢒
Chevrolet
🢒
1998
🢒
Express
🢒 Starter Controls (Gas)
Starter Controls (Gas)
Starter Controls (Gas)
Engine Electrical Components
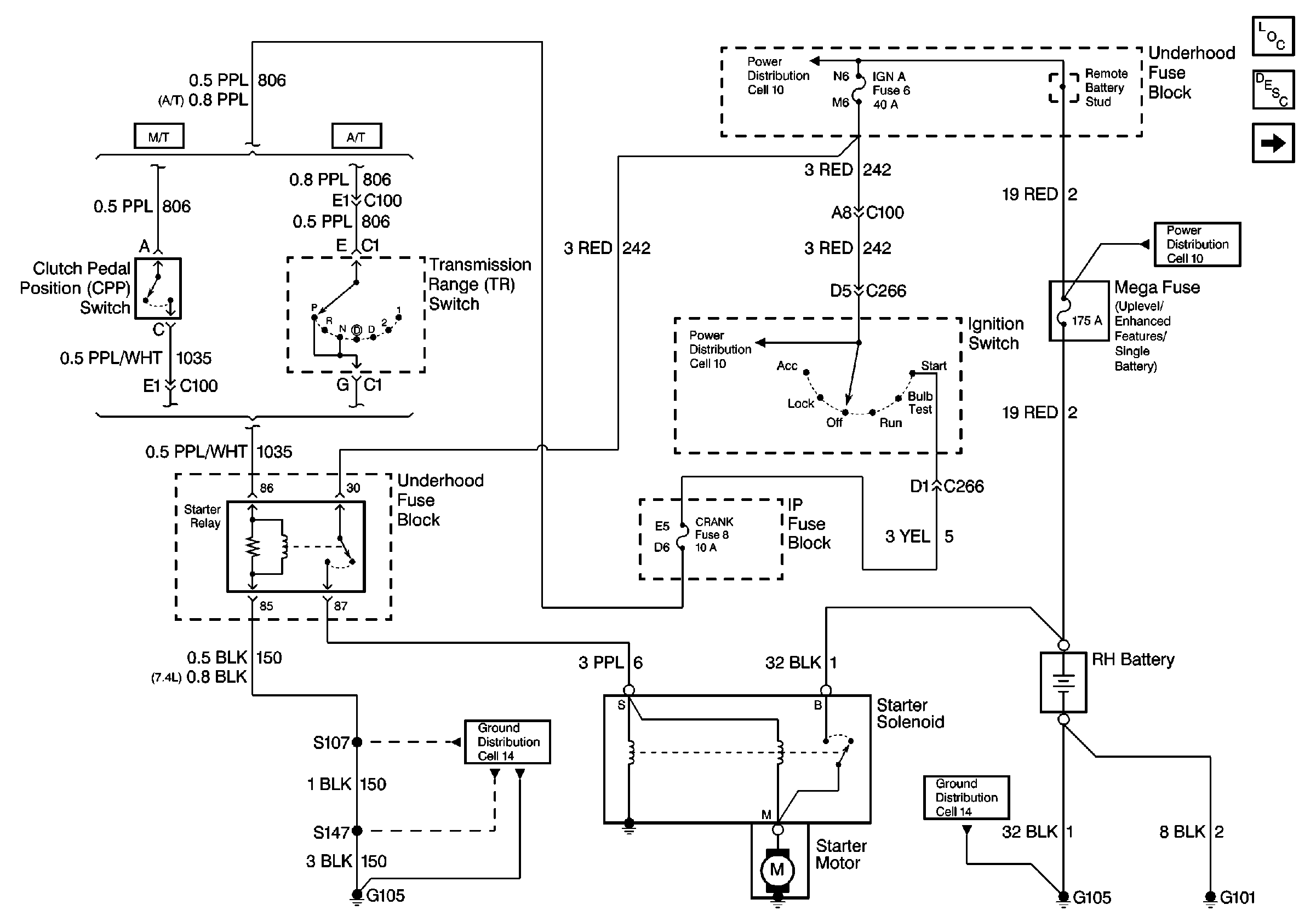
Starting System Circuit Description
Starter Controls (Diesel)
Cell 10: Battery, and Underhood Fuse Block
Cell 10: Battery, and Underhood Fuse Block
Cell 10: IGN A Fuse and Ignition Switch
Cell 14: G105 (1 of 2)
Cell 14: G105 (1 of 2)