GM Service Manual Online
For 1990-2009 cars only
Makes
🢒
Chevrolet
🢒
1998
🢒
Express
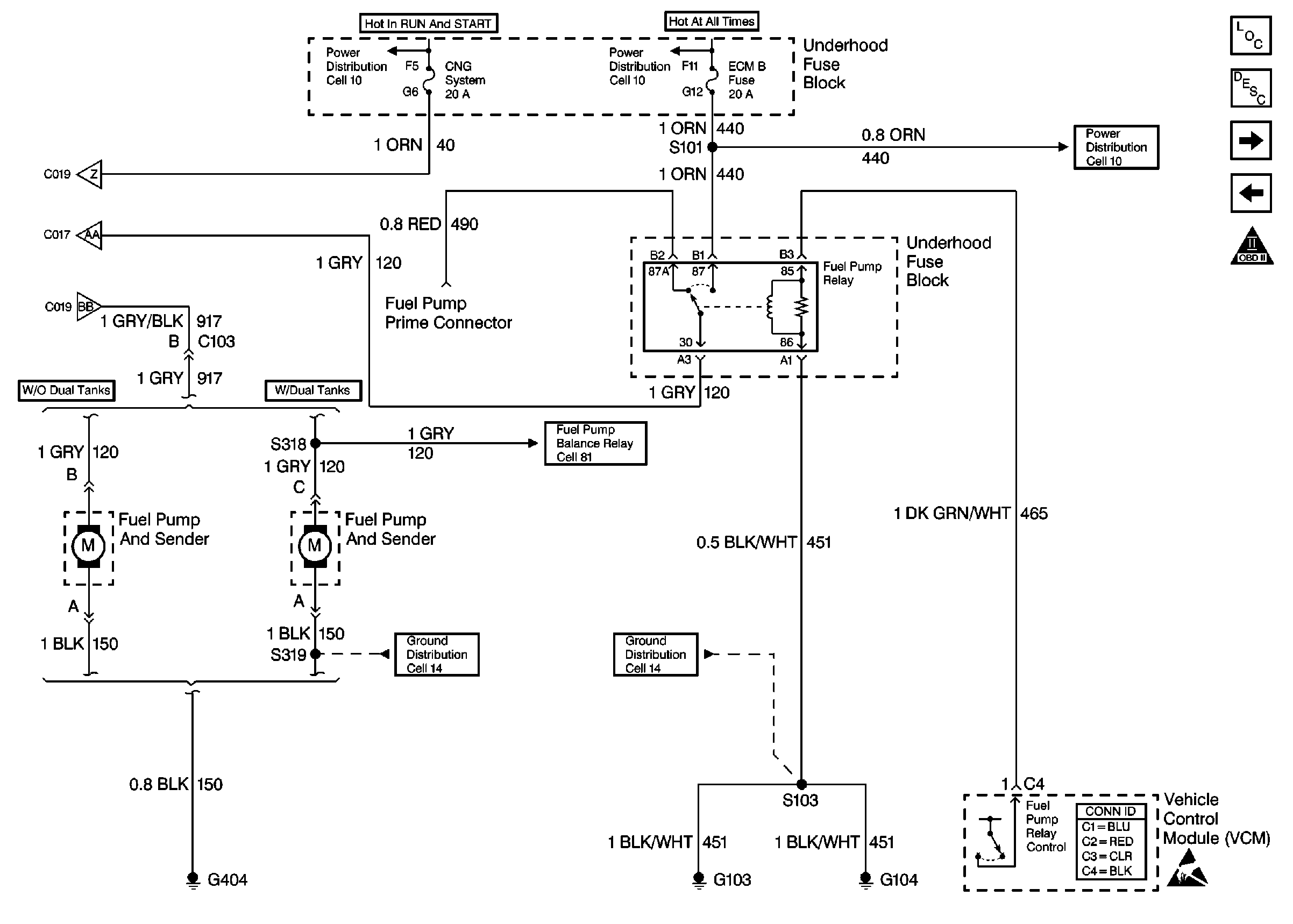
🢒 Fuel Controls
Fuel Controls
Fuel Controls
OBD II Symbol Description Notice
Cell 10: ECM-B, HORN and A/C COMP Fuses
Cell 10: Battery, and Underhood Fuse Block
Alternative Fuel Connector (1 of 2)
Cell 14: G201, G300, G404
Fuel Gauge Sender (Dual Tank, Gas)
Cell 14: G103 and G104
VCM Connector End Views
Ignition Controls
VCM and Engine Sensors