GM Service Manual Online
For 1990-2009 cars only
Makes
🢒
Chevrolet
🢒
1998
🢒
Express
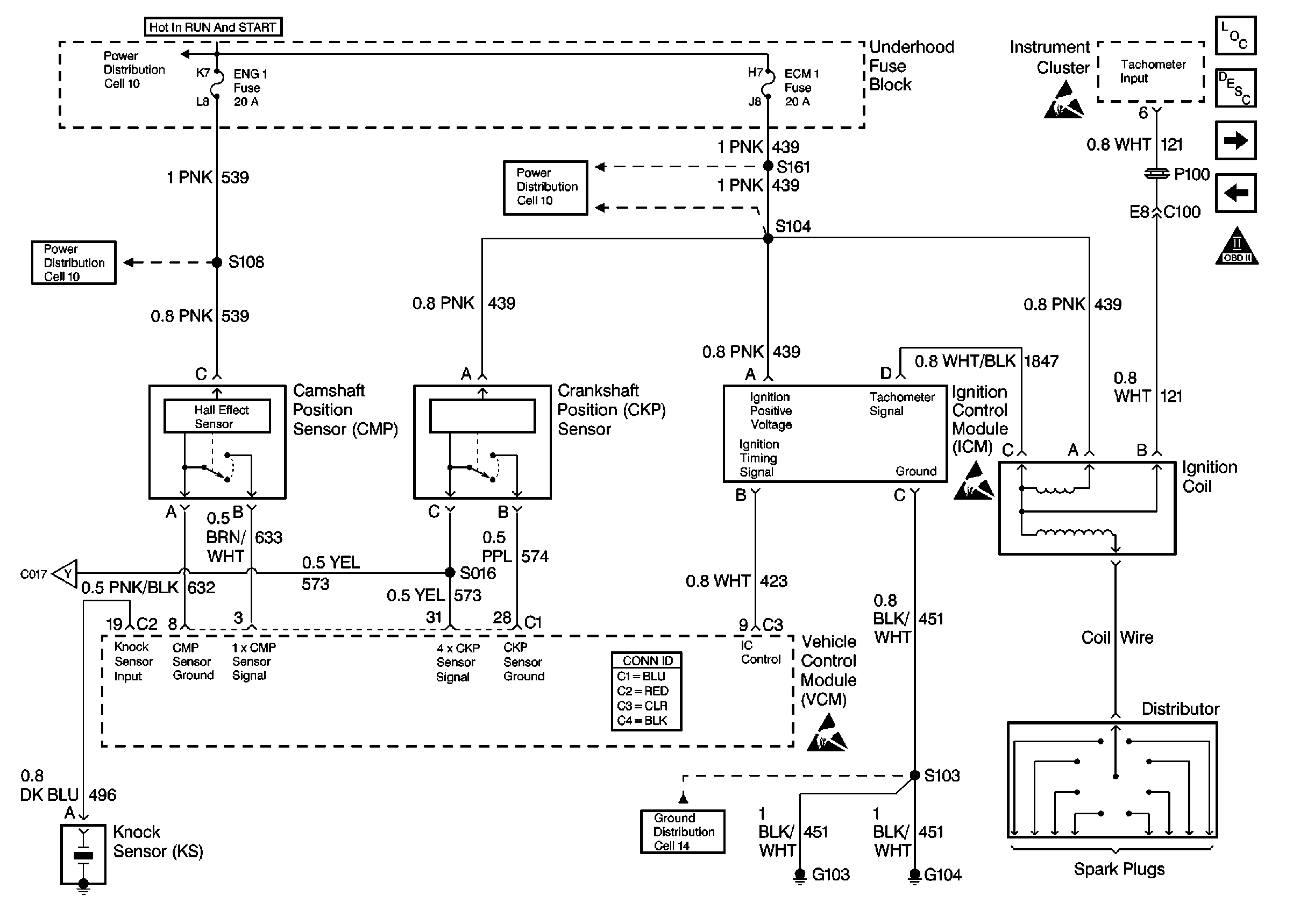
🢒 Ignition Controls
Ignition Controls
Ignition Controls
Fuel Controls
Power, Ground and DLC
OBD II Symbol Description Notice
Handling ESD Sensitive Parts Notice
Handling ESD Sensitive Parts Notice
Handling ESD Sensitive Parts Notice
Cell 14: G103 and G104
VCM Connector End Views
Alternative Fuel Connector (2 of 2)
Cell 10: ENG-1 Fuse
Cell 10: Battery, and Underhood Fuse Block