GM Service Manual Online
For 1990-2009 cars only
Makes
🢒
Chevrolet
🢒
1998
🢒
Express
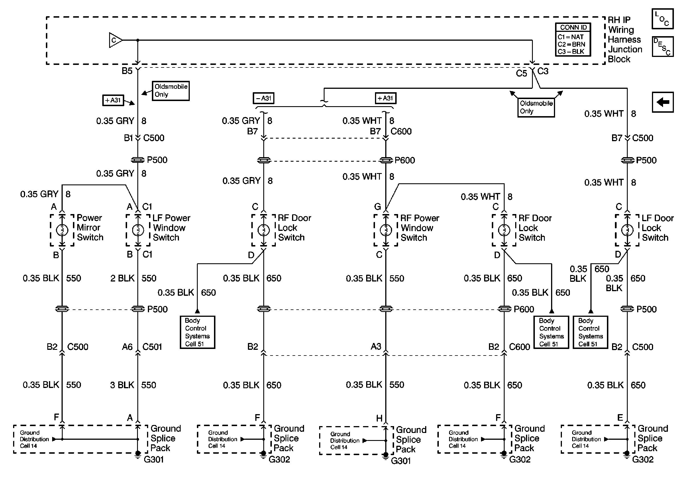
🢒 Window and Door Lock Switches (Oldsmobile)
Window and Door Lock Switches (Oldsmobile)
Window and Door Lock Switches (Oldsmobile)
Lighting Systems Components
Interior Lights Dimming Circuit Description
Window and Door Lock Switches (Pontiac)
Cell 117: Interior Lamps
Ground Distribution Schematics
Ground Distribution Schematics
Ground Distribution Schematics
Ground Distribution Schematics
Ground Distribution Schematics
Cell 51: Ambient Light Sensor; Right Rear, Left Rear, Right Front Door Lock Switches
Cell 51: Ambient Light Sensor; Right Rear, Left Rear, Right Front Door Lock Switches
Cell 51: DRL Relay and Parklamp Relay