GM Service Manual Online
For 1990-2009 cars only
Makes
🢒
Chevrolet
🢒
1998
🢒
Express
🢒 Cell 117: Interior Lamps
Cell 117: Interior Lamps
Cell 117: Interior Lamps
Lighting Systems Components
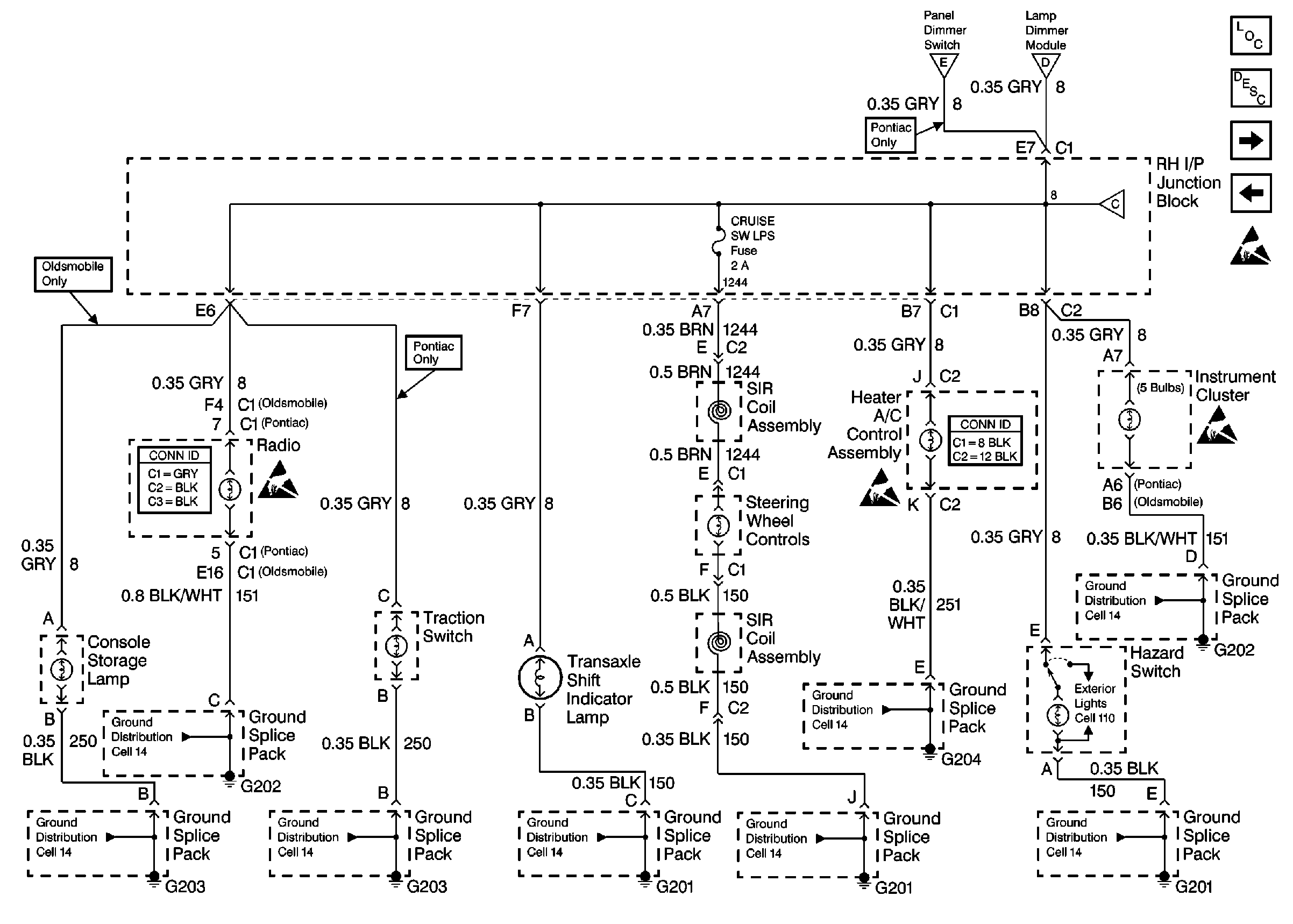
Interior Lights Dimming Circuit Description
Interior Lights Dimming Schematics
Cell 117: Panel Dimmer Switch and Lamp Dimmer Module
Handling Electrostatic Discharge Sensitive Parts Notice
Handling Electrostatic Discharge Sensitive Parts Notice
Handling Electrostatic Discharge Sensitive Parts Notice
Handling Electrostatic Discharge Sensitive Parts Notice
Ground Distribution Schematics
Ground Distribution Schematics
Ground Distribution Schematics
Ground Distribution Schematics
Ground Distribution Schematics
Ground Distribution Schematics
Ground Distribution Schematics
Right Rear Lamp Assembly and Hazard Switch
Ground Distribution Schematics
Cell 117: Panel Dimmer Switch and Lamp Dimmer Module
Cell 117: Panel Dimmer Switch and Lamp Dimmer Module
Window and Door Lock Switches (Oldsmobile)