GM Service Manual Online
For 1990-2009 cars only

Headlights/Daytime Running Lights (DRL) Schematics Domestic

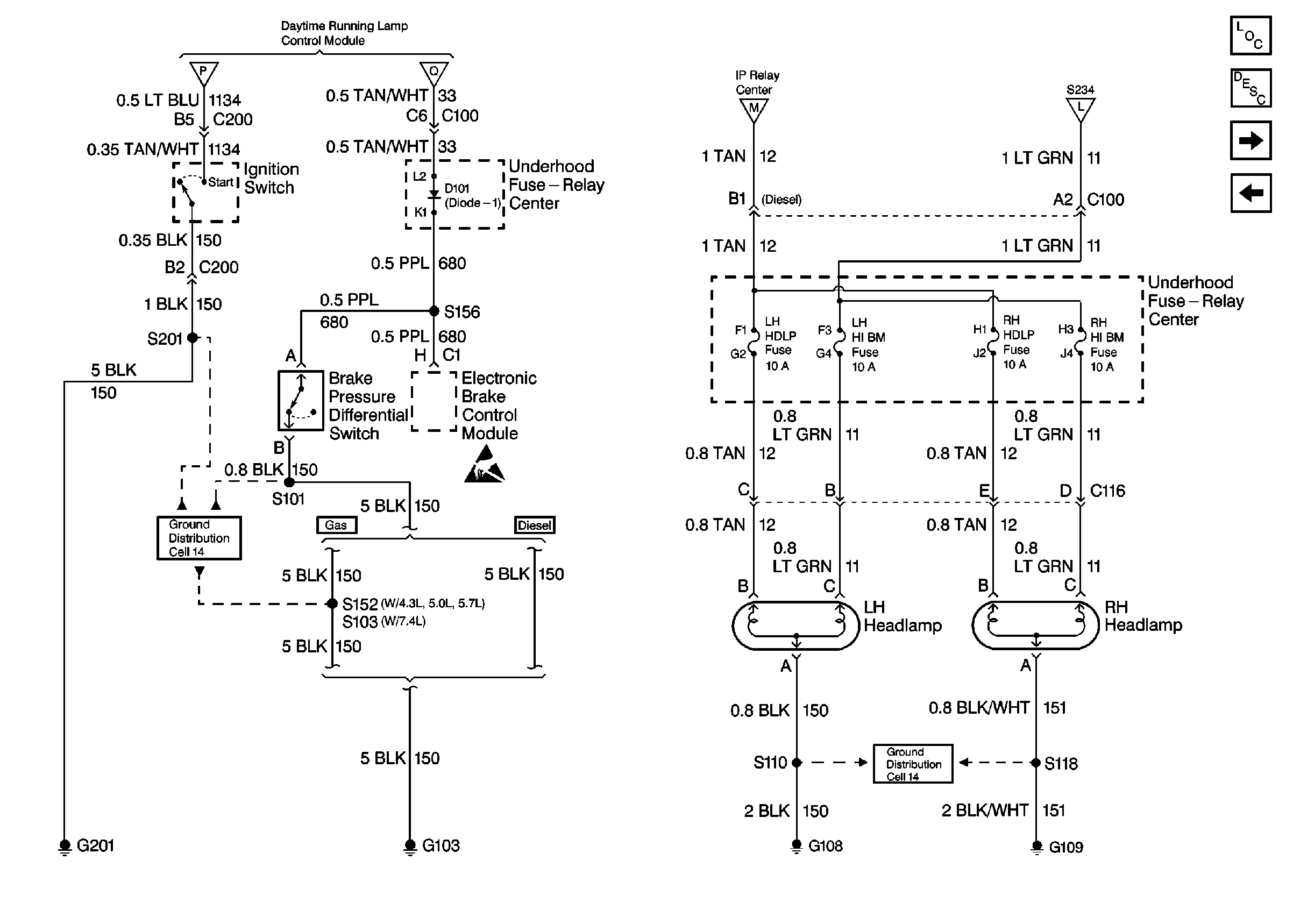
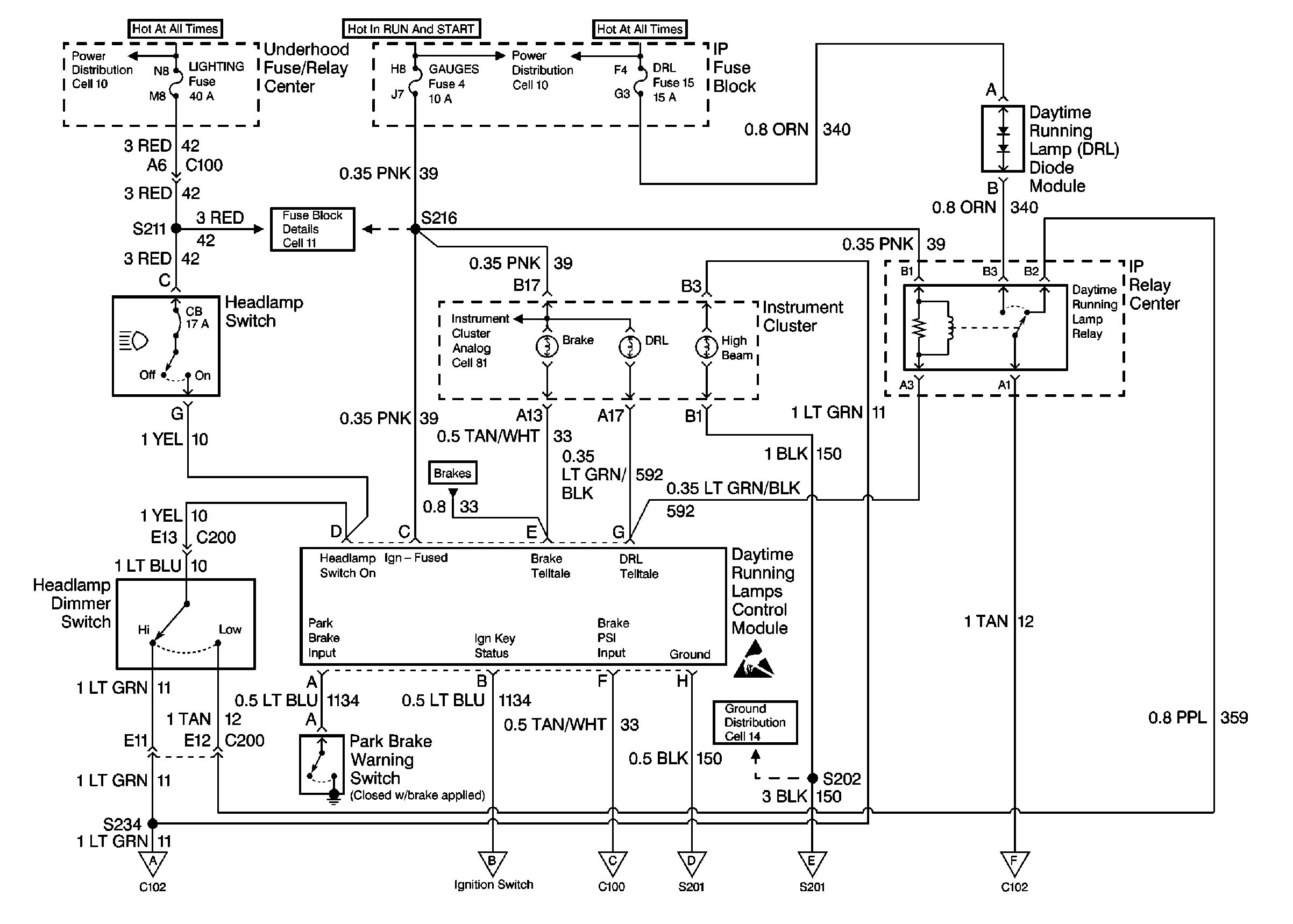
Figure 1:

Cell 102: DRL Diode Module, DRL Relay, DRL Control Module, Headlamp Switch, Park Brake Warning Switch


Object Number: 311268  Size: FS
Lighting Systems Components Domestic
Cell 102: Brake Pressure Differential Switch, Headlamps(Sealed and Composite Beams)
Power Distribution Schematics Domestic
Power Distribution Schematics Domestic
Fuse Block Schematics Domestic
Instrument Cluster: Analog Schematics Domestic
Handling ESD Sensitive Parts Notice
Ground Distribution Schematics Domestic
Cell 102: Brake Pressure Differential Switch, Headlamps(Sealed and Composite Beams)
Cell 102: Brake Pressure Differential Switch, Headlamps(Sealed and Composite Beams)
Cell 102: Brake Pressure Differential Switch, Headlamps(Sealed and Composite Beams)
Cell 102: Brake Pressure Differential Switch, Headlamps(Sealed and Composite Beams)
Cell 102: Brake Pressure Differential Switch, Headlamps(Sealed and Composite Beams)
Cell 102: Brake Pressure Differential Switch, Headlamps(Sealed and Composite Beams)
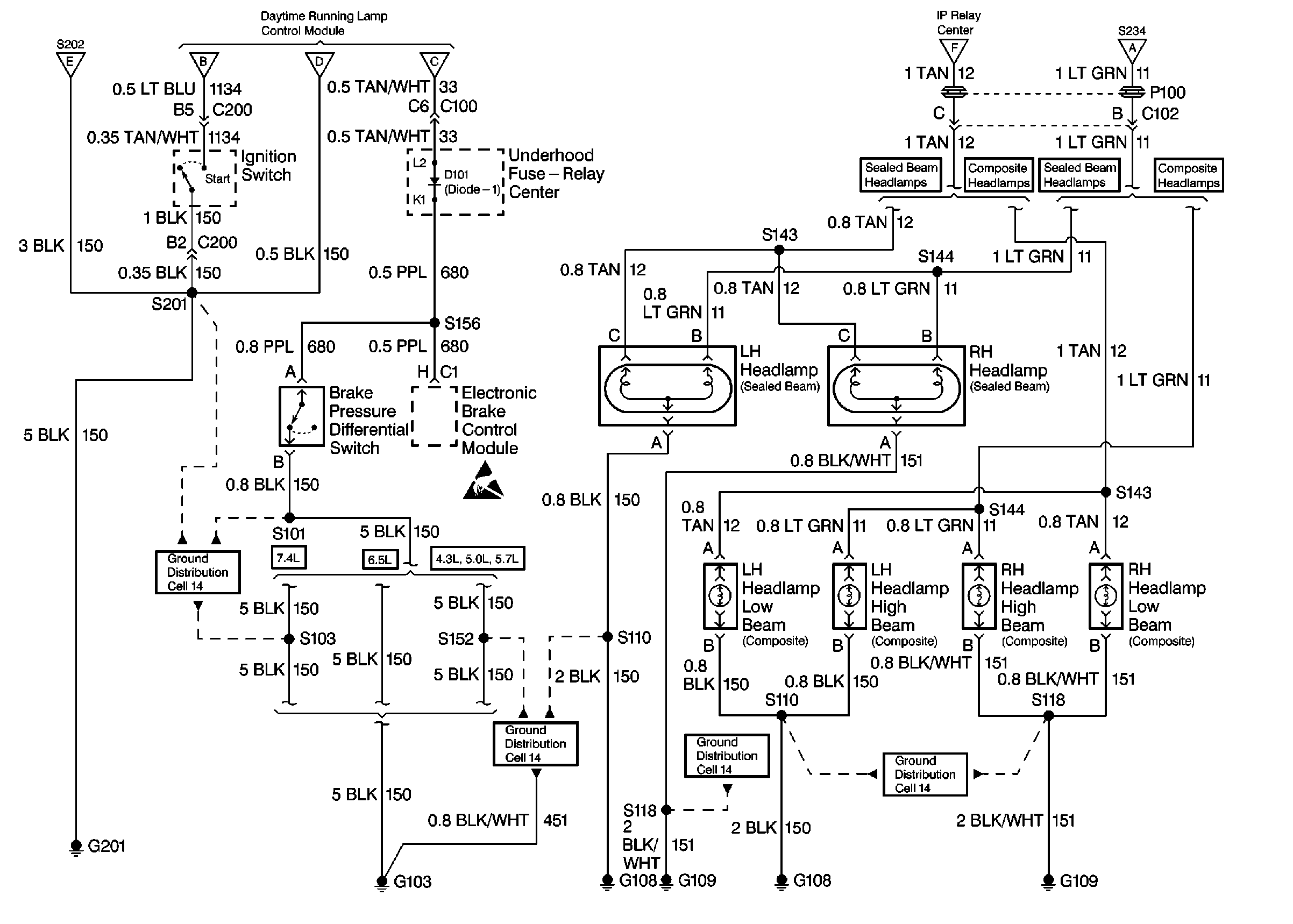
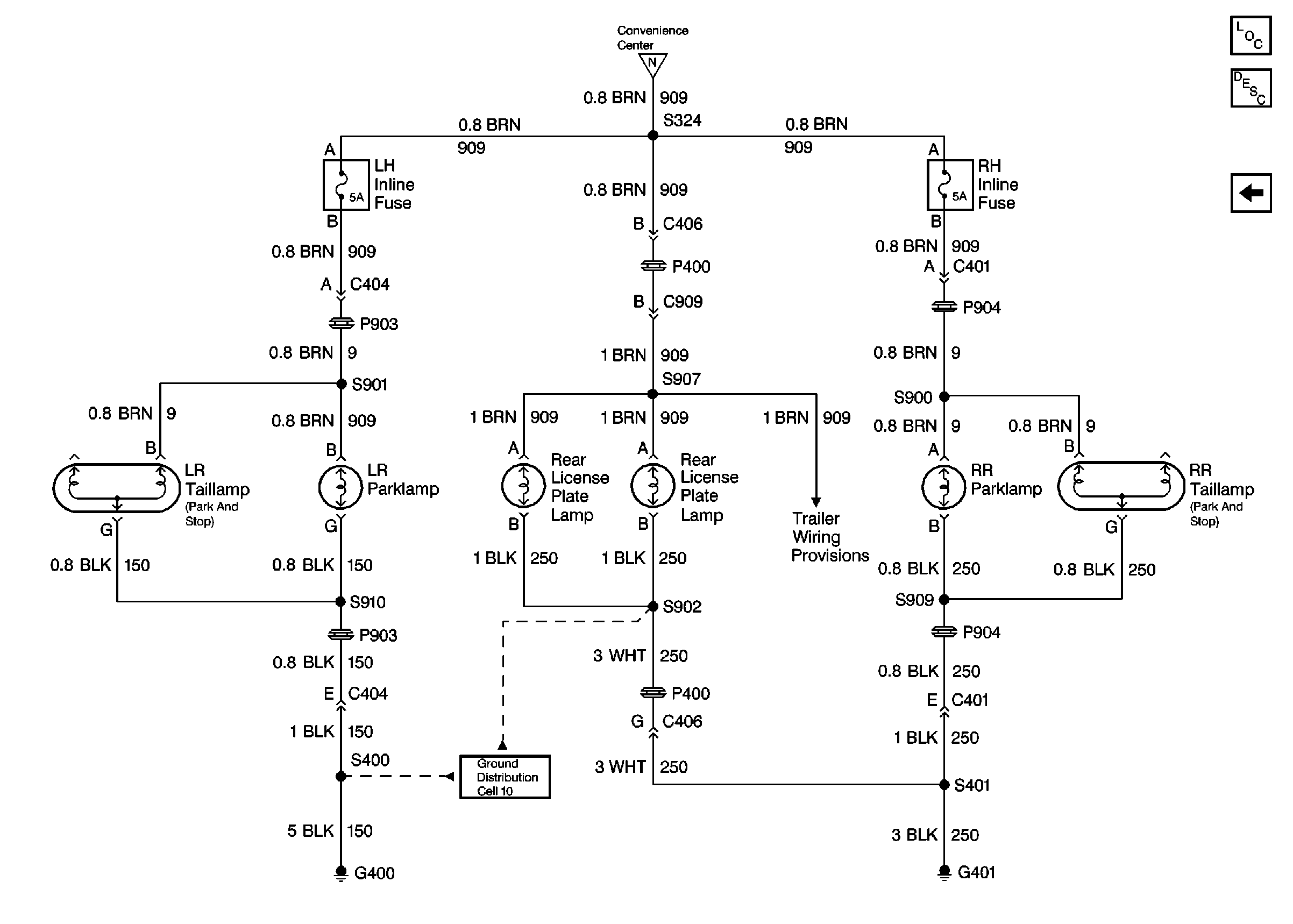
Figure 2:

Cell 102: Brake Pressure Differential Switch, Headlamps (Sealed and Composite Beams)


Object Number: 311270  Size: FS
Lighting Systems Components Domestic
Cell 102: DRL Diode Module, DRL Relay, DRL Control Module, Headlamp Switch, Park Brake Warning Switch
Cell 102: DRL Diode Module, DRL Relay, DRL Control Module, Headlamp Switch, Park Brake Warning Switch
Cell 102: DRL Diode Module, DRL Relay, DRL Control Module, Headlamp Switch, Park Brake Warning Switch
Cell 102: DRL Diode Module, DRL Relay, DRL Control Module, Headlamp Switch, Park Brake Warning Switch
Cell 102: DRL Diode Module, DRL Relay, DRL Control Module, Headlamp Switch, Park Brake Warning Switch
Cell 102: DRL Diode Module, DRL Relay, DRL Control Module, Headlamp Switch, Park Brake Warning Switch
Cell 102: DRL Diode Module, DRL Relay, DRL Control Module, Headlamp Switch, Park Brake Warning Switch
Ground Distribution Schematics Domestic
Ground Distribution Schematics Domestic
Ground Distribution Schematics Domestic
Ground Distribution Schematics Domestic
Handling ESD Sensitive Parts Notice

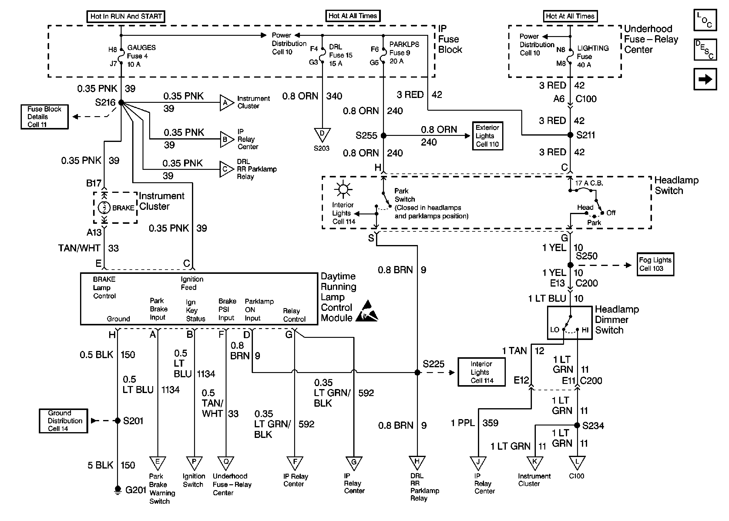
Headlights/Daytime Running Lights (DRL) Schematics Export

Figure 1:

Cell 102: DRL Control Module


Object Number: 356757  Size: FS
Lighting Systems Components Export
Headlights Circuit Description Export
Cell 102: Park Brake Warning Switch, DRL Relay, DRL And RR PRK
Fuse Block Schematics Export
Ground Distribution Schematics Export
Cell 102: Park Brake Warning Switch, DRL Relay, DRL And RR PRK
Cell 102: Park Brake Warning Switch, DRL Relay, DRL And RR PRK
Cell 102: Park Brake Warning Switch, DRL Relay, DRL And RR PRK
Cell 102: Park Brake Warning Switch, DRL Relay, DRL And RR PRK
Cell 102: Pressure Diff Switch, Headlamps
Cell 102: Pressure Diff Switch, Headlamps
Power Distribution Schematics Export
Cell 102: Park Brake Warning Switch, DRL Relay, DRL And RR PRK
Interior Lights Schematics
Handling ESD Sensitive Parts Notice
Cell 102: Park Brake Warning Switch, DRL Relay, DRL And RR PRK
Cell 102: Park Brake Warning Switch, DRL Relay, DRL And RR PRK
Cell 102: Park Brake Warning Switch, DRL Relay, DRL And RR PRK
Exterior Lights Schematics Export
Interior Lights Schematics
Cell 102: Park Brake Warning Switch, DRL Relay, DRL And RR PRK
Power Distribution Schematics Export
Cell 102: Park Brake Warning Switch, DRL Relay, DRL And RR PRK
Cell 102: Pressure Diff Switch, Headlamps
Fog Lights Schematics Export
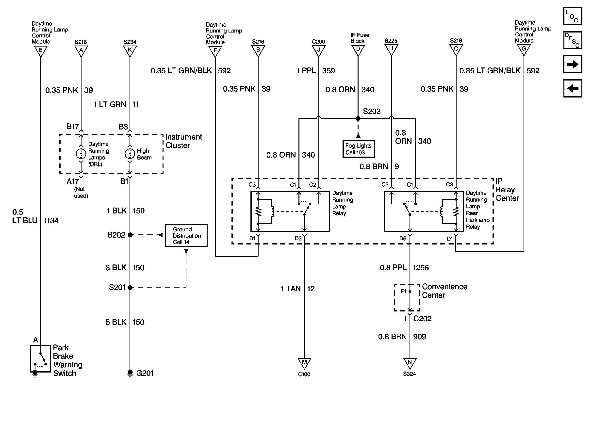
Figure 2:

Cell 102: Park Brake Warning Switch, DRL Relay, DRL And RR PRK


Object Number: 356759  Size: FS
Lighting Systems Components Export
Headlights Circuit Description Export
Cell 102: DRL Control Module
Cell 102: Pressure Diff Switch, Headlamps
Cell 102: DRL Control Module
Cell 102: DRL Control Module
Cell 102: DRL Control Module
Ground Distribution Schematics Export
Cell 102: DRL Control Module
Cell 102: DRL Control Module
Cell 102: Pressure Diff Switch, Headlamps
Cell 102: DRL Control Module
Cell 102: DRL Control Module
Cell 102: DRL Control Module
Cell 102: Rear Lamps
Fog Lights Schematics Export
Cell 102: DRL Control Module
Cell 102: DRL Control Module
Figure 3:

Cell 102: Pressure Diff Switch, Headlamps


Object Number: 356764  Size: FS
Lighting Systems Components Export
Headlights Circuit Description Export
Cell 102: Rear Lamps
Cell 102: Park Brake Warning Switch, DRL Relay, DRL And RR PRK
Cell 102: DRL Control Module
Ground Distribution Schematics Export
Cell 102: DRL Control Module
Handling ESD Sensitive Parts Notice
Cell 102: Park Brake Warning Switch, DRL Relay, DRL And RR PRK
Ground Distribution Schematics Export
Cell 102: DRL Control Module
Figure 4:

Cell 102: Rear Lamps


Object Number: 356767  Size: FS
Lighting Systems Components Export
Headlights Circuit Description Export
Cell 102: Pressure Diff Switch, Headlamps
Cell 102: Park Brake Warning Switch, DRL Relay, DRL And RR PRK
Power Distribution Schematics Export