GM Service Manual Online
For 1990-2009 cars only
Makes
🢒
Chevrolet
🢒
1999
🢒
Express
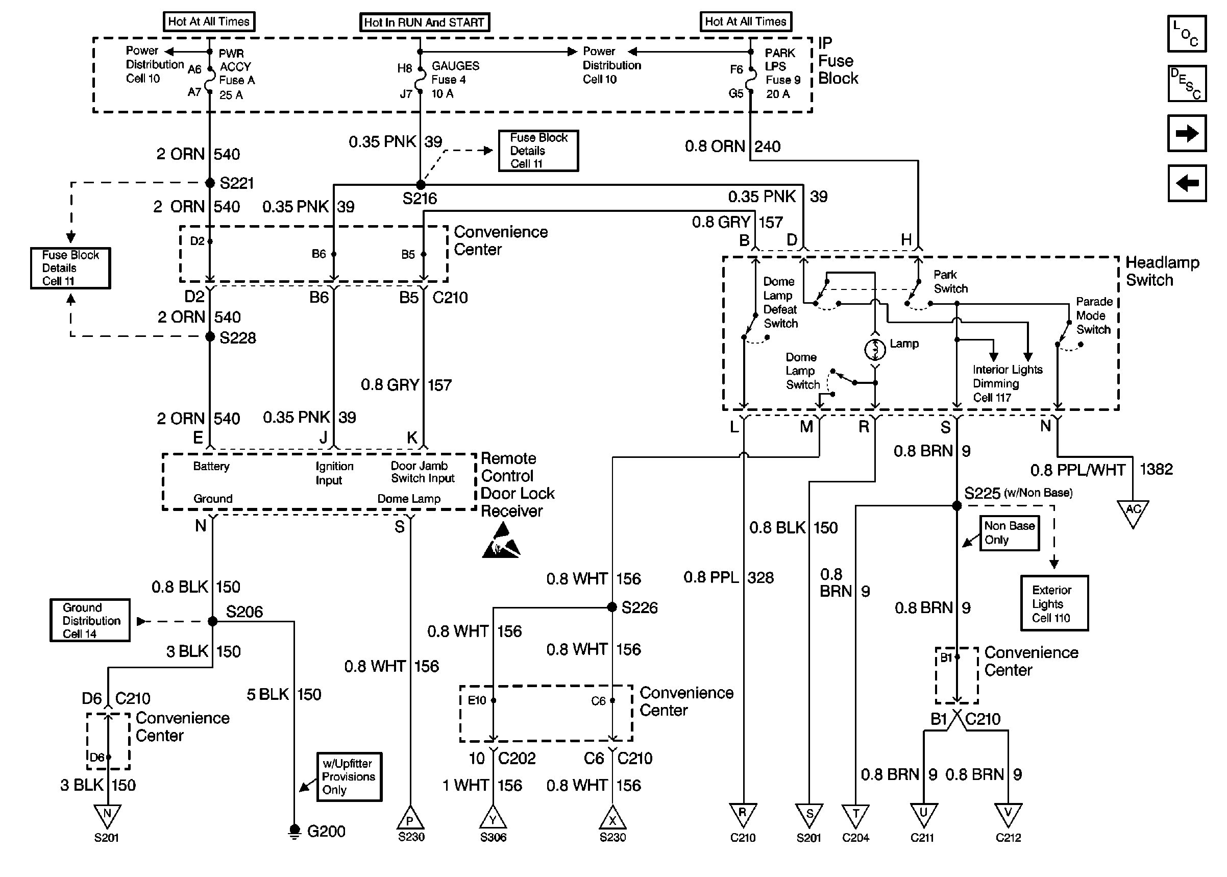
🢒 Cell 114: PWR ACCY, GAUGES, PARK LPS Fuses, G200 (w/ Keyless Entry)
Cell 114: PWR ACCY, GAUGES, PARK LPS Fuses, G200 (w/ Keyless Entry)
Cell 114: PWR ACCY, GAUGES, PARK LPS Fuses, G200 (w/ Keyless Entry)
Lighting Systems Components Domestic
Cell 114: Front Door Jamb Switches
Cell 114: PWR ACCY, GAUGES, PARK LPS Fuses; Illuminated Entry Module,G200 (w/o Keyless Entry)
Power Distribution Schematics Domestic
Fuse Block Schematics Domestic
Power Distribution Schematics Domestic
Fuse Block Schematics Domestic
Handling ESD Sensitive Parts Notice
Interior Lights Schematics
Exterior Lights Schematics Domestic
Cell 114: IP Compartment Lamp, Ashtray Lamp, Sunshade Mirror Lamps,G101, G201
Cell 114: Stepwell Lamps
Cell 114: CTSY Fuse, Dome Lamps, Left Stepwell Lamp
Cell 114: Stepwell Lamps
Cell 114: Front Door Jamb Switches
Cell 114: IP Compartment Lamp, Ashtray Lamp, Sunshade Mirror Lamps,G101, G201
Cell 114: IP Compartment Lamp, Ashtray Lamp, Sunshade Mirror Lamps,G101, G201
Cell 114: Front Door Jamb Switches
Cell 114: Front Door Jamb Switches