GM Service Manual Online
For 1990-2009 cars only
Makes
🢒
Chevrolet
🢒
1999
🢒
Express
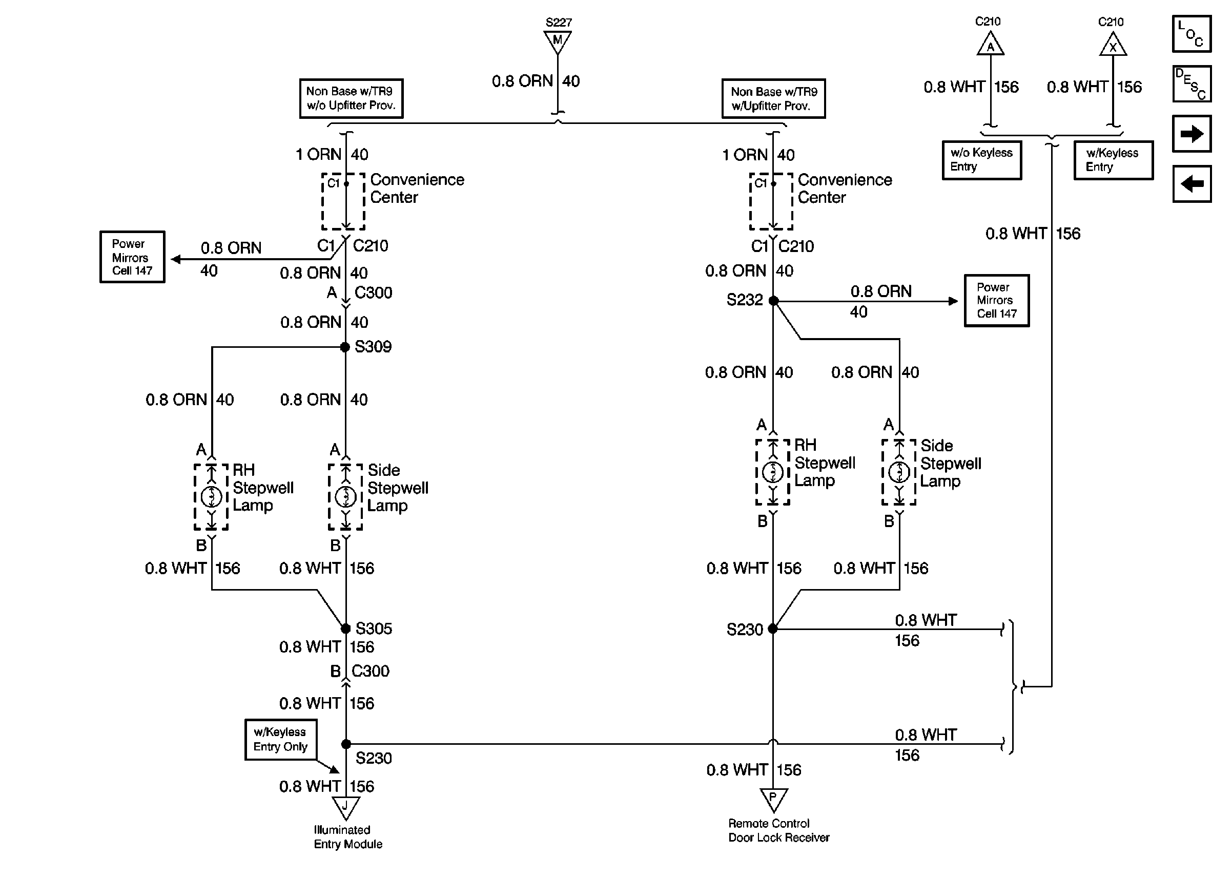
🢒 Cell 114: Stepwell Lamps
Cell 114: Stepwell Lamps
Cell 114: Stepwell Lamps
Lighting Systems Components Domestic
Cell 114: HORN Fuse, Underhood Lamp, Underhood Reel Lamp, G103
Cell 114: IP Compartment Lamp, Ashtray Lamp, Sunshade Mirror Lamps,G101, G201
Cell 114: CTSY Fuse, Dome Lamps, Left Stepwell Lamp
Cell 114: PWR ACCY, GAUGES, PARK LPS Fuses; Illuminated Entry Module,G200 (w/o Keyless Entry)
Cell 114: PWR ACCY, GAUGES, PARK LPS Fuses, G200 (w/ Keyless Entry)
Outside Rearview Mirror Schematics
Outside Rearview Mirror Schematics
Cell 114: PWR ACCY, GAUGES, PARK LPS Fuses; Illuminated Entry Module,G200 (w/o Keyless Entry)
Cell 114: PWR ACCY, GAUGES, PARK LPS Fuses, G200 (w/ Keyless Entry)