GM Service Manual Online
For 1990-2009 cars only
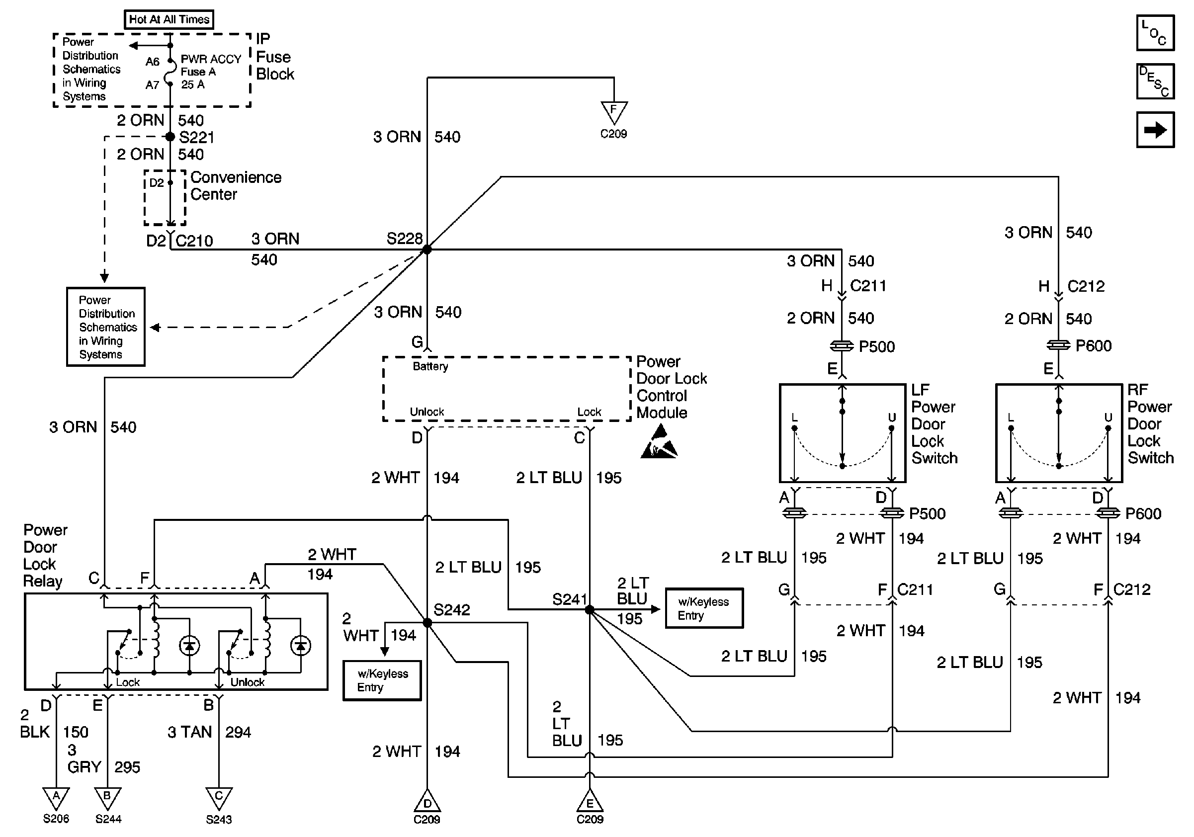
Figure 1:

Front Power Door Lock Switches


Object Number: 521748  Size: FS
Power Door Systems Components
Power Door Locks Circuit Description
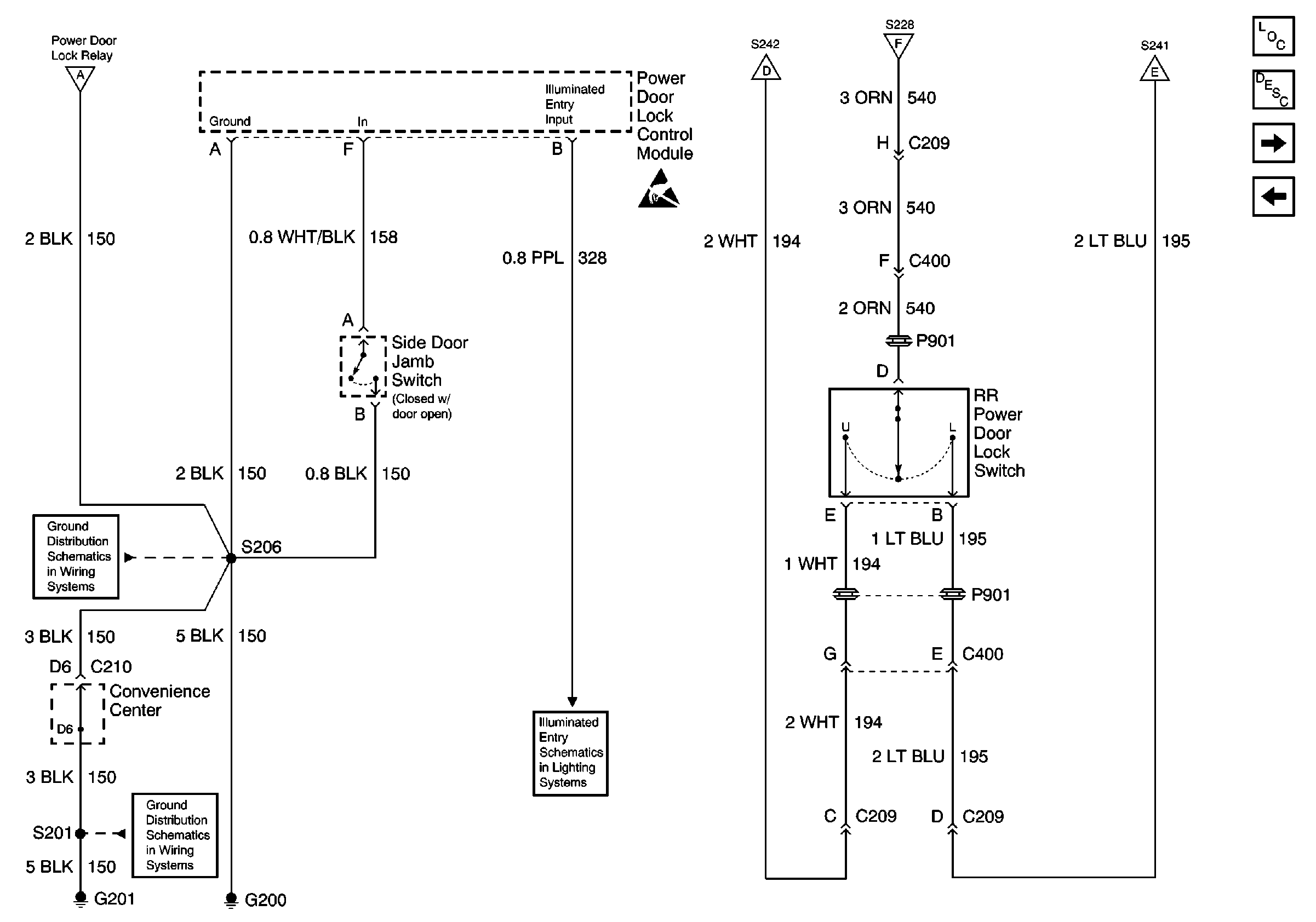
Rear Power Door Lock Switch
PWR ACCY Fuse
PWR ACCY Fuse
Handling ESD Sensitive Parts Notice
Rear Power Door Lock Switch
Keyless Entry: Power Feeds
Keyless Entry: Power Feeds
Rear Power Door Lock Switch
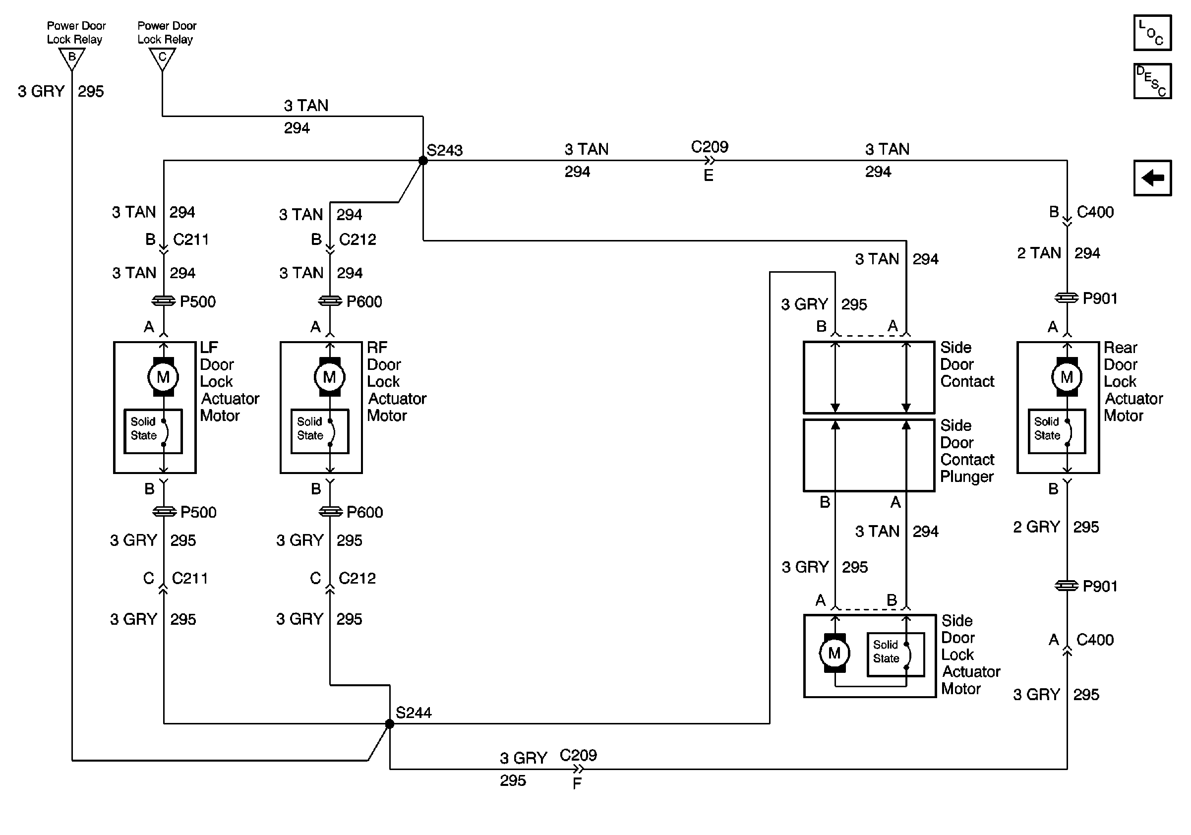
Door Lock Actuator Motors
Door Lock Actuator Motors
Rear Power Door Lock Switch
Rear Power Door Lock Switch
Figure 2:

Rear Power Door Lock Switch


Object Number: 521749  Size: FS
Power Door Systems Components
Power Door Locks Circuit Description
Door Lock Actuator Motors
Front Power Door Lock Switches
Front Power Door Lock Switches
Front Power Door Lock Switches
Handling ESD Sensitive Parts Notice
Front Power Door Lock Switches
G200
G201
Door Jamb Switches
Figure 3:

Door Lock Actuator Motors


Object Number: 521750  Size: FS
Power Door Systems Components
Power Door Locks Circuit Description
Rear Power Door Lock Switch
Front Power Door Lock Switches
Front Power Door Lock Switches