GM Service Manual Online
For 1990-2009 cars only
Makes
🢒
Chevrolet
🢒
2000
🢒
Express
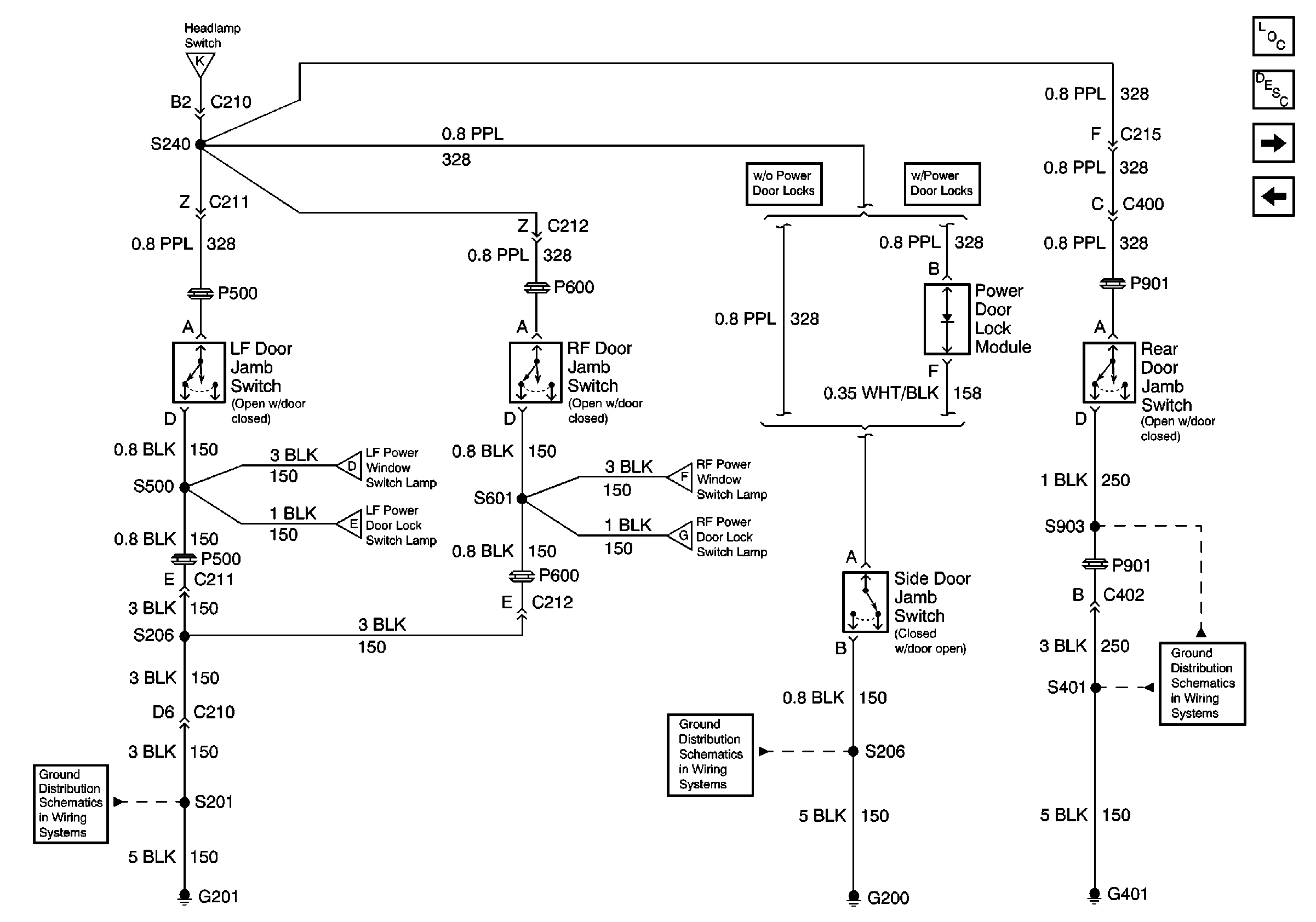
🢒 Door Jamb Switches
Door Jamb Switches
Door Jamb Switches
Lighting Systems Components
Interior Lights Circuit Description
Underhood Lamps
Sunshade, Ashtray, And IP Compartment Lamps
CTSY Fuse
Power Window And Lock Switch Illumination
Power Window And Lock Switch Illumination
Power Window And Lock Switch Illumination
Power Window And Lock Switch Illumination
G201
G200
G401