GM Service Manual Online
For 1990-2009 cars only
Makes
🢒
Chevrolet
🢒
2000
🢒
Express
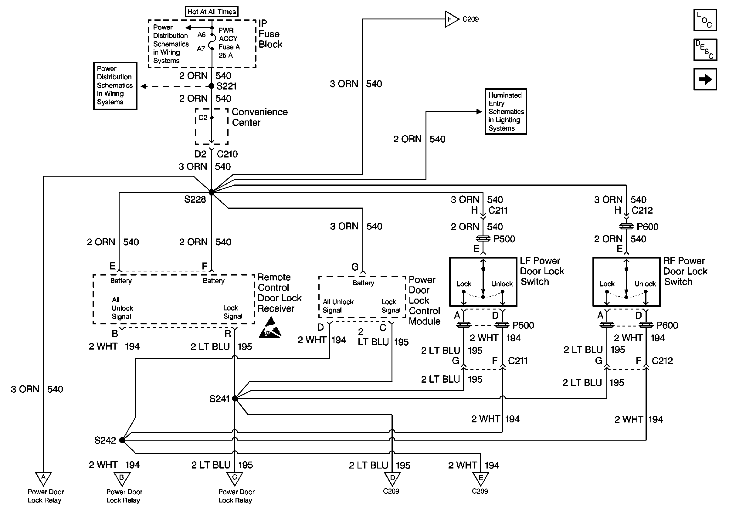
🢒 Keyless Entry: Power Feeds
Keyless Entry: Power Feeds
Keyless Entry: Power Feeds
Keyless Entry Components
Keyless Entry System Circuit Description
Power Door Lock Module & RR Door Lock Switch
PWR ACCY Fuse
PWR ACCY Fuse
Power Door Lock Module & RR Door Lock Switch
PWR ACCY, GAUGES, And PARK LPS Fuses
Handling ESD Sensitive Parts Notice
Power Door Lock Relay & Grounds
Power Door Lock Relay & Grounds
Power Door Lock Relay & Grounds
Power Door Lock Module & RR Door Lock Switch
Power Door Lock Module & RR Door Lock Switch