GM Service Manual Online
For 1990-2009 cars only
Makes
🢒
Chevrolet
🢒
2000
🢒
Express
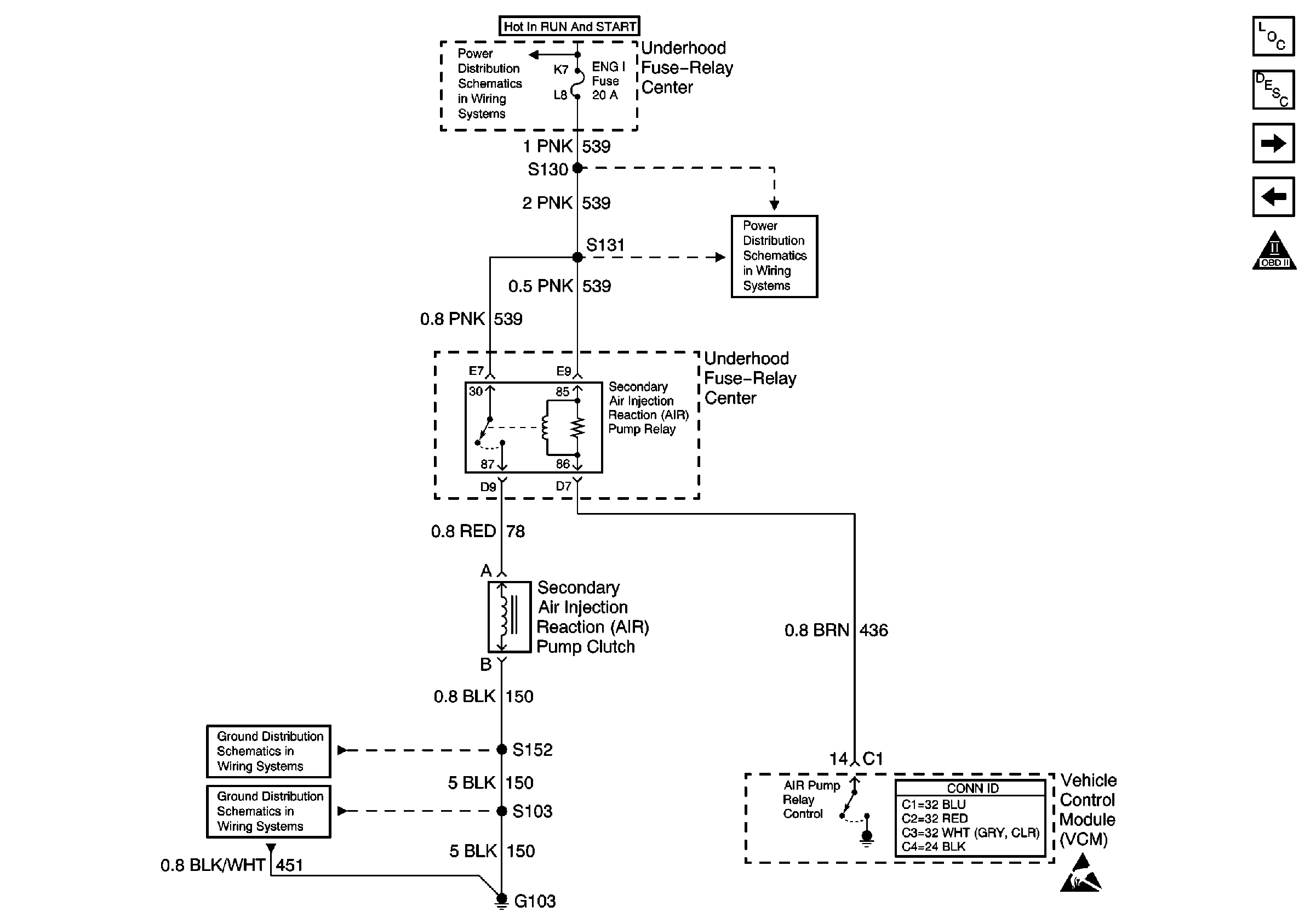
🢒 Secondary AIR Controls
Secondary AIR Controls
Secondary AIR Controls
Engine Controls Components
Vehicle Control Module Description
4L80-E Transmission Solenoid Controls
Vehicle Speed Sensor, IAC, and Cruise Control
OBD II Symbol Description Notice
IGN A, IGN B Fuses, and Ignition Switch
ENG 1 Fuse (6.5L and 7.4L)
Components through S152 to G103 (Gasoline Engines)
G103 (7.4L Engine)
Handling ESD Sensitive Parts Notice