GM Service Manual Online
For 1990-2009 cars only
Makes
🢒
Chevrolet
🢒
2000
🢒
Express
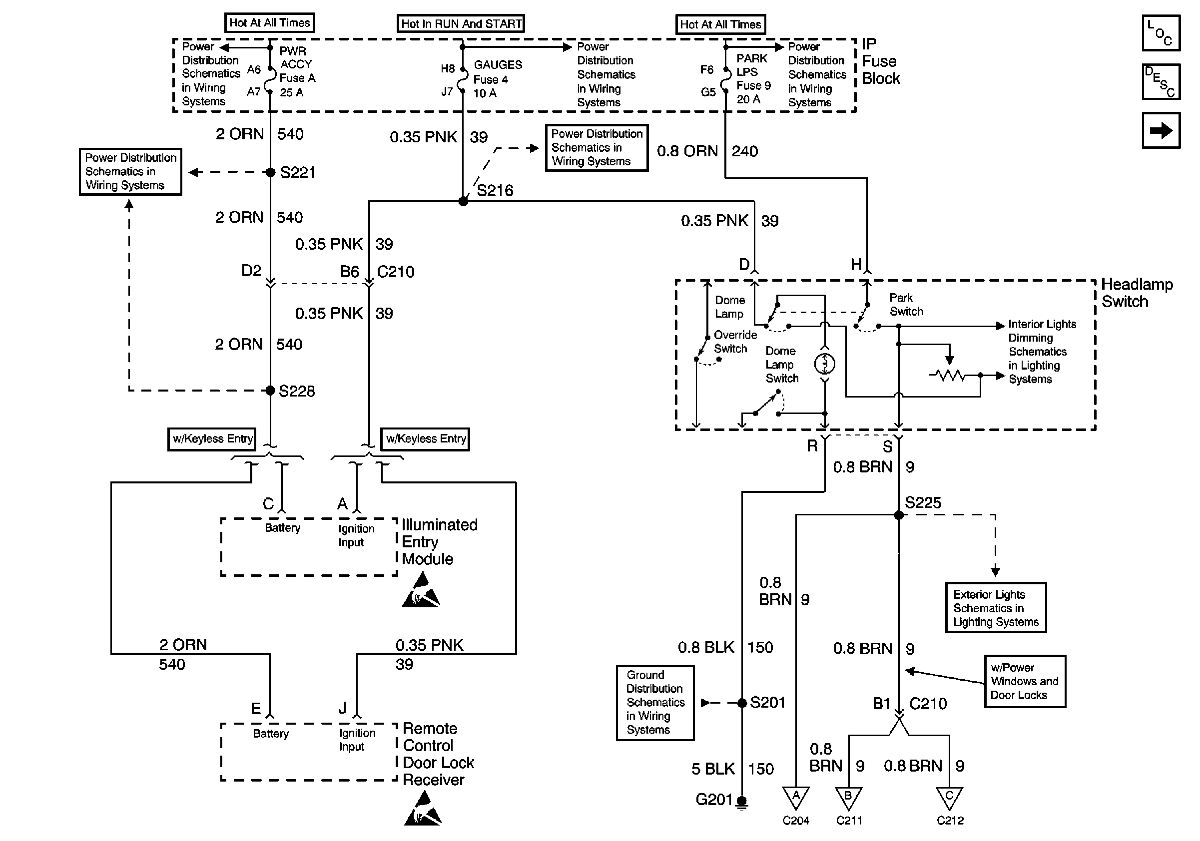
🢒 PWR ACCY, GAUGES, And PARK LPS Fuses
PWR ACCY, GAUGES, And PARK LPS Fuses
PWR ACCY, GAUGES, And PARK LPS Fuses
Lighting Systems Components
Interior Lights Circuit Description
Power Window And Lock Switch Illumination
LIGHTING and BATT Fuses
IGN A, IGN B Fuses, and Ignition Switch
LIGHTING and BATT Fuses
PWR ACCY Fuse
GAUGES Fuse
Handling ESD Sensitive Parts Notice
Handling ESD Sensitive Parts Notice
ILLUM and PARK LPS Fuses
Sunshade, Ashtray, And IP Compartment Lamps
Power Window And Lock Switch Illumination
Power Window And Lock Switch Illumination
G201
PARK LPS, TURN B/U, HAZARD, STOP Fuses