GM Service Manual Online
For 1990-2009 cars only
Makes
🢒
Chevrolet
🢒
2000
🢒
Express
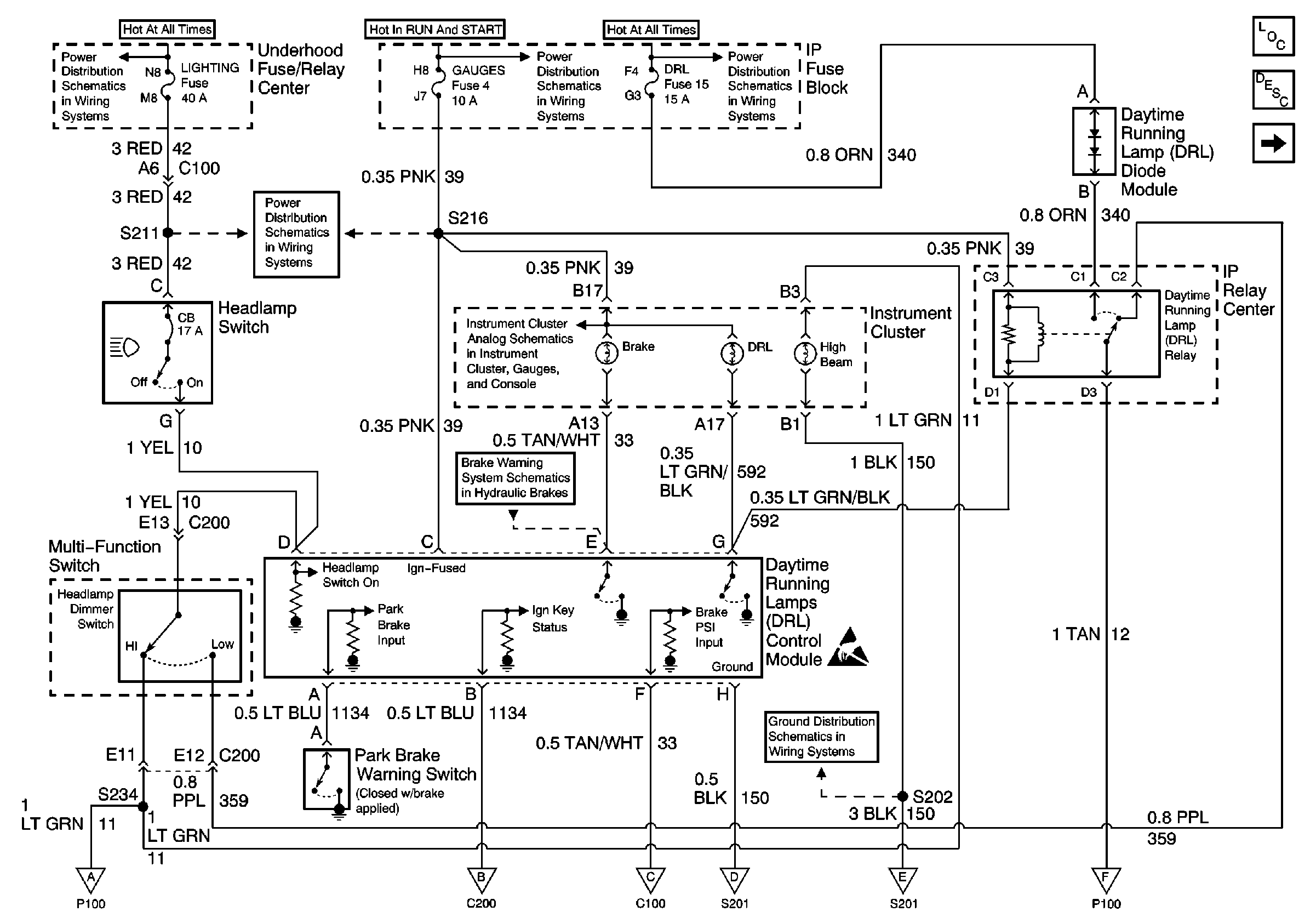
🢒 DRL Diode Module, DRL Relay, DRL Control Module, Headlamp Switch
DRL Diode Module, DRL Relay, DRL Control Module, Headlamp Switch
DRL Diode Module, DRL Relay, DRL Control Module, Headlamp Switch
Lighting Systems Components
Headlights/Daytime Running Lights (DRL) Circuit Description Domestic
Headlamps, Brake Pressure Differential Switch
LIGHTING and BATT Fuses
IGN A, IGN B Fuses, and Ignition Switch
LIGHTING and BATT Fuses
LIGHTING and BATT Fuses
GAUGES Fuse, WATER-IN-FUEL Indicator Sensor, G103
PWR, Switch and Alarm Delay Module
Handling ESD Sensitive Parts Notice
Components through S202 and S205 to G201
Headlamps, Brake Pressure Differential Switch
Headlamps, Brake Pressure Differential Switch
Headlamps, Brake Pressure Differential Switch
Headlamps, Brake Pressure Differential Switch
Headlamps, Brake Pressure Differential Switch
Headlamps, Brake Pressure Differential Switch