GM Service Manual Online
For 1990-2009 cars only
Makes
🢒
Chevrolet
🢒
2000
🢒
Express
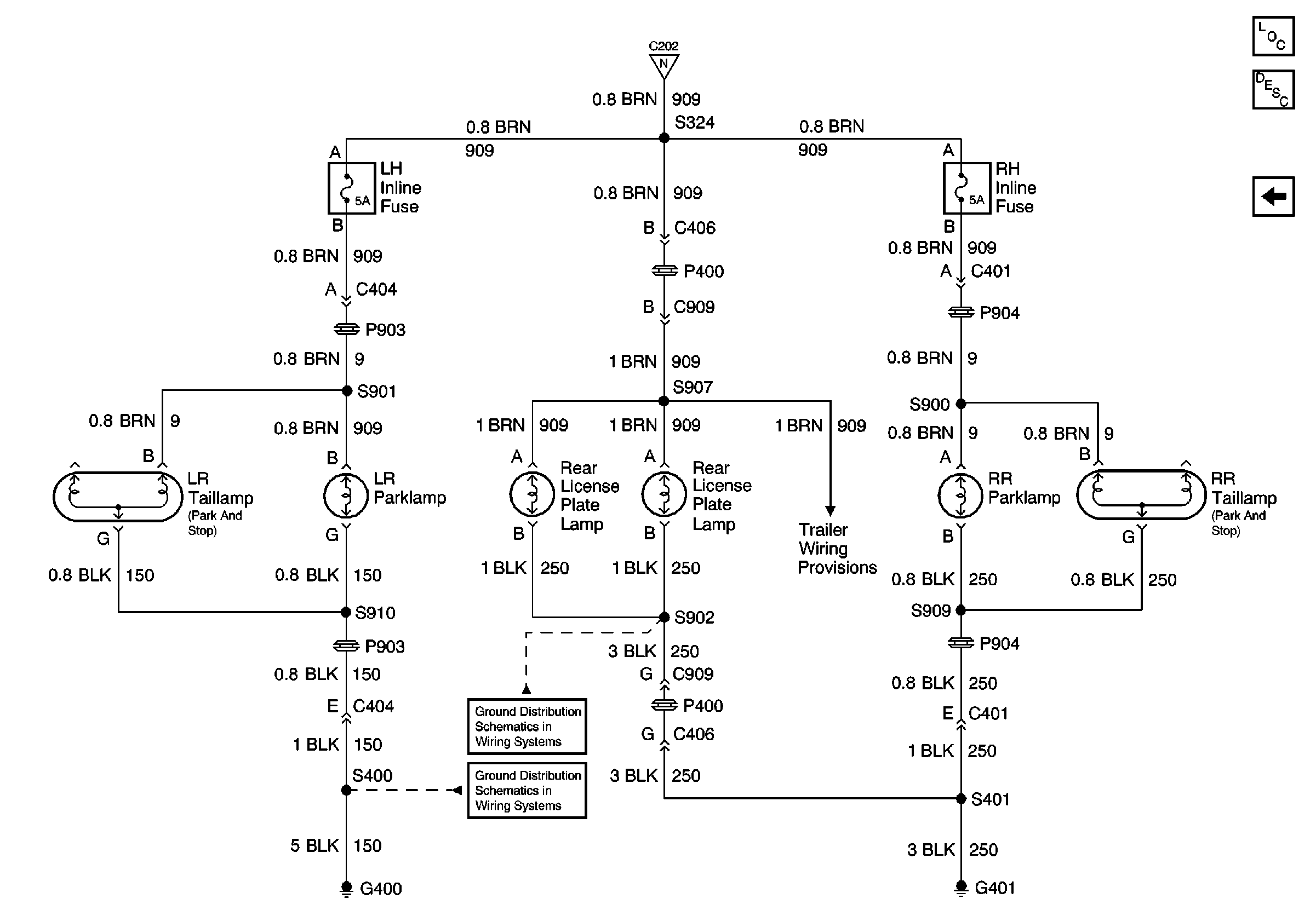
🢒 Rear Lamps
Rear Lamps
Rear Lamps
Lighting Systems Components
Headlights/Daytime Running Lights (DRL) Circuit Description Export
Headlamps, Brake Pressure Differential Switch
DRL Relay, DRL Rear Parklamp Relay
G401
G400