GM Service Manual Online
For 1990-2009 cars only
Makes
🢒
Chevrolet
🢒
2000
🢒
Express
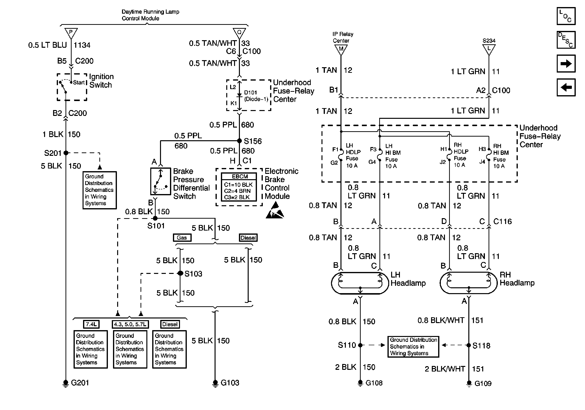
🢒 Headlamps, Brake Pressure Differential Switch
Headlamps, Brake Pressure Differential Switch
Headlamps, Brake Pressure Differential Switch
Lighting Systems Components
Headlights/Daytime Running Lights (DRL) Circuit Description Export
Rear Lamps
DRL Relay, DRL Rear Parklamp Relay
Headlamp Switch, DRL Control Module
Headlamp Switch, DRL Control Module
G201
G103 (7.4L Engine)
G103 (4.3L, 5.0L, and 5.7L Engines)
G103 (6.5L Engine)
Handling ESD Sensitive Parts Notice
DRL Relay, DRL Rear Parklamp Relay
G108 and G109 (Export)
Headlamp Switch, DRL Control Module