GM Service Manual Online
For 1990-2009 cars only
Makes
🢒
Chevrolet
🢒
2000
🢒
Express
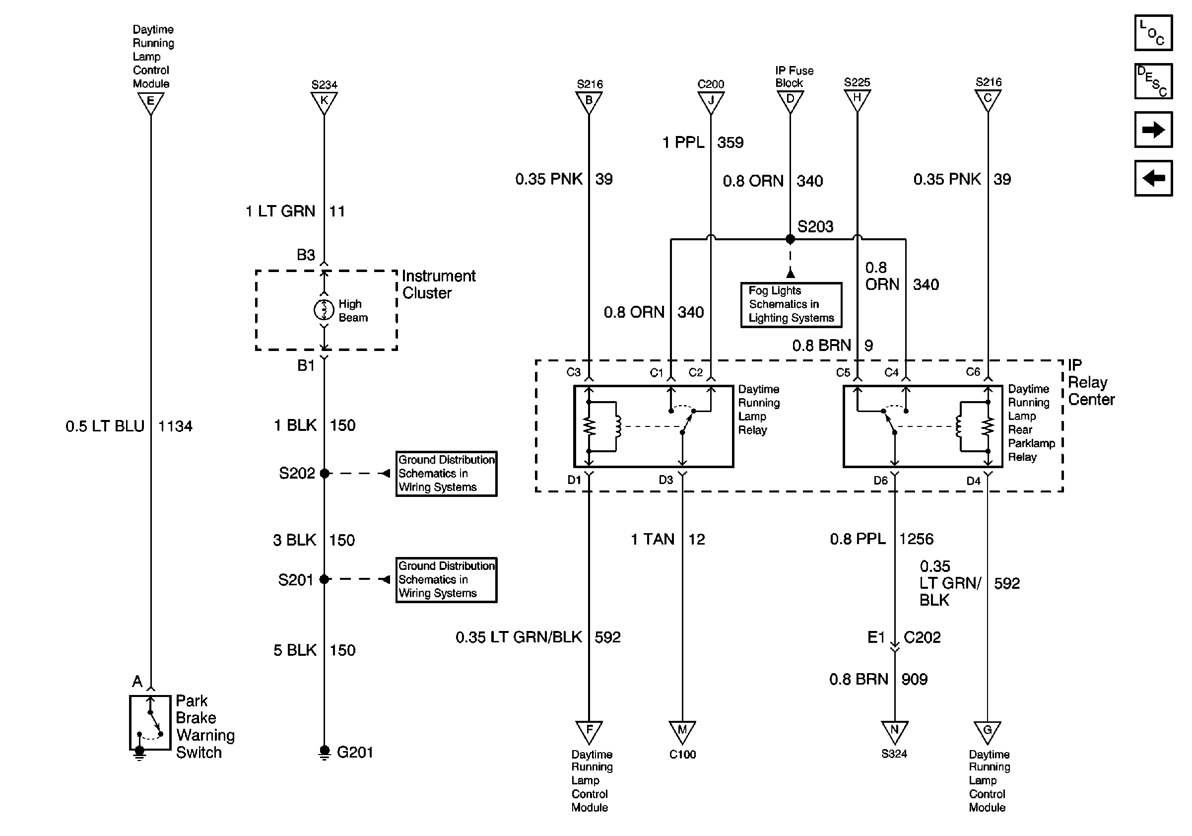
🢒 DRL Relay, DRL Rear Parklamp Relay
DRL Relay, DRL Rear Parklamp Relay
DRL Relay, DRL Rear Parklamp Relay
Lighting Systems Components
Headlights/Daytime Running Lights (DRL) Circuit Description Export
Headlamps, Brake Pressure Differential Switch
Headlamp Switch, DRL Control Module
Headlamp Switch, DRL Control Module
Headlamp Switch, DRL Control Module
Headlamp Switch, DRL Control Module
Headlamps, Brake Pressure Differential Switch
Headlamp Switch, DRL Control Module
Components through S202 and S205 to G201
G201
Headlamp Switch, DRL Control Module
Rear Lamps
Rear Fog Lamp
Headlamp Switch, DRL Control Module
Headlamp Switch, DRL Control Module
Headlamp Switch, DRL Control Module
Headlamp Switch, DRL Control Module