GM Service Manual Online
For 1990-2009 cars only
Makes
🢒
Chevrolet
🢒
2000
🢒
Express
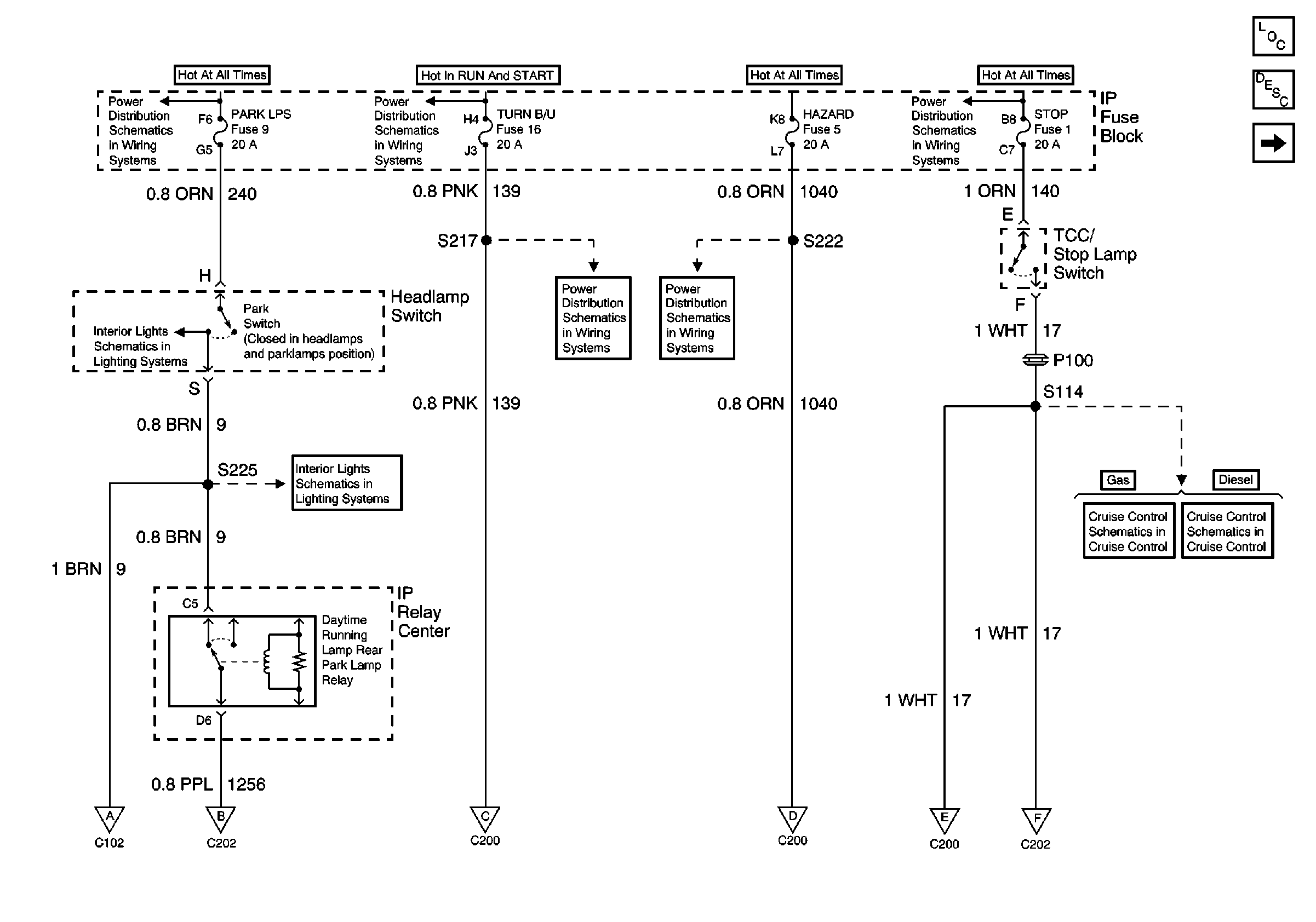
🢒 PARK LPS, TURN B/U, HAZARD, and STOP Fuses
PARK LPS, TURN B/U, HAZARD, and STOP Fuses
PARK LPS, TURN B/U, HAZARD, and STOP Fuses
Lighting Systems Components
Exterior Lights Circuit Description Export
Turn/Hazard Lamp Flasher
PARK LPS, SECURITY STRG, and DRL Fuses
IGN A, IGN B Fuses, and Ignition Switch
STOP, PWR AUX, CIG LTR, and RADIO B Fuses
PWR ACCY, GAUGES, And PARK LPS Fuses
PWR ACCY, GAUGES, And PARK LPS Fuses
Front Lamps
Rear Lamps
CTSY, AIR BAGS, and TURN B/U Fuses
PWR WDO, HTD MIR, RR DEFOG, and HAZARD Fuses
Turn/Hazard Lamp Flasher
Turn/Hazard Lamp Flasher
Turn/Hazard Lamp Flasher
Rear Lamps
Cruise Control System-Gasoline Engines
Cruise Control System-Diesel Engines