GM Service Manual Online
For 1990-2009 cars only
Makes
🢒
Chevrolet
🢒
2000
🢒
Express
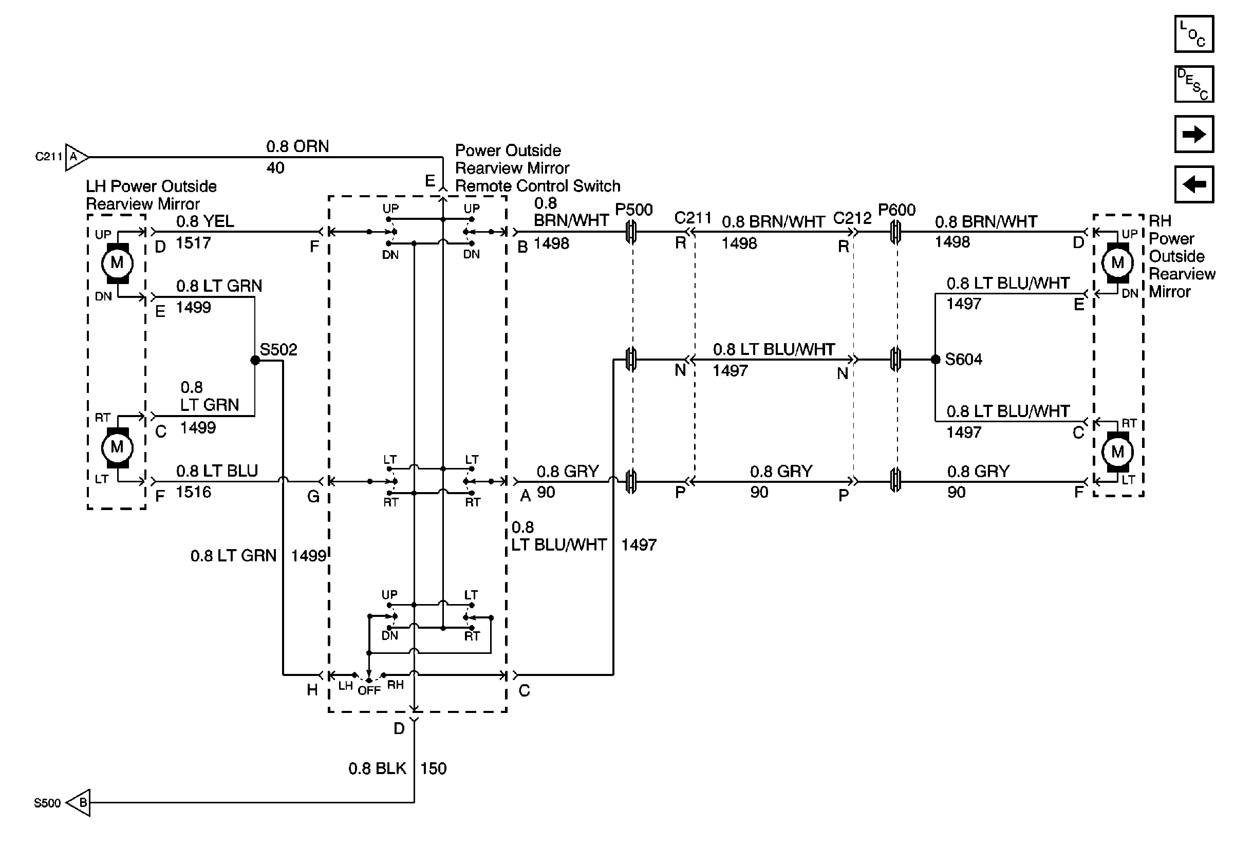
🢒 Power Mirror Switch and Motors
Power Mirror Switch and Motors
Power Mirror Switch and Motors
Power Door Systems Components
Power Windows Circuit Description
Heated Outside Mirrors
CTSY Fuse, G200, G201
CTSY Fuse, G200, G201
CTSY Fuse, G200, G201