GM Service Manual Online
For 1990-2009 cars only
Makes
🢒
Chevrolet
🢒
2000
🢒
Express
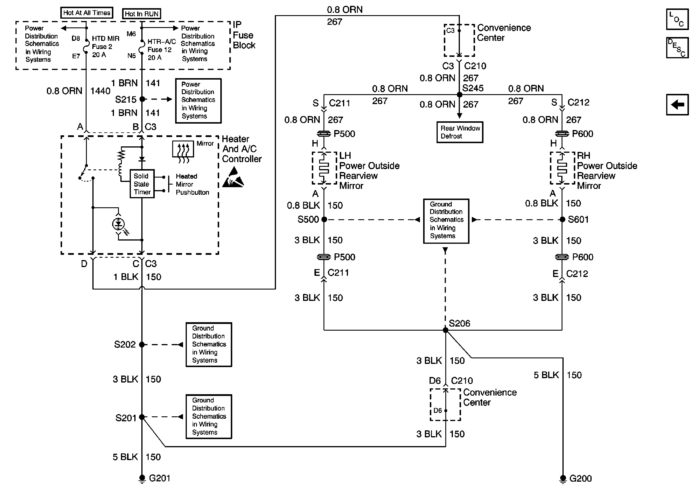
🢒 Heated Outside Mirrors
Heated Outside Mirrors
Heated Outside Mirrors
Power Door Systems Components
Heated Mirror Circuit Description
Power Mirror Switch and Motors
Handling ESD Sensitive Parts Notice
CRUISE, HTR A/C, and BRAKE Fuses
IGN A, IGN B Fuses, and Ignition Switch
LIGHTING and BATT Fuses
G200
Components through S202 and S205 to G201
G201
Rear Window Defogger Relay