GM Service Manual Online
For 1990-2009 cars only
Makes
🢒
Chevrolet
🢒
2000
🢒
Express
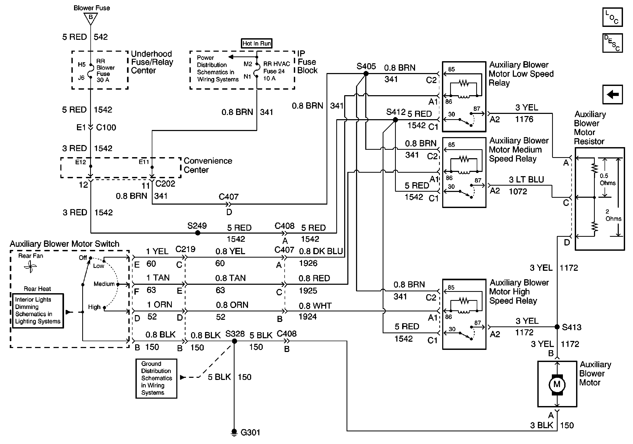
🢒 RR BLOWER and RR HVAC Fuses, Auxiliary Blower Motor, G301, School Bus(B3D)
RR BLOWER and RR HVAC Fuses, Auxiliary Blower Motor, G301, School Bus(B3D)
RR BLOWER and RR HVAC Fuses, Auxiliary Blower Motor, G301, School Bus (B3D)
HVAC Components
HVAC Blower Controls Circuit Description
RR BLOWER and RR HVAC Fuses, Auxiliary Blower Motor, G400
BLOWER and HTR-A/C Fuses, Heater and A/C Controller, Blower Motor,G103
IGN A, IGN B Fuses, and Ignition Switch
ILLUM and PARK LPS Fuses
G202 and G301