GM Service Manual Online
For 1990-2009 cars only
Makes
🢒
Chevrolet
🢒
2000
🢒
Express
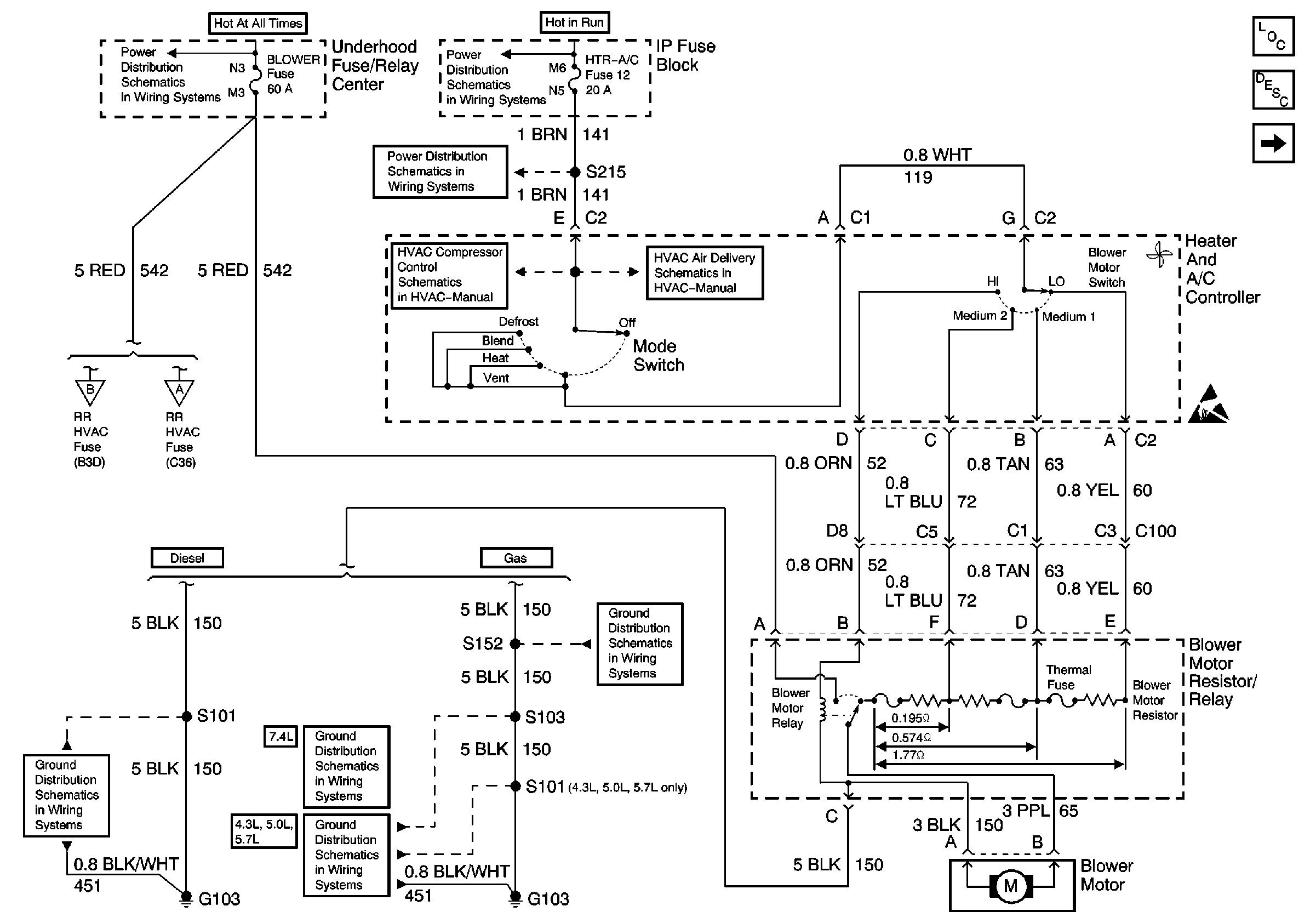
🢒 BLOWER and HTR-A/C Fuses, Heater and A/C Controller, Blower Motor,G103
BLOWER and HTR-A/C Fuses, Heater and A/C Controller, Blower Motor,G103
BLOWER and HTR-A/C Fuses, Heater and A/C Controller, Blower Motor, G103
HVAC Components
HVAC Blower Controls Circuit Description
RR BLOWER and RR HVAC Fuses, Auxiliary Blower Motor, G400
IGN A, IGN B Fuses, and Ignition Switch
Battery, Auxiliary Battery, and Underhood Fuse/Relay Center
RR BLOWER and RR HVAC Fuses, Auxiliary Blower Motor, G400
RR BLOWER and RR HVAC Fuses, Auxiliary Blower Motor, G301, School Bus(B3D)
HTR-A/C Fuse, Front Heater and A/C Controller, G201
G103 (7.4L Engine)
G103 (4.3L, 5.0L, and 5.7L Engines)
CRUISE, HTR A/C, and BRAKE Fuses
HTR-A/C Fuse, A/C Compressor High Pressure Cutoff Switch, A/C COMPRESsOr Low Pressure Cutout Switch (Diesel), G201
Components through S152 to G103 (Gasoline Engines)
G103 (6.5L Engine)
Handling ESD Sensitive Parts Notice