GM Service Manual Online
For 1990-2009 cars only
Makes
🢒
Chevrolet
🢒
2000
🢒
Express
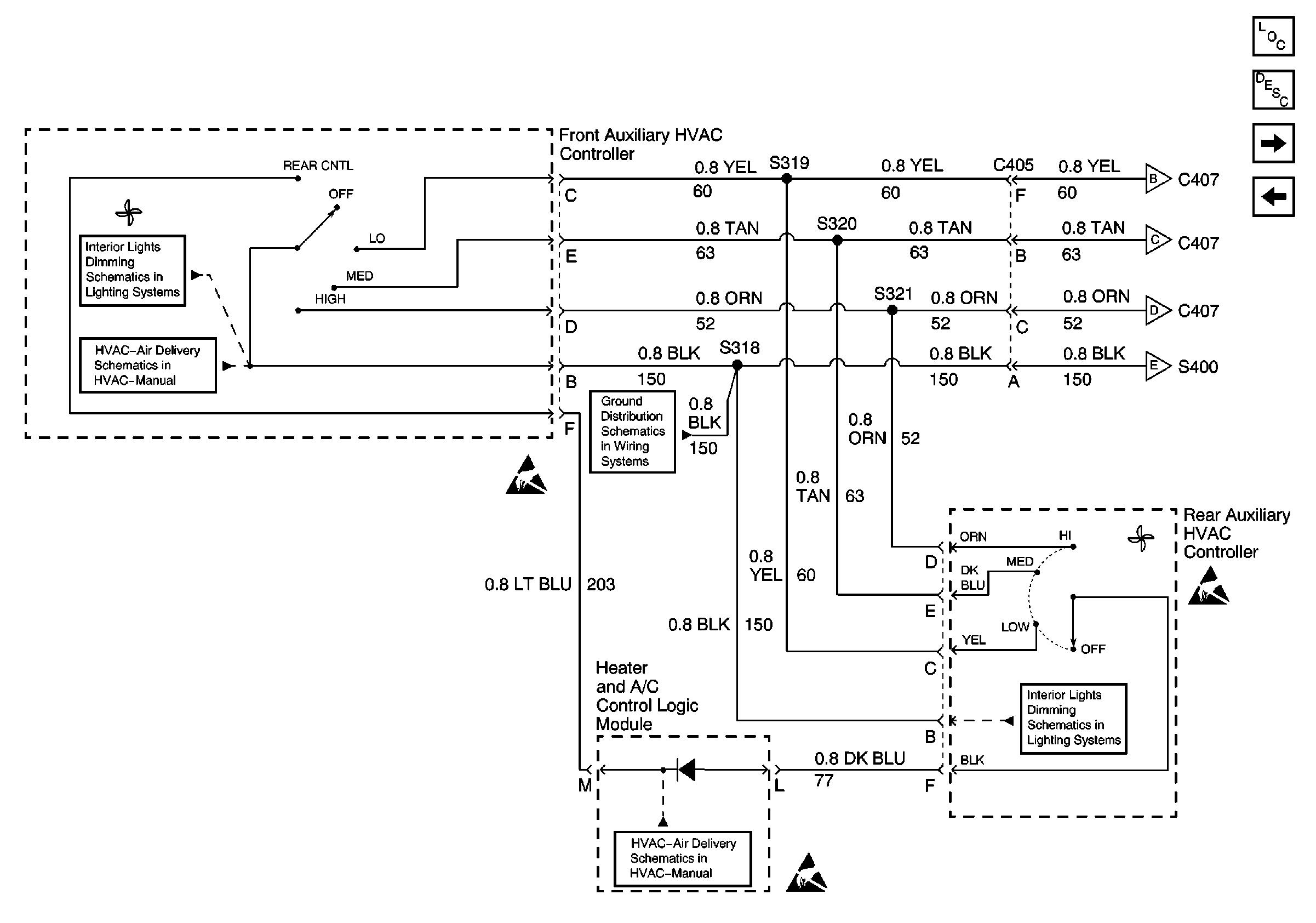
🢒 Front and Rear Auxiliary HVAC Control Modules (Passenger)
Front and Rear Auxiliary HVAC Control Modules (Passenger)
Front and Rear Auxiliary HVAC Control Modules (Passenger)
HVAC Components
HVAC Blower Controls Circuit Description
Front Auxiliary HVAC Control Module (Cargo)
BLOWER and HTR-A/C Fuses, Blower Controls, Blower Motor, G103
RR BLOWER and RR HVAC Fuses, Auxiliary Blower Motor, G400
RR BLOWER and RR HVAC Fuses, Auxiliary Blower Motor, G400
RR BLOWER and RR HVAC Fuses, Auxiliary Blower Motor, G400
RR BLOWER and RR HVAC Fuses, Auxiliary Blower Motor, G400
ILLUM and PARK LPS Fuses
ILLUM and PARK LPS Fuses
HTR-A/C Fuse, Front Heater and A/C Controller, G201
Handling ESD Sensitive Parts Notice
G400
HTR-A/C Fuse, Front Heater and A/C Controller, G201
Handling ESD Sensitive Parts Notice
Handling ESD Sensitive Parts Notice