GM Service Manual Online
For 1990-2009 cars only
Makes
🢒
Chevrolet
🢒
2000
🢒
Express
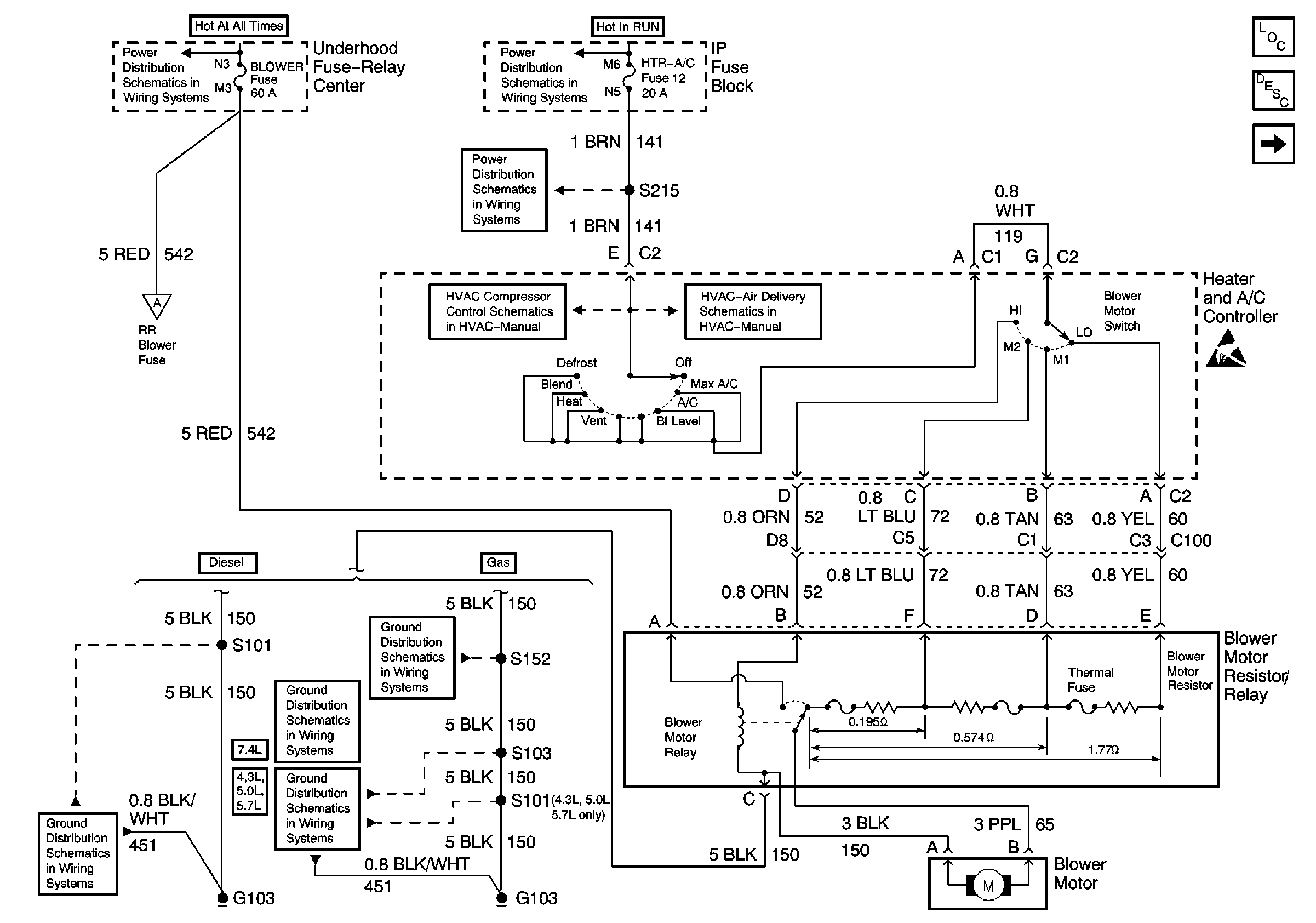
🢒 BLOWER and HTR-A/C Fuses, Blower Controls, Blower Motor, G103
BLOWER and HTR-A/C Fuses, Blower Controls, Blower Motor, G103
BLOWER and HTR-A/C Fuses, Blower Controls, Blower Motor, G103
HVAC Components
HVAC Blower Controls Circuit Description
Front and Rear Auxiliary HVAC Control Modules (Passenger)
Battery, Auxiliary Battery, and Underhood Fuse/Relay Center
IGN A, IGN B Fuses, and Ignition Switch
CRUISE, HTR A/C, and BRAKE Fuses
HTR-A/C Fuse, Front Heater and A/C Controller, G201
RR BLOWER and RR HVAC Fuses, Auxiliary Blower Motor, G400
HTR-A/C Fuse, A/C Compressor High Pressure Cutoff Switch, A/C COMPRESsOr Low Pressure Cutout Switch (Diesel), G201
Components through S152 to G103 (Gasoline Engines)
Handling ESD Sensitive Parts Notice
G103 (6.5L Engine)
G103 (7.4L Engine)
G103 (4.3L, 5.0L, and 5.7L Engines)