GM Service Manual Online
For 1990-2009 cars only
Makes
🢒
Chevrolet
🢒
2000
🢒
Express
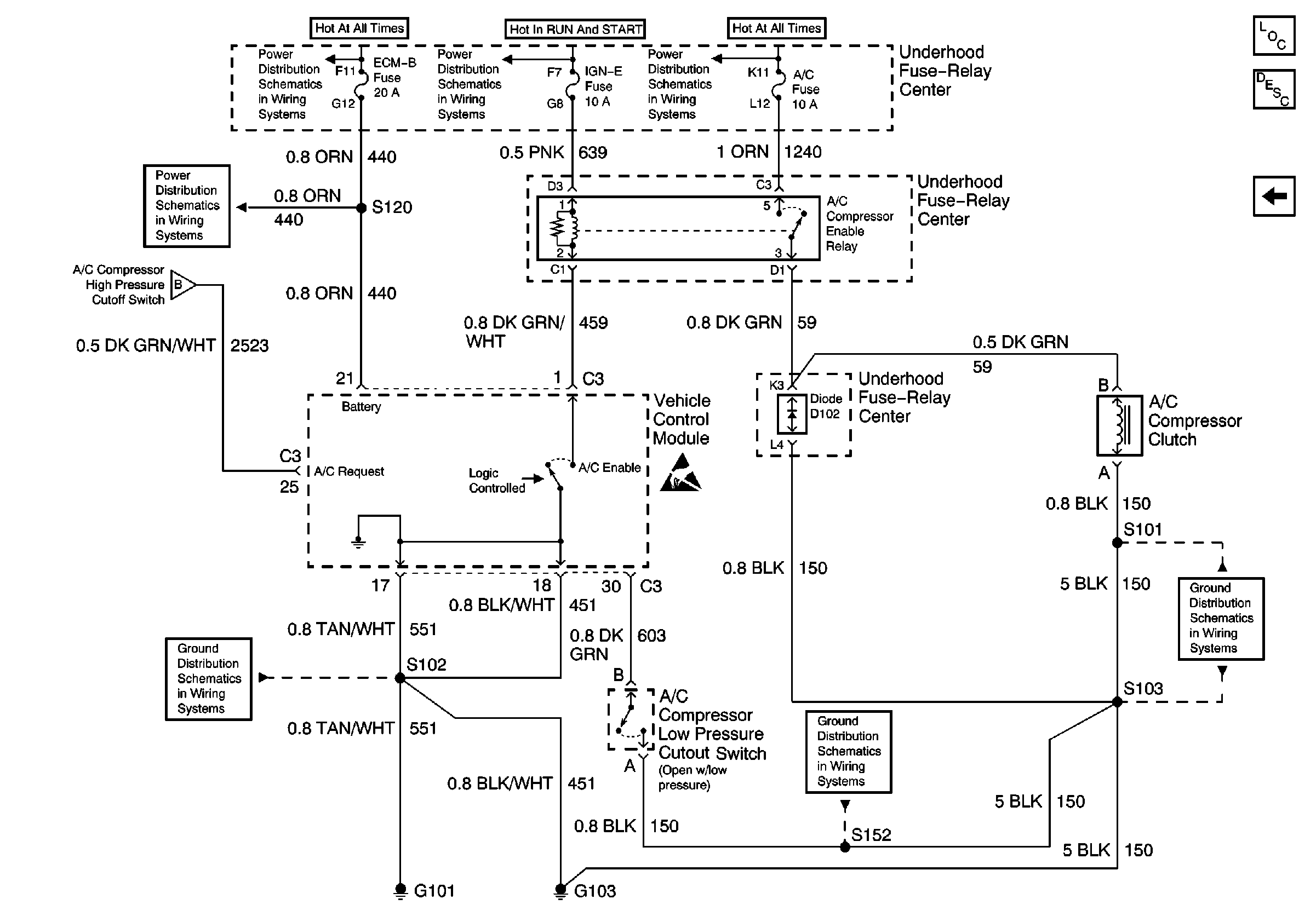
🢒 ECM-B, IGN-E, A/C Fuses; Compressor Clutch, A/C Compressor Low Pressure Cutout Switch, G101, G103 (7.4L)
ECM-B, IGN-E, A/C Fuses; Compressor Clutch, A/C Compressor Low Pressure Cutout Switch, G101, G103 (7.4L)
ECM-B, IGN-E, A/C Fuses; Compressor Clutch, A/C Compressor Low Pressure Cutout Switch, G101, G103 (7.4L)
HVAC Components
HVAC Compressor Controls Circuit Description
ECM-B, IGN-E, A/C Fuses; Compressor Clutch, G101, G103 (6.5L)
Battery, Auxiliary Battery, and Underhood Fuse/Relay Center
IGN A, IGN B Fuses, and Ignition Switch
Battery, Auxiliary Battery, and Underhood Fuse/Relay Center
ECM B, HORN, and A/C Fuses
HTR-A/C Fuse, A/C Compressor High Pressure Cutoff Switch, A/C COMPRESsOr Low Pressure Cutout Switch (Diesel), G201
Handling ESD Sensitive Parts Notice
G101 (Gasoline Engines)
Components through S152 to G103 (Gasoline Engines)
G103 (7.4L Engine)