GM Service Manual Online
For 1990-2009 cars only
Makes
🢒
Chevrolet
🢒
2001
🢒
Express
🢒 4.3L, 5.0L and 5.7L Engines
4.3L, 5.0L and 5.7L Engines
4.3L, 5.0L and 5.7L Engines
Master Electrical Component List
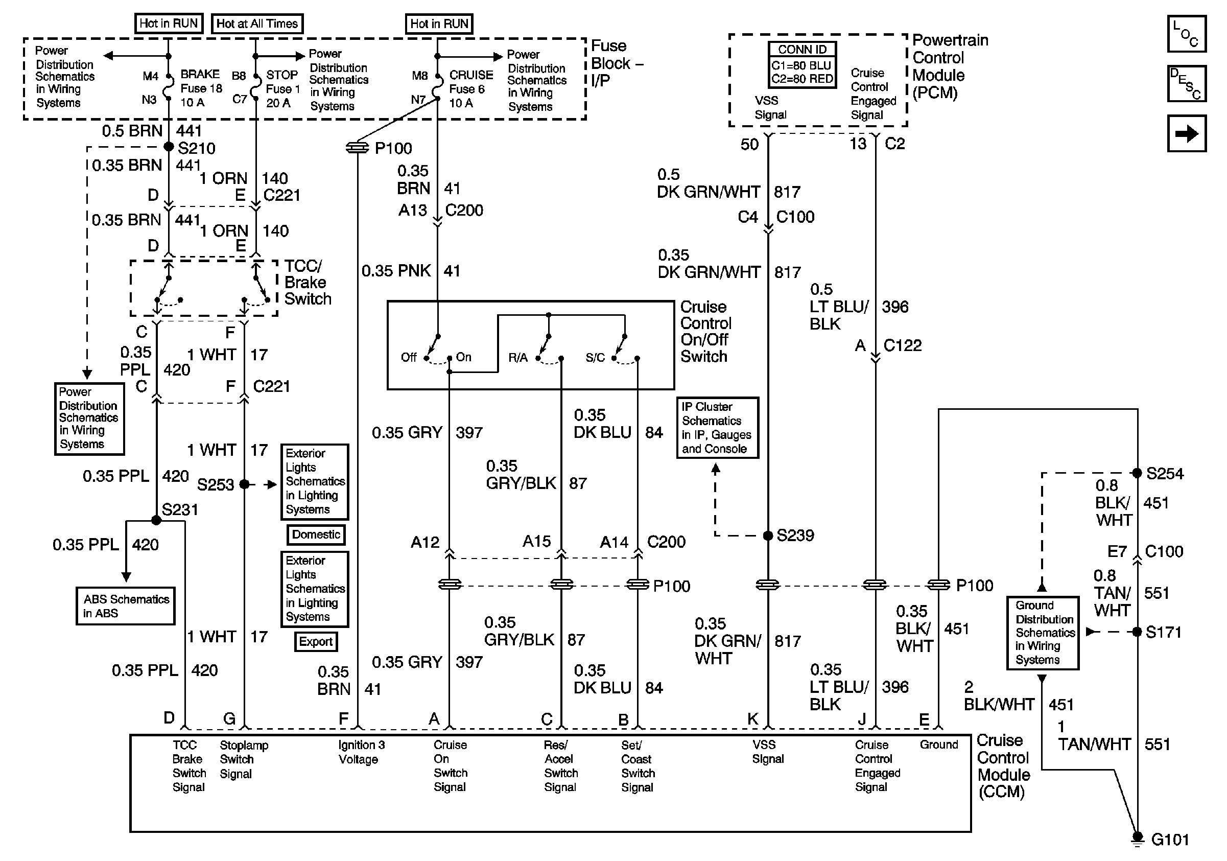
Cruise Control Description and Operation w/o ETC
6.5L Diesel Engine
Ignition A, Ignition B Fuses, and Ignition Switch
Lighting and Battery Fuses
Ignition A, Ignition B Fuses, and Ignition Switch
Cruise, Heater A/C, and Brake Fuses
Power, Ground, DLC and Indicator (Gas)
PARK LPS, TURN B/U, HAZARD, STOP Fuses
PARK LPS, TURN B/U, HAZARD, and STOP Fuses
Gauges
G101 (Gasoline Engines)