GM Service Manual Online
For 1990-2009 cars only
Makes
🢒
Chevrolet
🢒
2001
🢒
Express
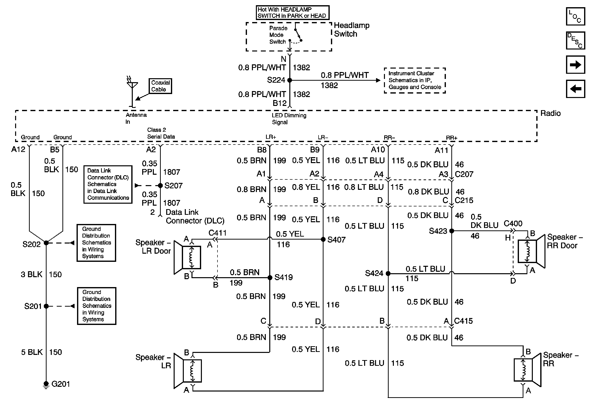
🢒 Rear Speakers
Rear Speakers
Rear Speakers
Master Electrical Component List
Radio/Audio System Description and Operation Class 2 Radio
Rear Speakers with Upfitter Provisions
PWR and Front Speakers
Headlamp Switch, Instrument Cluster, Park/Neutral Position Switch
Data Link Communications
Components through S202 and S205 to G201
G201