GM Service Manual Online
For 1990-2009 cars only
Makes
🢒
Chevrolet
🢒
2001
🢒
Express
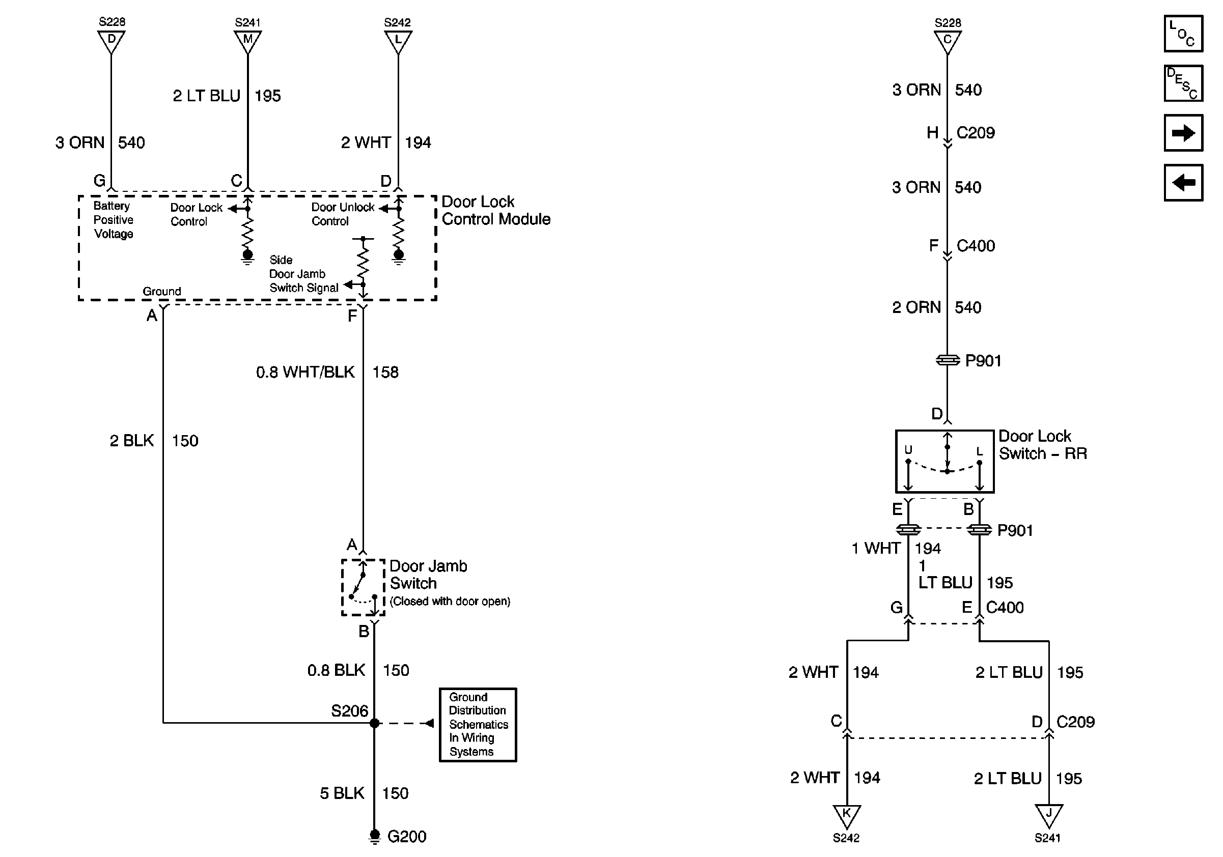
🢒 Power Door Lock Module, Door Jamb Switch, Door Lock Switch (Export Only)
Power Door Lock Module, Door Jamb Switch, Door Lock Switch (Export Only)
Power Door Lock Module, Door Jamb Switch, Door Lock Switch (Export Only)
Master Electrical Component List
Theft Systems Description and Operation
Power Door Lock Relay, VIM (Export Only)
I/P Fuse Block, Power Door Lock Switch, VIM (Export Only)
I/P Fuse Block, Power Door Lock Switch, VIM (Export Only)
I/P Fuse Block, Power Door Lock Switch, VIM (Export Only)
I/P Fuse Block, Power Door Lock Switch, VIM (Export Only)
G200
I/P Fuse Block, Power Door Lock Switch, VIM (Export Only)
I/P Fuse Block, Power Door Lock Switch, VIM (Export Only)
I/P Fuse Block, Power Door Lock Switch, VIM (Export Only)