GM Service Manual Online
For 1990-2009 cars only
Makes
🢒
Chevrolet
🢒
2001
🢒
Express
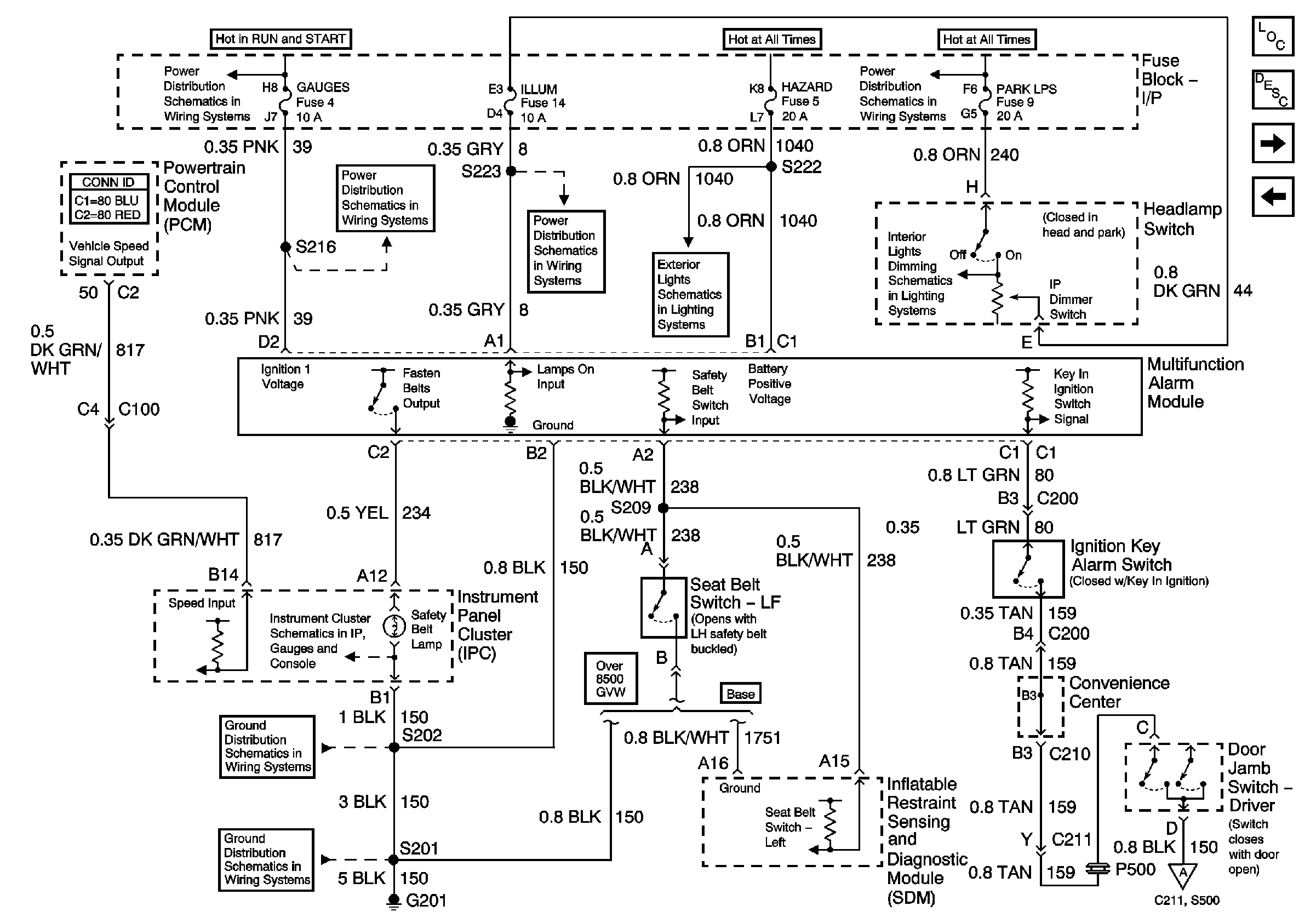
🢒 GAUGES, ILLUM, HAZARD, PARK LPS Fuses; Multi-Function Alarm Module; Left Front Door Jamb Switch; G201 (8.1L)
GAUGES, ILLUM, HAZARD, PARK LPS Fuses; Multi-Function Alarm Module; Left Front Door Jamb Switch; G201 (8.1L)
GAUGES, ILLUM, HAZARD, PARK LPS Fuses; Multi-Function Alarm Module; Left Front Door Jamb Switch; G201 (8.1L)
Master Electrical Component List
Audible Warnings Description and Operation
G200
GAUGES, ILLUM, HAZARD, PARK LPS Fuses; Multi-Function Alarm Module; Left Front Door Jamb Switch; G201 (6.5L Diesel)
Ignition A, Ignition B Fuses, and Ignition Switch
Gauges Fuse
Illumination Fuse and Headlamp Switch
Power Windows, Heated Mirrors, Rear Defogger, and Hazard Fuses
Lighting and Battery Fuses
ILLUM and PARK LPS Fuses
Headlamp Switch, Instrument Cluster, Park/Neutral Position Switch
Components through S202 and S205 to G201
G201
G200