GM Service Manual Online
For 1990-2009 cars only
Figure 1:

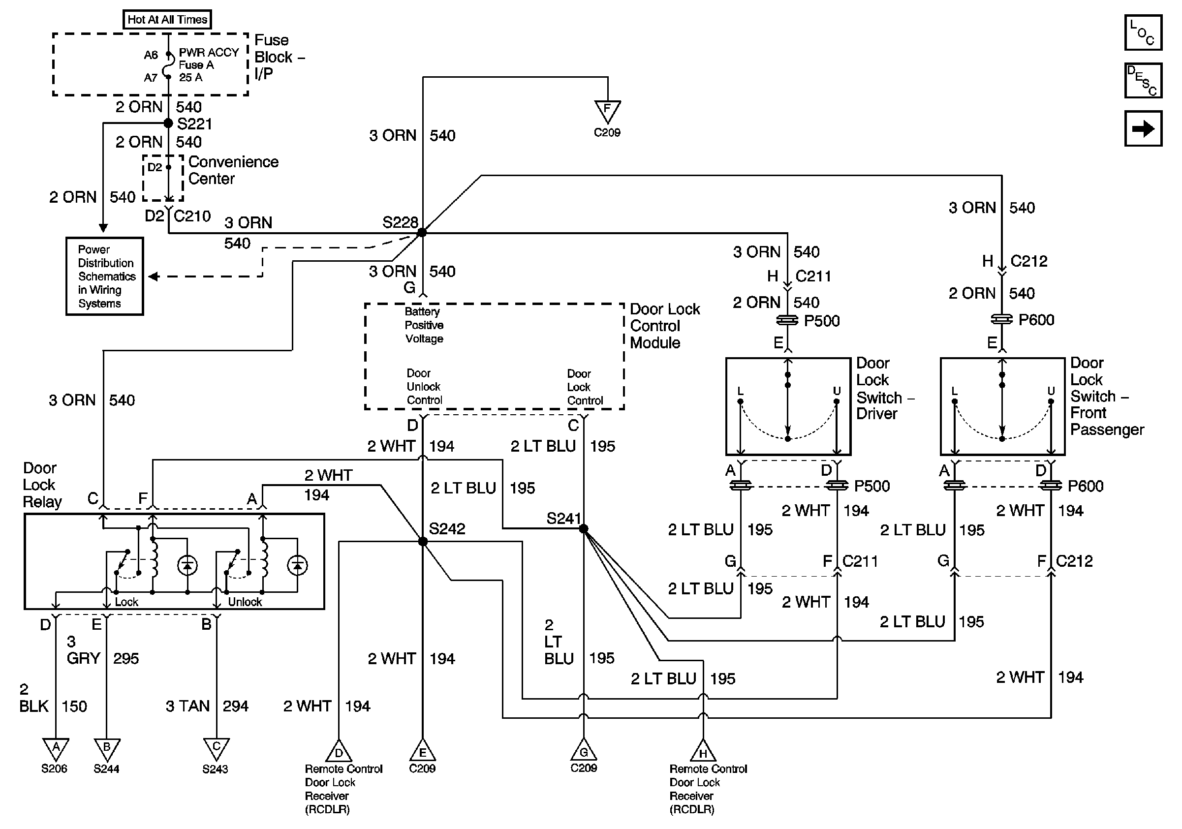
Front Power Door Lock Switches


Object Number: 769116  Size: FS
Master Electrical Component List
Power Door Locks Description and Operation
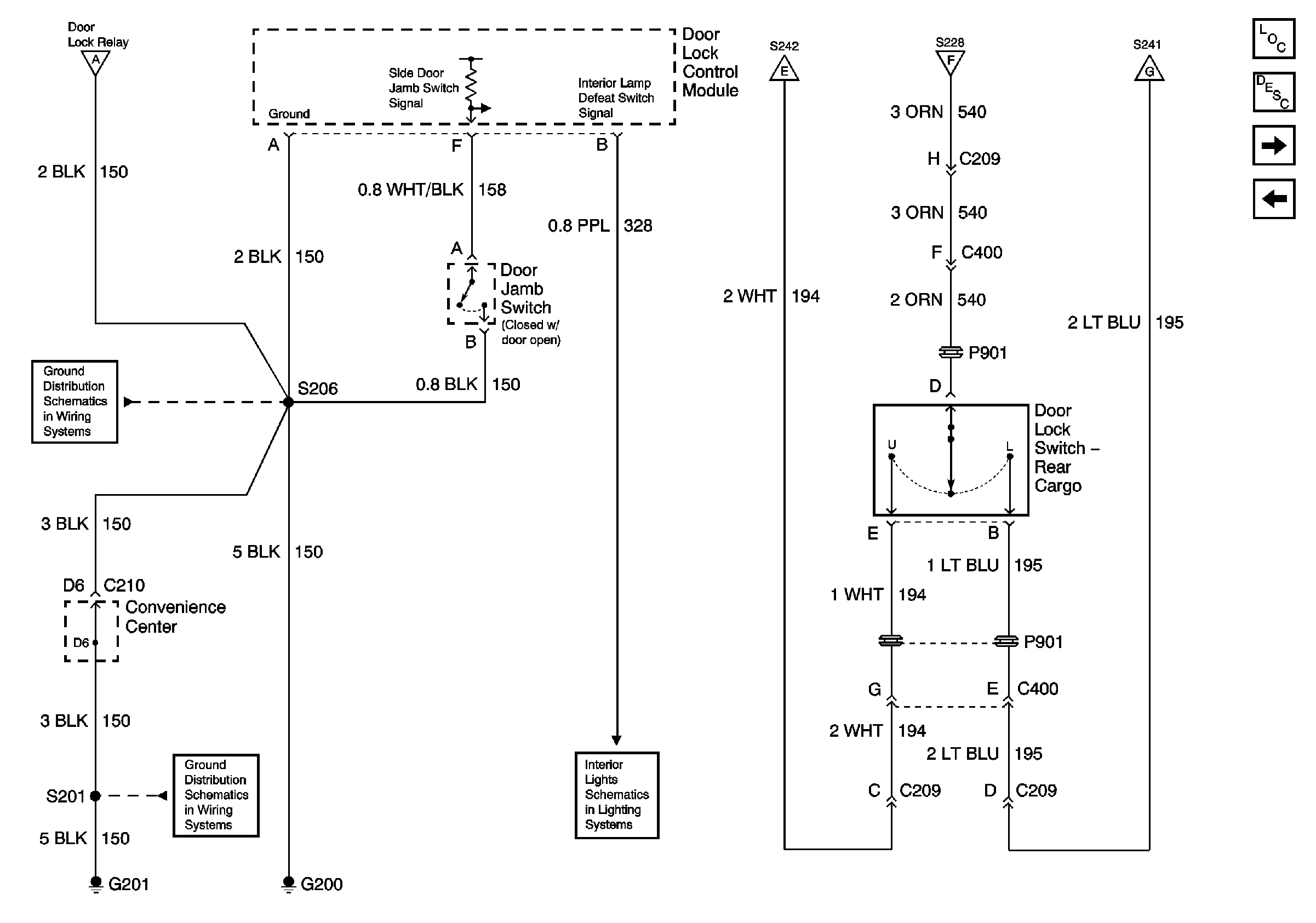
Rear Power Door Lock Switch
Rear Power Door Lock Switch
Power Accessory Fuse
Rear Power Door Lock Switch
Door Lock Actuator Motors
Door Lock Actuator Motors
Door Lock Actuator Motors
Rear Power Door Lock Switch
Rear Power Door Lock Switch
Door Lock Actuator Motors
Figure 2:

Rear Power Door Lock Switch


Object Number: 769117  Size: FS
Master Electrical Component List
Power Door Locks Description and Operation
Door Lock Actuator Motors
Front Power Door Lock Switches
Front Power Door Lock Switches
Front Power Door Lock Switches
Front Power Door Lock Switches
Front Power Door Lock Switches
G200
G201
Door Jamb Switches
Figure 3:

Door Lock Actuator Motors


Object Number: 769121  Size: FS
Master Electrical Component List
Power Door Locks Description and Operation
Rear Power Door Lock Switch
Front Power Door Lock Switches
Front Power Door Lock Switches
Front Power Door Lock Switches
Front Power Door Lock Switches