GM Service Manual Online
For 1990-2009 cars only
Makes
🢒
Chevrolet
🢒
2002
🢒
Express
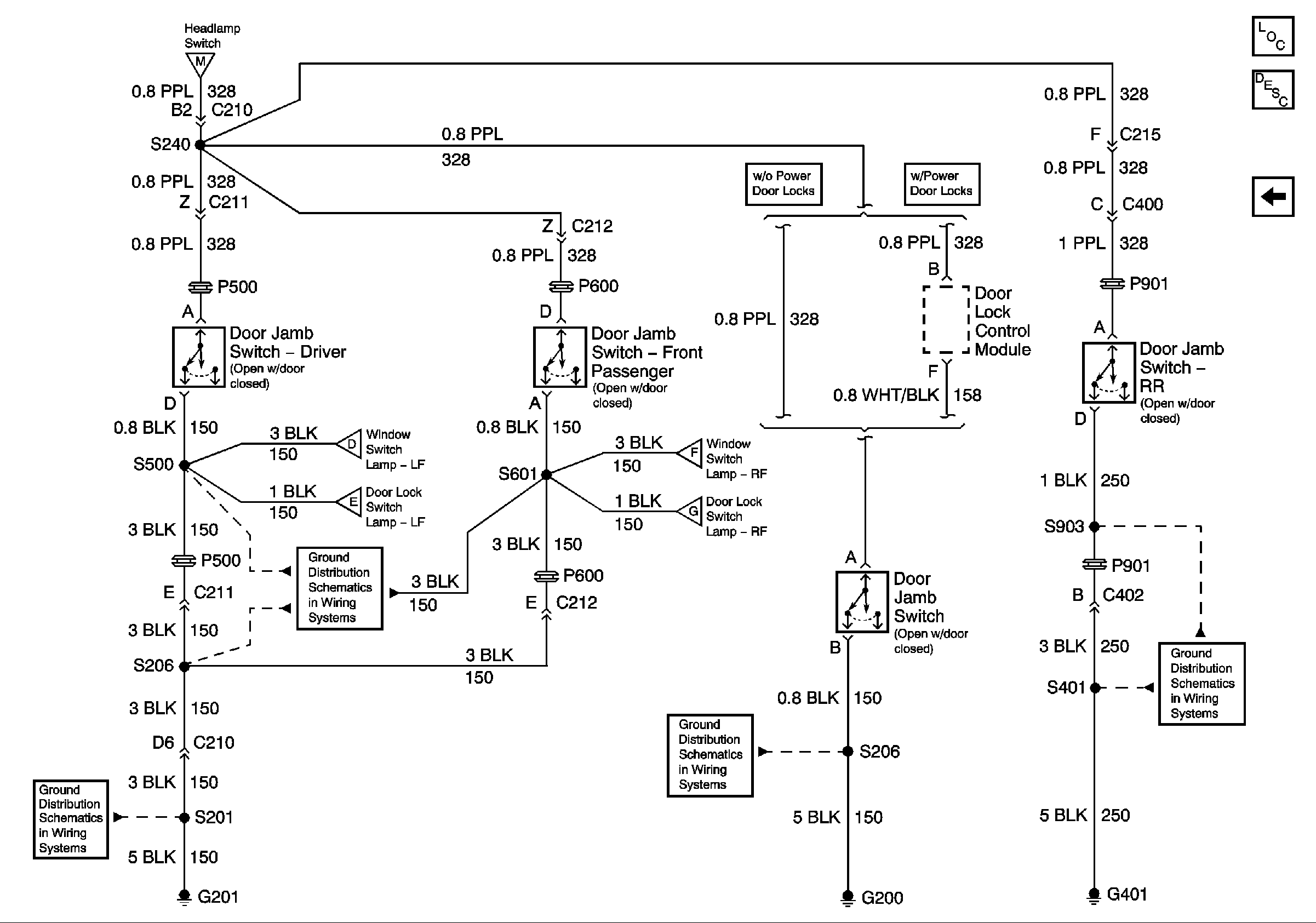
🢒 Door Jamb Switches
Door Jamb Switches
Door Jamb Switches
Master Electrical Component List
Interior Lighting Systems Description and Operation
Sunshade, Ashtray and IP Compartment Lamps
CTSY Fuse
G201
G200
Underhood Lamp, Power Window and Lock Switch Illumination
Underhood Lamp, Power Window and Lock Switch Illumination
Underhood Lamp, Power Window and Lock Switch Illumination
Underhood Lamp, Power Window and Lock Switch Illumination
G200
G401