GM Service Manual Online
For 1990-2009 cars only
Makes
🢒
Chevrolet
🢒
2002
🢒
Express
🢒 Device Controls
Device Controls
Device Controls
Master Electrical Component List
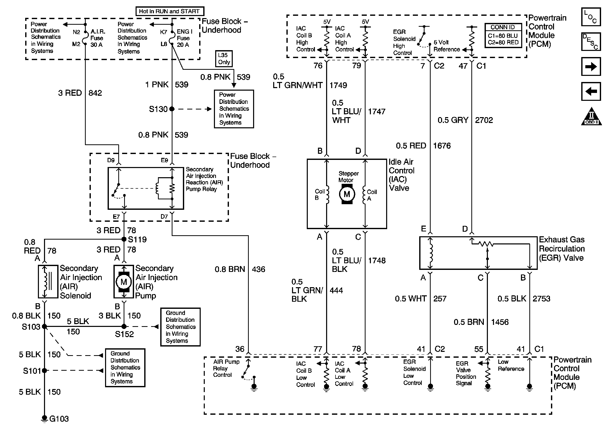
Powertrain Control Module Description
Controlled/Monitored Subsystem References
Fuel Controls: EVAP Controls
OBD II Symbol Description Notice
Ignition A, Ignition B Fuses, and Ignition Switch
Battery, Auxiliary Battery, and Underhood Fuse/Relay Center
Engine 1 Fuse - 4.3L, 5.0L, and 5.7L
G103 - 4.3L, 5.0L, and 5.7L Engines
Components through S152 to G103 - Gasoline Engines