GM Service Manual Online
For 1990-2009 cars only
Makes
🢒
Chevrolet
🢒
2002
🢒
Express
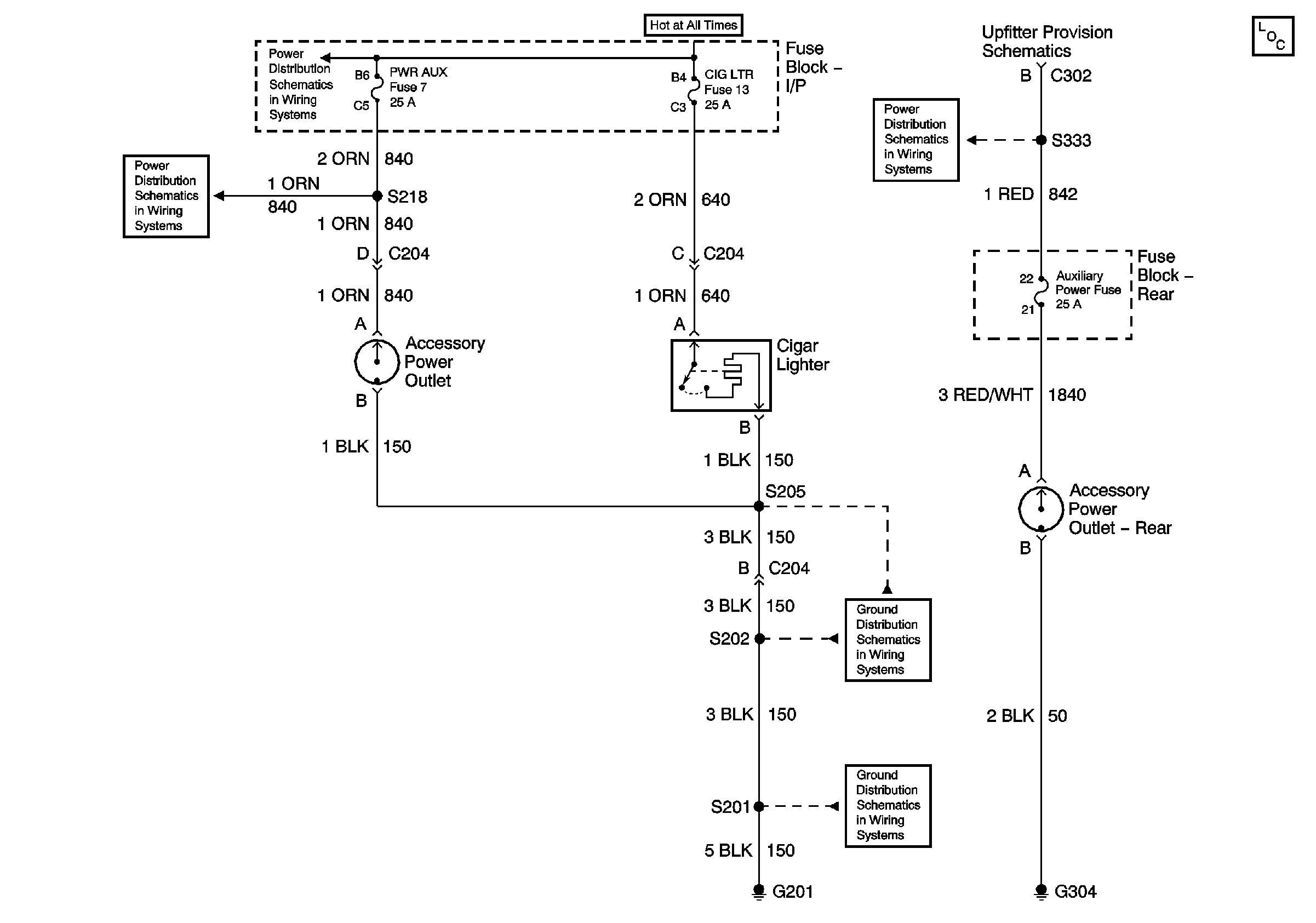
🢒 Cigar Lighter/Accessory Power Outlets
Cigar Lighter/Accessory Power Outlets
Master Electrical Component List
Lighting and Battery Fuses
Stop, Power Auxiliary, Cigar Lighter, and Radio B Fuses
Upfitter Provision Schematics
Power Amp, Fog Lamp, and Bose Amp Fuses
Components through S202 and S205 to G201
G201