GM Service Manual Online
For 1990-2009 cars only
Makes
🢒
Chevrolet
🢒
2002
🢒
Express
🢒 CTSY Fuse
CTSY Fuse
CTSY Fuse
Master Electrical Component List
Interior Lighting Systems Description and Operation
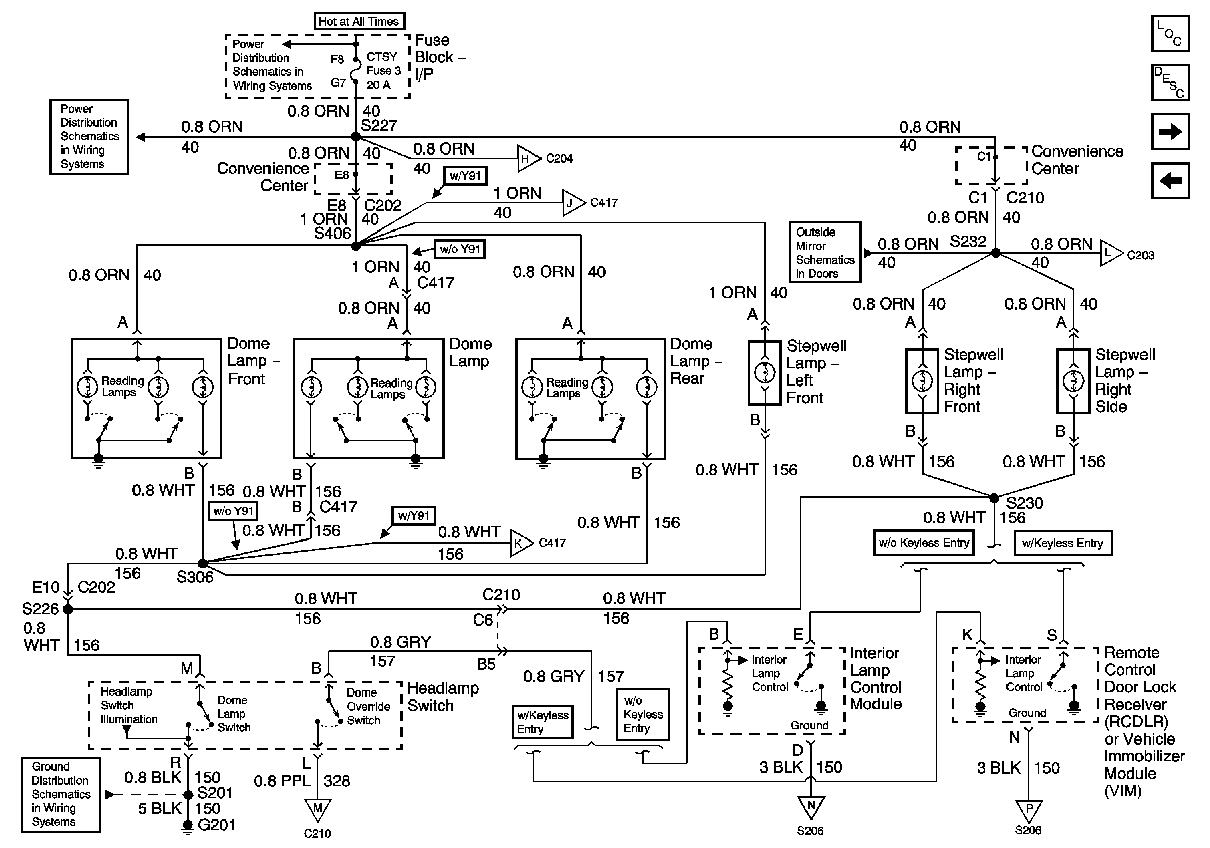
Dome and Reading Lamps with Y91
Underhood Lamp, Power Window and Lock Switch Illumination
Courtesy, Air Bags, and Turn Backup Fuses
Lighting and Battery Fuses
Sunshade, Ashtray and IP Compartment Lamps
Dome and Reading Lamps with Y91
CTSY Fuse, G200, G201
Sunshade, Ashtray and IP Compartment Lamps
G201
Door Jamb Switches
Dome and Reading Lamps with Y91
Sunshade, Ashtray and IP Compartment Lamps
Sunshade, Ashtray and IP Compartment Lamps