GM Service Manual Online
For 1990-2009 cars only
Makes
🢒
Chevrolet
🢒
2002
🢒
Express
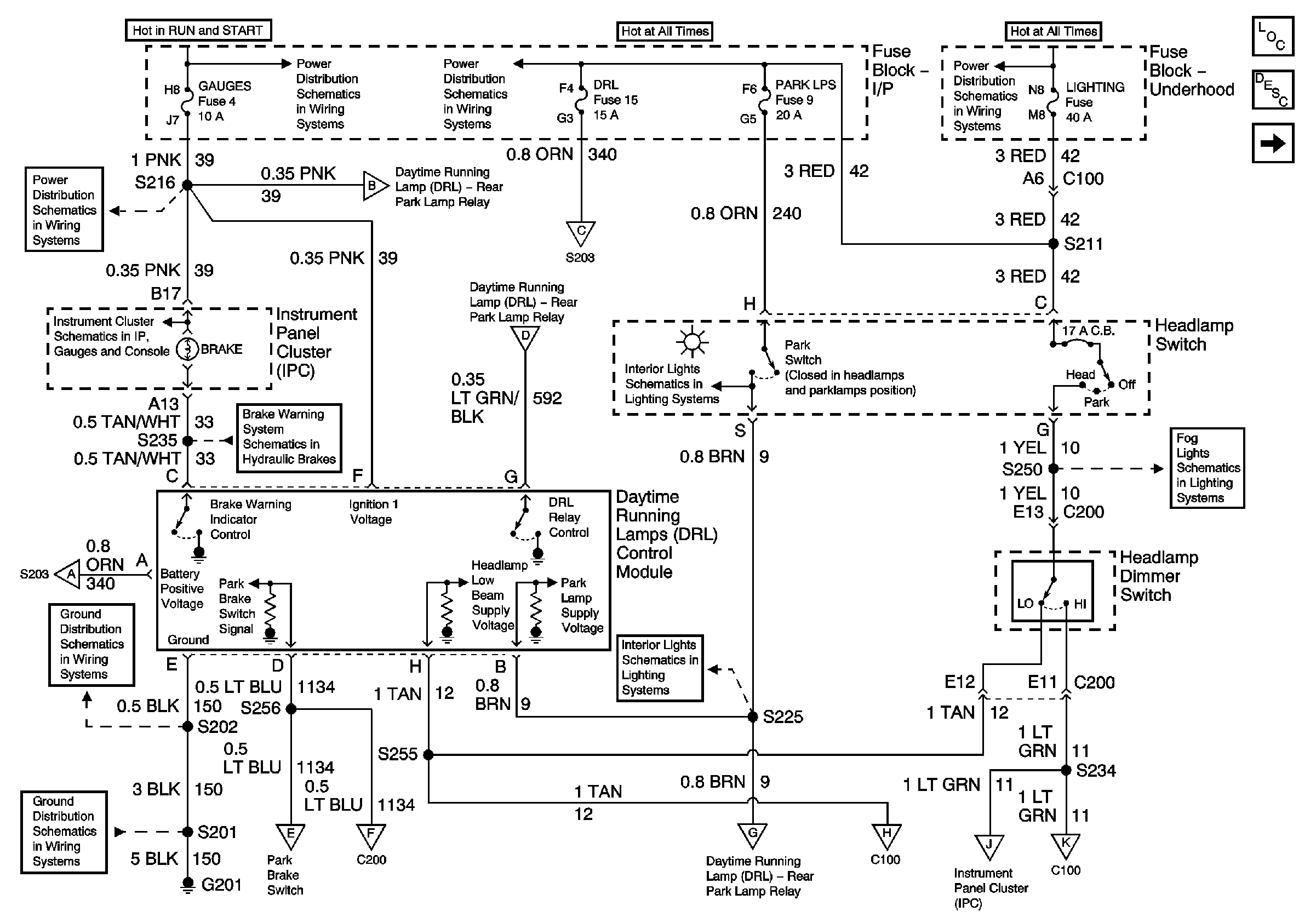
🢒 DRL Control Module, Headlamp Switch
DRL Control Module, Headlamp Switch
DRL Control Module, Headlamp Switch
Master Electrical Component List
Exterior Lighting Systems Description and Operation
DRL Rear Park Lamp Relay
Ignition A, Ignition B Fuses, and Ignition Switch
Lighting and Battery Fuses
Battery, Auxiliary Battery, and Underhood Fuse/Relay Center
Gages Fuse
DRL Rear Park Lamp Relay
DRL Rear Park Lamp Relay
DRL Rear Park Lamp Relay
PWR ACCY, GAUGES and PARK LPS Fuses
Rear Fog Lamps (Export)
DRL Rear Park Lamp Relay
PWR ACCY, GAUGES and PARK LPS Fuses
Components through S202 and S205 to G201
DRL Rear Park Lamp Relay
Headlamps, Ignition Switch
Headlamps, Ignition Switch
DRL Rear Park Lamp Relay
Headlamps, Ignition Switch