GM Service Manual Online
For 1990-2009 cars only
Makes
🢒
Chevrolet
🢒
2004
🢒
Express
🢒 Hazard, Turn and Stop Lamp Signals
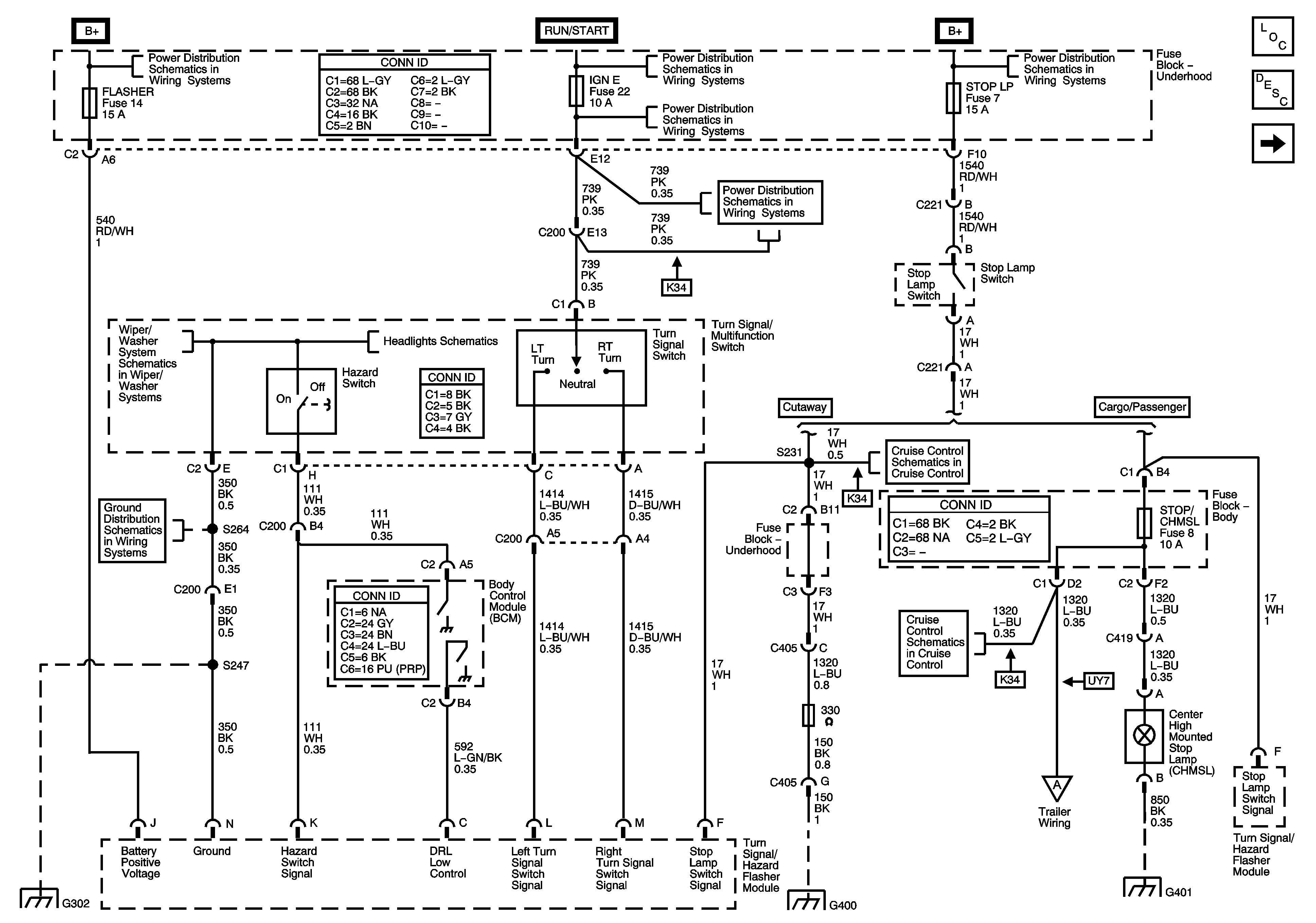
Hazard, Turn and Stop Lamp Signals
Hazard, Turn and Stop Lamp Signals
Master Electrical Component List
Exterior Lighting Systems Description and Operation
Headlamp and Panel Dimmer Switch Signals and Park Lamp Relay Control
B+ Bus - Underhood Fuse Block
IGN B Fuse, ACCY/RUN and RUN/START Bus Bars
Spare, IGN E, SIR, TBC IGN 1 and ISRV Fuses
B+ Bus - Underhood Fuse Block
Spare, IGN E, SIR, TBC IGN 1 and ISRV Fuses
Wipers/Washer System Schematics
Headlights Schematics
G302
w/o JL4
w/o JL4
G302
G400
Backup (Cutaway) and Trailer Wiring
G401 - Passenger/Cargo