GM Service Manual Online
For 1990-2009 cars only
Figure 1:

Power, Ground, Serial Data, Antenna and Front Speaker Outputs


Object Number: 1406773  Size: FS
Master Electrical Component List
Radio/Audio System Description and Operation
Control Module References
Rear Speaker Outputs (UK6)
B+ Bus - Underhood Fuse Block
FLASHER, RADIO/BAT, RFA, RR DEF/HTD MIR, TBC, TBC 2, TBC 3, TBC 4, TRL STOP/TRN Fuses and PWR SEAT Circuit Breaker
Data Link Connector (DLC) Schematics
OnStar Schematics
G303 and G304
Figure 2:

Rear Speaker Outputs (UK6)


Object Number: 1406777  Size: FS
Master Electrical Component List
Radio/Audio System Description and Operation
Control Module References
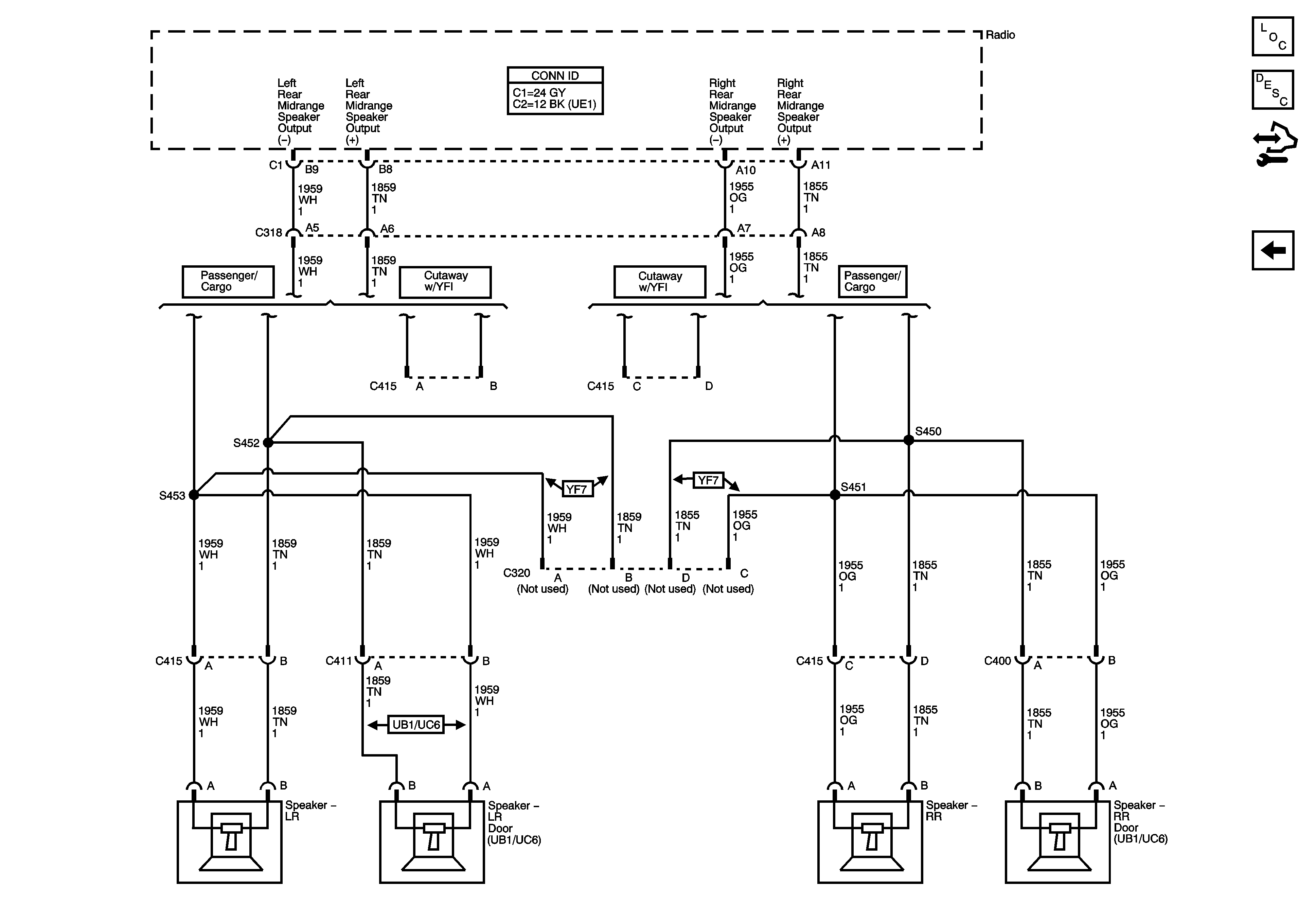
Rear Speaker Outputs (w/o UK6)
Power, Ground, Serial Data, Antenna and Front Speaker Outputs
I/P Dimming Supply Voltage - 2 of 3
G303 and G304
Figure 3:

Rear Speaker Outputs (w/o UK6)


Object Number: 1406781  Size: FS
Master Electrical Component List
Radio/Audio System Description and Operation
Control Module References
Rear Speaker Outputs (UK6)