GM Service Manual Online
For 1990-2009 cars only
Makes
🢒
Chevrolet
🢒
2005
🢒
Express
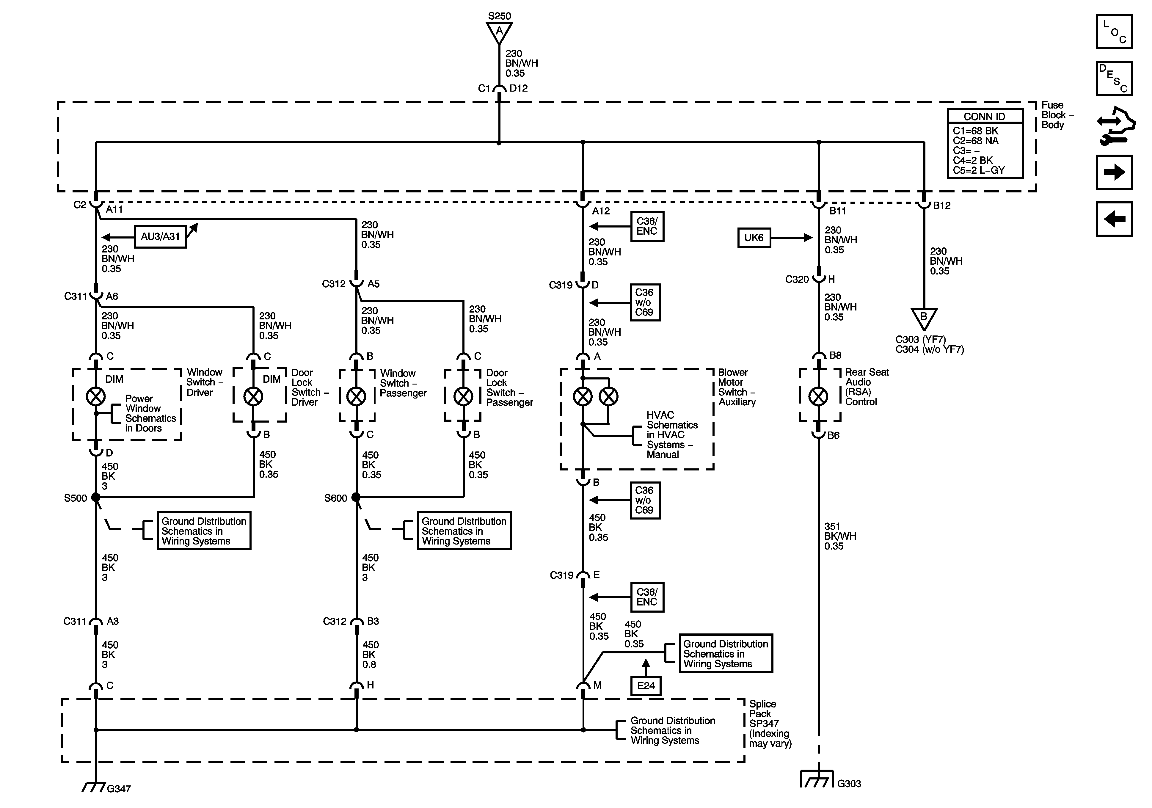
🢒 I/P Dimming Supply Voltage - 2 of 3
I/P Dimming Supply Voltage - 2 of 3
I/P Dimming Supply Voltage - 2 of 3
Master Electrical Component List
Interior Lighting Systems Description and Operation
Control Module References
I/P Dimming Supply Voltage - 3 of 3
I/P Dimming Supply Voltage - 1 of 3 and LED Dimming Supply Voltage
I/P Dimming Supply Voltage - 1 of 3 and LED Dimming Supply Voltage
I/P Dimming Supply Voltage - 3 of 3
Power Window Schematics
Rear HVAC (C36 w/o C69)
G347 - 1 of 3
G347 - 2 of 3
G347 - 2 of 3
G347 - 2 of 3
G303 and G304