GM Service Manual Online
For 1990-2009 cars only
Makes
🢒
Chevrolet
🢒
2005
🢒
Express
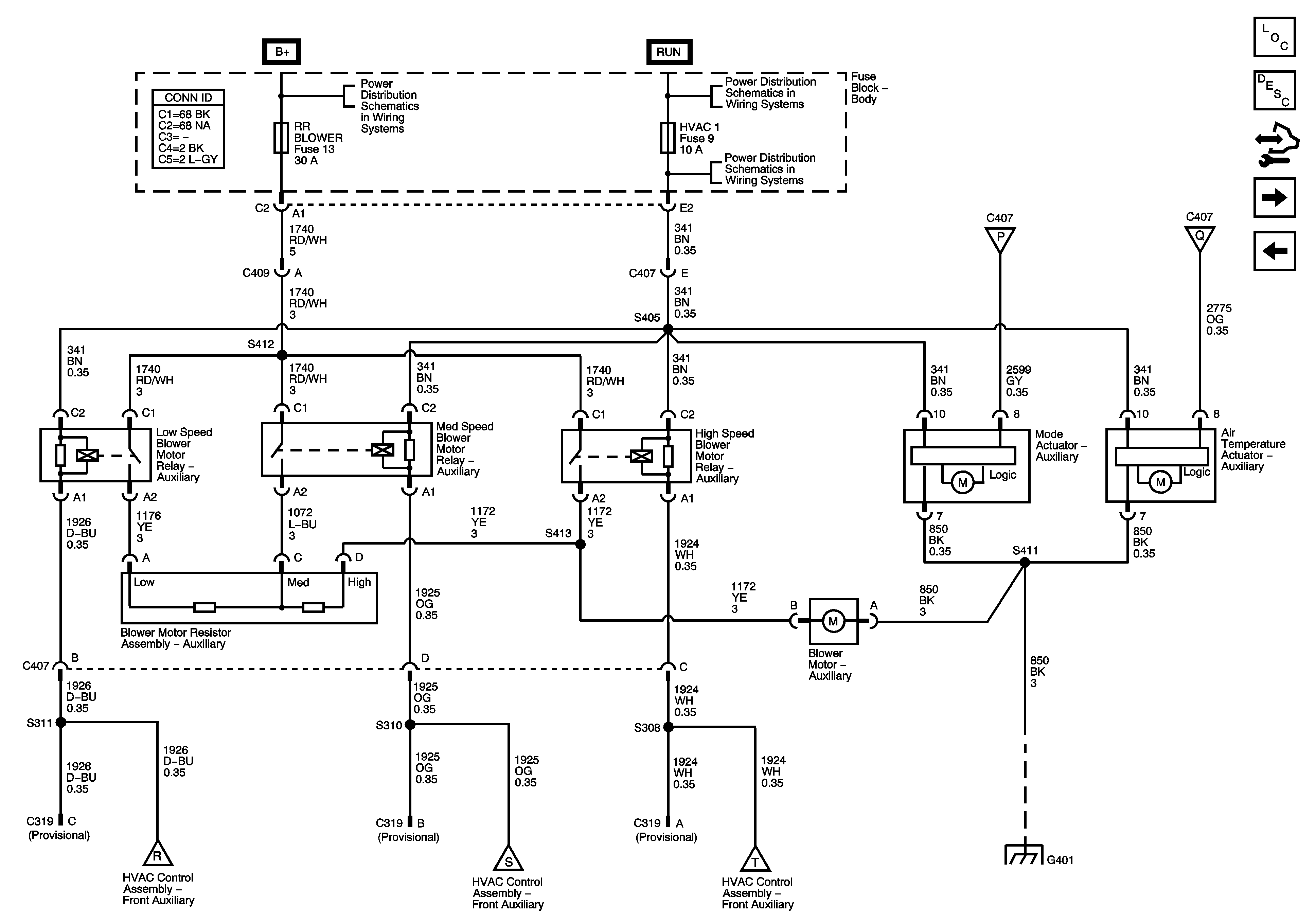
🢒 Rear HVAC w/o Rear Auxiliary Controls (C69) - 2 of 2
Rear HVAC w/o Rear Auxiliary Controls (C69) - 2 of 2
Rear HVAC w/o Rear Auxiliary Controls (C69) - 2 of 2
Master Electrical Component List
Air Delivery Description and Operation
Control Module References
Rear HVAC (C36 w/o C69)
Rear HVAC w/o Rear Auxiliary Controls (C69) - 1 of 2
B+ Bus - Body Fuse Block
Ignition Switch - ACCY/RUN, RUN/START Bus Bars and IGN A Fuse
HVAC 1 Fuse
Rear HVAC w/o Rear Auxiliary Controls (C69) - 1 of 2
Rear HVAC w/o Rear Auxiliary Controls (C69) - 1 of 2
Rear HVAC w/o Rear Auxiliary Controls (C69) - 1 of 2
Rear HVAC w/o Rear Auxiliary Controls (C69) - 1 of 2
Rear HVAC w/o Rear Auxiliary Controls (C69) - 1 of 2
G401 - Passenger/Cargo