GM Service Manual Online
For 1990-2009 cars only
Makes
🢒
Chevrolet
🢒
2005
🢒
Express
🢒 Rear HVAC (C36 w/o C69)
Rear HVAC (C36 w/o C69)
Rear HVAC (C36 w/o C69)
Master Electrical Component List
Air Delivery Description and Operation
Control Module References
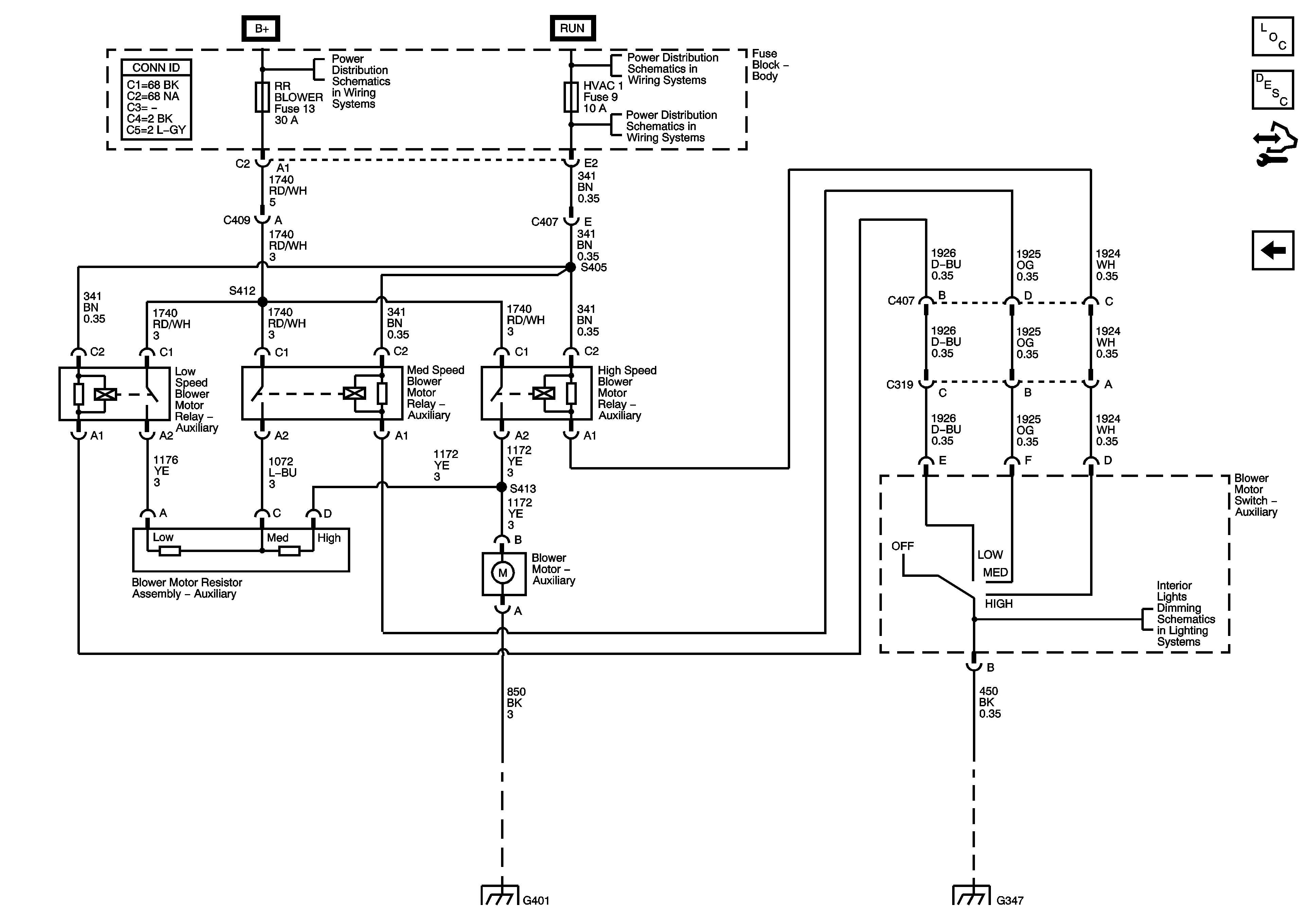
Rear HVAC w/o Rear Auxiliary Controls (C69) - 2 of 2
B+ Bus - Body Fuse Block
Ignition Switch - ACCY/RUN, RUN/START Bus Bars and IGN A Fuse
HVAC 1 Fuse
I/P Dimming Supply Voltage - 2 of 3
G401 - Passenger/Cargo
G347 - 2 of 3