GM Service Manual Online
For 1990-2009 cars only
Makes
🢒
Chevrolet
🢒
2005
🢒
Express
🢒 Starting System
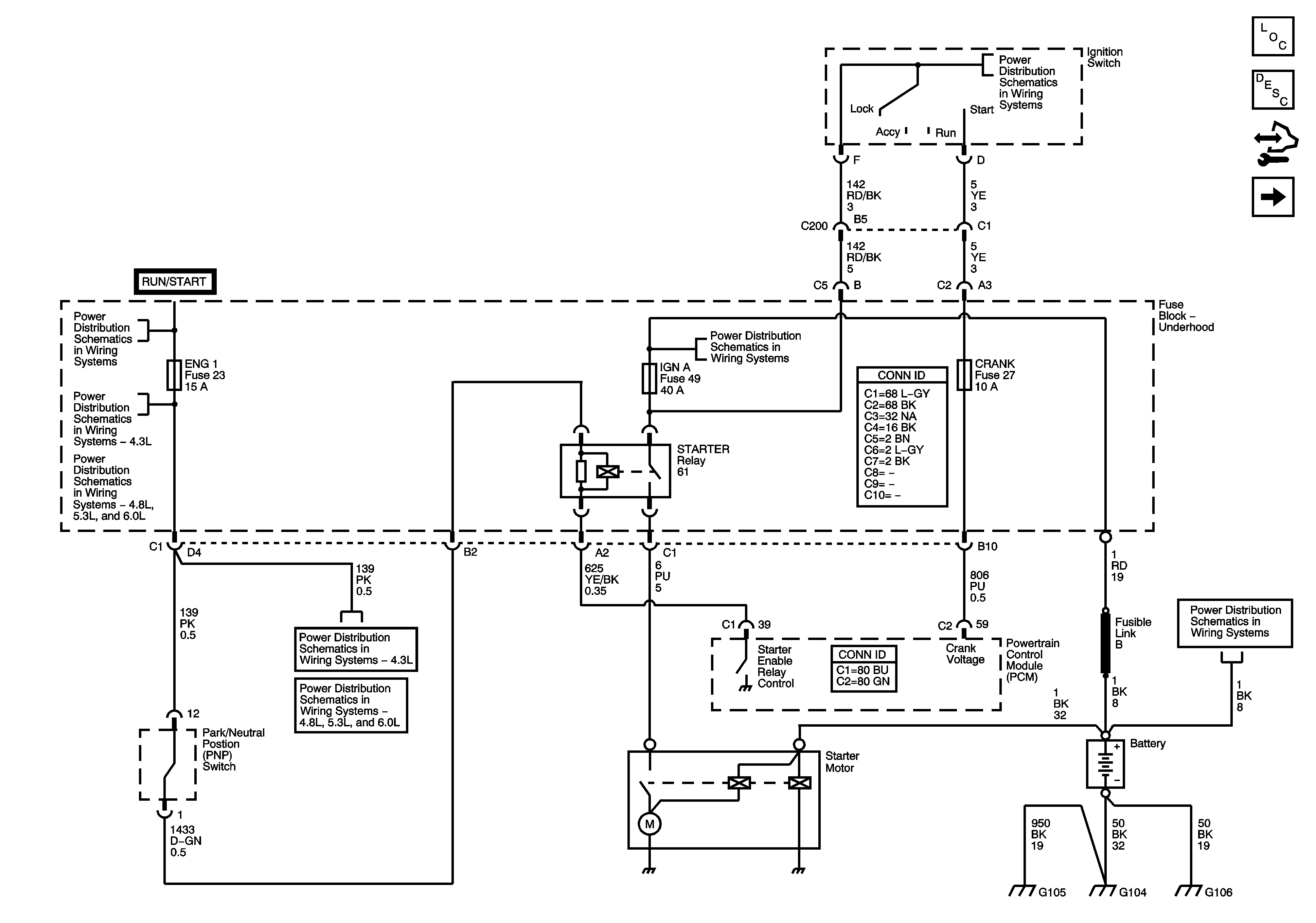
Starting System
Starting System
Master Electrical Component List
Starting System Description and Operation
Control Module References
Charging System
Ignition Switch - ACCY/RUN, RUN/START Bus Bars and IGN A Fuse
Ignition Switch - ACCY/RUN, RUN/START Bus Bars and IGN B Fuse
ENG 1 and ENG 2 Fuses - 4.3L
ENG 1 and ENG 2 Fuses - 4.8L, 5.3L and 6.0L
ENG 1 and ENG 2 Fuses - 4.3L
ENG 1 and ENG 2 Fuses - 4.8L, 5.3L and 6.0L
B+ Bus - Underhood Fuse Block
B+ Bus - Underhood Fuse Block