GM Service Manual Online
For 1990-2009 cars only
Makes
🢒
Chevrolet
🢒
2005
🢒
Express
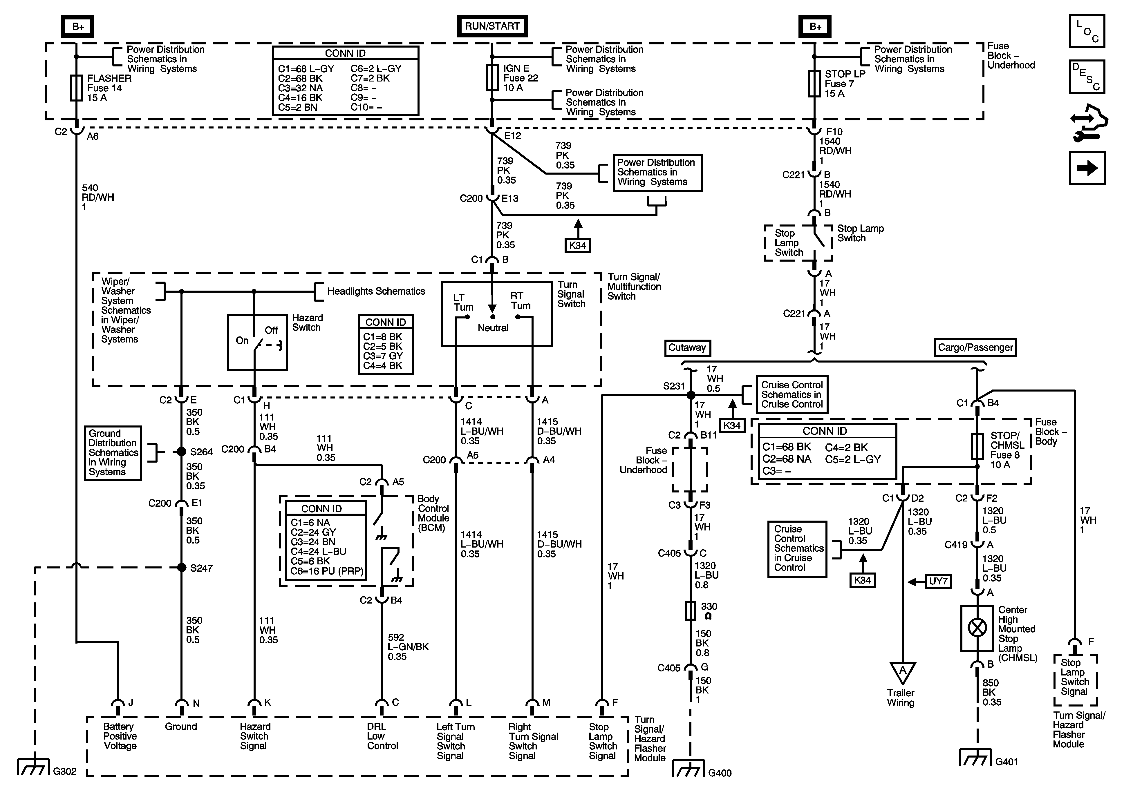
🢒 Hazard, Turn and Stop Lamp Signals
Hazard, Turn and Stop Lamp Signals
Hazard, Turn and Stop Lamp Signals
Master Electrical Component List
Exterior Lighting Systems Description and Operation
Control Module References
Headlamp and Panel Dimmer Switch Signals and Park Lamp Relay Control
B+ Bus - Underhood Fuse Block
Ignition Switch - ACCY/RUN, RUN/START Bus Bars and IGN B Fuse
IGN E, ISRV, SIR, SPARE andTBC IGN 1 Fuses
B+ Bus - Underhood Fuse Block
IGN E, ISRV, SIR, SPARE andTBC IGN 1 Fuses
Wiper/Washer System Schematics
Headlights Schematics
G302
w/o JL4
w/o JL4
G302
G400
Backup (Cutaway) and Trailer Wiring
G402 - Passenger/Cargo and G403 - PRP